Обогреватели Master B 70CED 4011.819 - инструкция пользователя по применению, эксплуатации и установке на русском языке. Мы надеемся, она поможет вам решить возникшие у вас вопросы при эксплуатации техники.
Если остались вопросы, задайте их в комментариях после инструкции.
"Загружаем инструкцию", означает, что нужно подождать пока файл загрузится и можно будет его читать онлайн. Некоторые инструкции очень большие и время их появления зависит от вашей скорости интернета.

4
GB
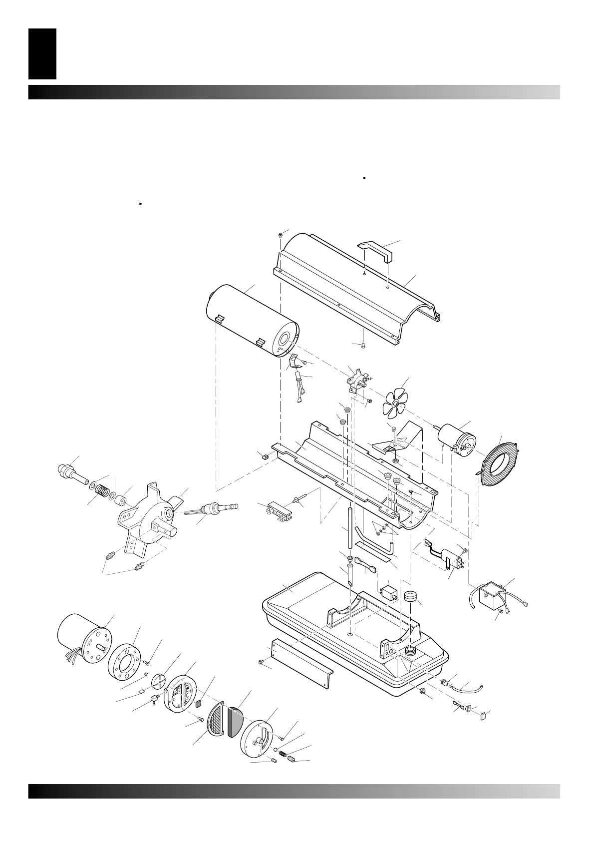
ILLUSTRATED PARTS BREAKDOWN / VUE ÉCLATÉE / BEBILDERTE
ERSATZTEILLISTE / ILLUSTRATIES EN LIJST VAN ONDERDELEN / ESPLOSO DEI
COMPONENTI / DESPIECE ILUSTRADO / ÖVERSIKT DELAR / PIIRROKSET OSISTA /
ILLUSTRERET DELFORTEGNELSE / OVERSIKT OVER DELER / ILUSTRACJA CZh
Ś
CI
W ROZ
Ł
O
ż
ENIU / CXEMA COCTABA
ИЗДЕЛИЯ
/ ÁBRÁS ALKALTRÉSZJEGYZÉK /
ILUSTRACE ROZLOŽENÍ SOU
Č
ÁSTEK / ALI
Ų
IŠDESTYMAS / KOOSTEJOONIS /
IZJAUKTU DETALU ILUSTR
Ā
CIJAS
B70 CED
1
2
4
3
5
6
7
8
1 0
1 1
1 2
4 3
1 4
1 5
1 7
2 0
1 8
1 9
2 1
2 1
2 4
2 8
2 9
3 0
3 1
3 2
3 4
3 8
3 7
1 1
1 3
9
3 3
3 5
3 6
42
3 9
4 0
2 3
4 4
1 1
4 1
4 5
2 6
2 5
1 6
2 2
2 7
1 0 -6
1 0 -3
1 0 -2
1 0 -4
1 0 -5
1 0 -7
1 0 -1
1 8 -1
1 8 -2
1 8 -1 8
1 8 -4
1 8 -5
1 8 -6
1 8 -7
1 8 -8
1 8 -9
1 8 -1 0
1 8 -1 1
1 8 -1 2
1 8 -1 3
1 8 -1 4
1 8 -1 5
1 8 -1 6
1 8 -1 7
1 8 -3
Motor and pump assembly













