Кондиционеры Daikin FWP-AT - инструкция пользователя по применению, эксплуатации и установке на русском языке. Мы надеемся, она поможет вам решить возникшие у вас вопросы при эксплуатации техники.
Если остались вопросы, задайте их в комментариях после инструкции.
"Загружаем инструкцию", означает, что нужно подождать пока файл загрузится и можно будет его читать онлайн. Некоторые инструкции очень большие и время их появления зависит от вашей скорости интернета.

FC66003946
Rev 00
MANUAL DE UTILIZAÇÃO
É expressamente proibida a reprodução mesmo parcial deste manual
PT
14
FWECSA
Controlo para terminais
PERMISSÃO À ÁGUA
O controlo da temperatura da água para a permissão à
aber tura diz respeito apenas a configurações com válvulas
de 3 vias e resistência elétrica. Em tais configurações será
feito um controlo da temperatura da água em caso de:
•
Aquecimento com resistência: o funcionamento
da resistência implica a forçagem da ventilação; é
necessário por isso evitar a eventual passagem de água
demasiado fria no terminal:
•
Pós ventilação devida ao desligamento da resistência:
mantida até ao terminar do tempo estabelecido, mesmo
no caso de mudança da modalidade de funcionamento.
Durante a pós ventilação a permissão da água irá
coincidir com aquele para a ventilação.
RESISTÊNCIA ELÉTRICA
ATIVAÇÃO
Caso tenha sido configurada previamente a presença do
parâmetro de configuração e habilitado à utilização do
parâmetro de setup, a resistência elétrica é utilizada na
chamada do termostato em base à temperatura ambiente:
A ativação implica a forçagem da ventilação�
PERMISSÃO À ÁGUA
A permissão para a ativação da resistência está associada
ao controlo da temperatura da água. Em seguida a lógica de
permissão respetiva:
AQUECIMENTO
Esta permissão não será dada em caso de sonda de água
não prevista ou desligada.
ECONOMY
Caso tenha sido configurada previamente a presença do
parâmetro de configuração e habilitado à utilização do
parâmetro de setup, a função Economy prevê uma correção
do setpoint de 2.5ºC e uma forçagem à velocidade mínima
disponível para reduzir o funcionamento do terminal.
•
Refrigeração:
set + 2.5°C
•
Aquecimento:
set – 2.5°C
CONTROLO MÍNIMO DA TEMPERATURA
Caso tenha sido configurada previamente a presença do
parâmetro de configuração e habilitado à utilização do
parâmetro de setup, esta lógica permite impedir, com
termostato desligado, que a temperatura ambiente não
desça abaixo de um limite configurável (parâmetro "SET
controlo temperatura mínima"), forçando o terminal em
modalidade de aquecimento durante o tempo necessário.
Se a resistência elétrica estiver presente, essa será utilizada
apenas no caso em que for previamente selecionada como
recurso em Aquecimento.
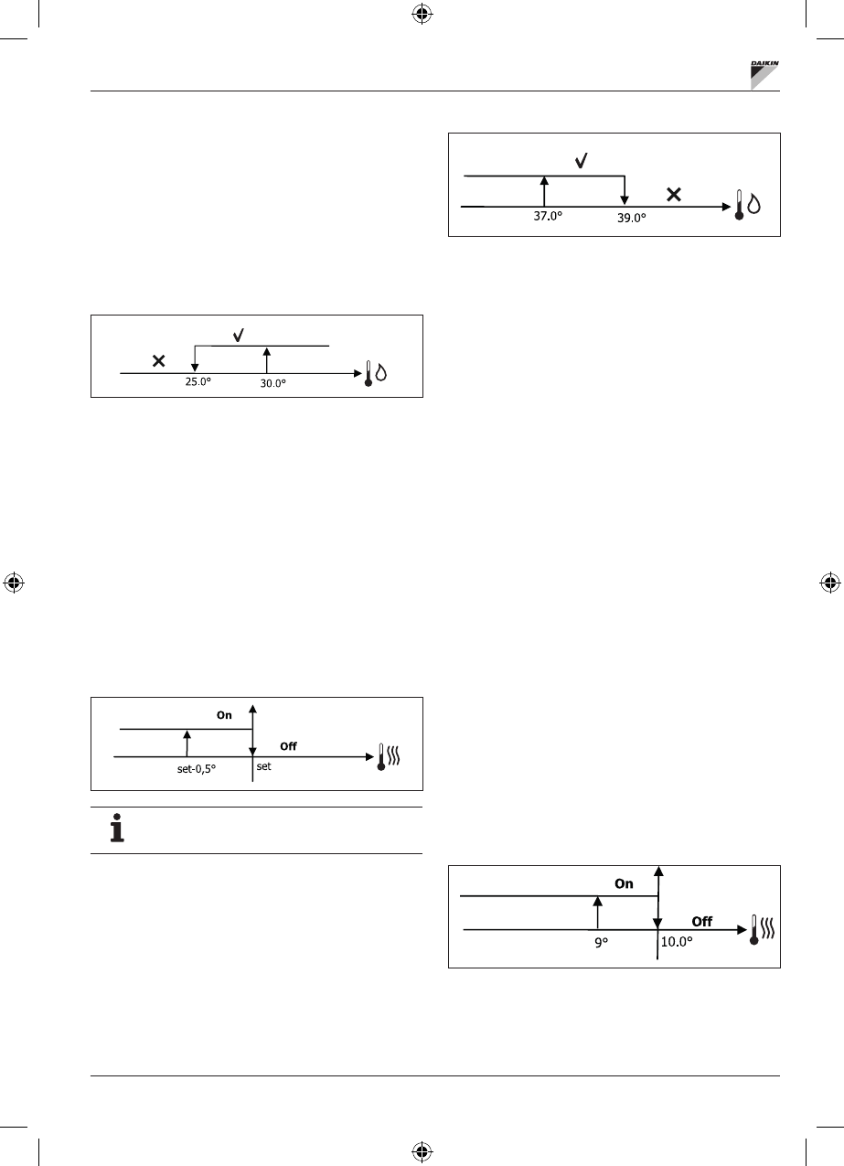
ATIVAÇÃO
Se este controlo for selecionado, o terminal irá acender-se
caso a temperatura desça abaixo dos 9ºC:
Uma vez recolocada a temperatura acima dos 10°C o
termostato regressará na situação de Off.
Содержание
- 218 СЕТИ И СВЯЗЬ ��������������������������������������������������������������������������������������������������������16
- 219 ПРЕДУПРЕЖДЕНИЕ; УСЛОВНЫЕ ОБОЗНАЧЕНИЯ ПО ТЕХНИКЕ; ВНИМАТЕЛЬНО ПРОЧЕСТЬ; ПРЕДУПРЕЖДЕНИЯ ОБЩЕГО ХАРАКТЕРА
- 220 Основные характеристики
- 221 ТЕРМИНАЛ ПОЛЬЗОВАТЕЛЯ; КЛАВИАТУРА
- 222 ВКЛЮЧИТЬ ВЫКЛЮЧИТЬ АГРЕГАТ
- 225 МЕНЮ И СПИСКИ ПАРАМЕТРОВ; МЕНЮ КОНФИГУРАЦИИ
- 226 ЦИФРОВОЙ КОНФИГУРИРУЕМЫЙ ВЫХОД; НР
- 227 МЕНЮ ЗАДАННЫХ ПАРАМЕТРОВ
- 228 ЛОГИЧЕСКИЕ СХЕМЫ НАСТРОЕК; ПЕРЕКЛЮЧЕНИЕ ОХЛАЖДЕНИЯ/ОТОПЛЕНИЯ
- 231 ФОРСИРОВКИ; КЛАПАН; МОДУЛИРУЮЩИЙ КЛАПАН
- 232 РАЗРЕШАЮЩИЙ СИГНАЛ ВОДНОЙ СИСТЕМЫ; ЭЛЕКТРИЧЕСКОЕ СОПРОТИВЛЕНИЕ; АКТИВИРОВАНИЕ; КОНТРОЛЬ МИНИМАЛЬНОЙ ТЕМПЕРАТУРЫ
- 233 ОС УШЕНИЕ; ЛОГИЧЕСКАЯ СХЕМА; СИГНАЛЫ ТРЕВОГИ
- 234 СЕТИ И СВЯЗЬ; ПОДКЛЮЧЕНИЕ СИСТЕМЫ МОНИТОРИНГА; Протокол
- 235 СТАТУС ВХОДА; РЕГИСТР ХРАНЕНИЯ; ВХОД РЕГИСТРА
- 236 СЕТЕВОЙ ВАРИАНТ “SMALL”
- 237 Серийный адрес; СМЕШЕННАЯ СЕТЬ; СВОДНАЯ ТАБЛИЦА ПАРАМЕТРОВ; ЗНАЧЕНИЕ СВЕТОДИОДОВ
- 238 ТЕХНИЧЕСКИЕ ДАННЫЕ; УСТАНОВКА И ТЕХОБСЛУЖИВАНИЕ; УСТАНОВКА ЗОНДА; УСТАНОВКА УДАЛЕННОГО ДАТЧИКА ВОЗДУХА
- 240 УСТАНОВКА ТЕРМИНАЛА ПОЛЬЗОВАТЕЛЯ
- 241 ПОДКЛЮЧЕНИЯ ЭЛЕКТРОСИСТЕМЫ
- 242 ЭЛЕКТРОСХЕМА