Кондиционеры Daikin EWAQ-F-SL - инструкция пользователя по применению, эксплуатации и установке на русском языке. Мы надеемся, она поможет вам решить возникшие у вас вопросы при эксплуатации техники.
Если остались вопросы, задайте их в комментариях после инструкции.
"Загружаем инструкцию", означает, что нужно подождать пока файл загрузится и можно будет его читать онлайн. Некоторые инструкции очень большие и время их появления зависит от вашей скорости интернета.

D-EIMAC00804-14EU –96/209
давления
увеличится
.
Возникнет
необходимость
заново
отрегулировать
все
защитные
системы
агрегата
,
в
том
числе
защитное
устройство
от
обмерзания
и
от
низкого
давления
.
12.
Перед
тем
как
приступить
к
изоляции
трубопровода
,
убедитесь
в
отсутствии
утечки
.
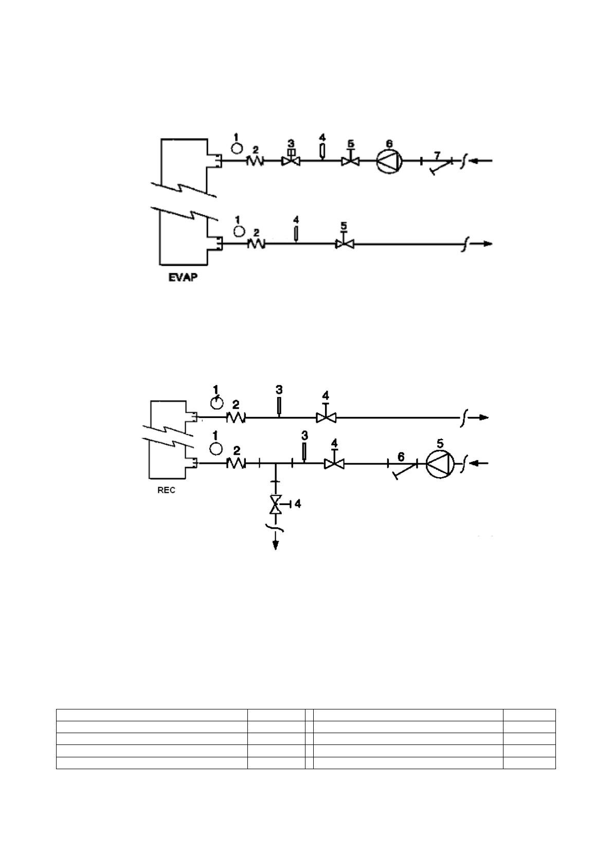
Рисунок
5 -
Схема
подключения
трубопровода
к
испарителю
1.
Манометр
2.
Гибкое
гидравлическое
соединение
3.
Реле
протока
4.
Датчик
температуры
5.
Изолирующий
клапан
6.
Насос
7.
Фильтр
Рисунок
6 -
Схема
подключения
трубопровода
к
теплообменникам
рекуперации
тепла
1.
Манометр
2.
Гибкое
гидравлическое
соединение
3.
Датчик
температуры
4.
Изолирующий
клапан
5.
Насос
6.
Фильтр
Обработка
воды
Перед
вводом
агрегата
в
эксплуатацию
выполните
очистку
гидравлического
контура
.
Грязь
,
накипь
,
продукты
коррозии
и
другие
инородные
частицы
могут
скапливаться
в
теплообменнике
,
ухудшая
его
теплообменную
производительность
.
Также
может
увеличится
падение
давления
и
уменьшится
поток
воды
.
Таким
образом
,
правильная
обработка
воды
уменьшает
риск
коррозии
,
эрозии
,
образования
накипи
и
т
.
д
.
Определение
наиболее
подходящей
обработки
воды
зависит
от
типа
системы
и
состава
воды
,
поэтому
целесообразно
определять
тип
обработки
на
месте
установки
.
Производитель
не
несет
ответственности
за
повреждения
или
неисправности
оборудования
,
возникающие
в
результате
применения
необработанной
или
неправильно
обработанной
воды
.
Таблица
1 -
Допустимое
качество
воды
pH (25°C)
6,8
÷
8,0
Общая
жёсткость
воды
(mg CaCO
3
/ l)
<
200
Электропроводность
µ
См
/c
м
(25°C)
<
800
Железо
(
мг
Fe /
л
)
<
1.0
Ионы
хлора
(
мг
Cl
-
/
л
)
<
200
Ионы
сульфида
(
мг
S
2 -
/
л
)
Нет
Ионы
сульфата
(
мг
S
2
4
-
/
л
)
<
200
Ионы
аммония
(
мг
NH
4
+
/
л
)
<
1.0
Щёлочность
(
мг
CaCO
3
/
л
)
<
100
Силикаты
(
мг
SiO
2
/
л
)
<
50