Кондиционеры Daikin EWAQ-F-SL - инструкция пользователя по применению, эксплуатации и установке на русском языке. Мы надеемся, она поможет вам решить возникшие у вас вопросы при эксплуатации техники.
Если остались вопросы, задайте их в комментариях после инструкции.
"Загружаем инструкцию", означает, что нужно подождать пока файл загрузится и можно будет его читать онлайн. Некоторые инструкции очень большие и время их появления зависит от вашей скорости интернета.

D-EIMAC00804-14EU -186/209
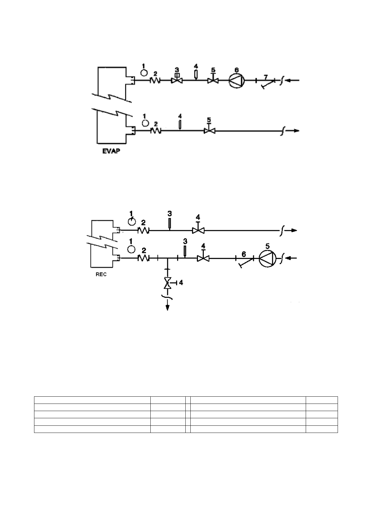
Obrázok 5 – Zapojenie vodných trubiek k výparníku
1.
Manometer
2.
Flexibilný konektor
3.
Prietokomer
4.
Tepelná sonda
5.
Izola
č
ný ventil
6.
Č
erpadlo
7.
Filter
Obrázok 6 - Zapojenie vodných trubiek k výmeníkom rekuperácie tepla
1.
Manometer
2.
Flexibilný konektor
3.
Tepelná sonda
4.
Izola
č
ný ventil
5.
Č
erpadlo
6.
Filter
Úprava vody
Pred spustením zariadenia vy
č
istite vodný obvod. Ne
č
istota,
vápnik, usadeniny korózie alebo iného materiálu sa môžu
hromadi
ť
vo vnútri tepelného výmenníka a zníži
ť
tak jeho
kapacitu tepelnej výmeny. Môže dôjs
ť
aj k poklesu tlaku, k
zníženiu prietoku vody. Vhodná úprava vody môže teda zníži
ť
riziko korózie, erózie, formovania vápnika at
ď
. Odpovedajúca
najvhodnejšia úprava sa ur
č
í priamo na mieste pod
ľ
a typu
systému a vlastností vody.
Výrobca nezodpovedá za eventuálne škody alebo nesprávne
fungovanie zariadenia v dôsledku chýbajúcej alebo nevhodnej
úpravy vody.
Tabu
ľ
ka 1 – Akceptovate
ľ
né limity kvality vody
pH (25°C)
6,8
÷
8,0
Celková tvrdos
ť
(mg CaCO
3
/ l)
<
200
Elektrická vodivos
ť
µ
S/cm (25°C)
<
800
Železo (mg Fe / l)
<
1.0
Chloridové ióny (mg Cl
-
/ l)
<
200
Sulfidové ióny (mg S
2 -
/ l)
Žiadne
Sulfátové ióny (mg S
2
4
-
/ l)
<
200
Amoniakové ióny (mg NH
4
+
/ l)
<
1.0
Zásaditos
ť
(mg CaCO
3
/ l)
<
100
Oxyd kremi
č
itý (mg SiO
2
/ l)
<
50