Кондиционеры Daikin EWAQ-F-SL - инструкция пользователя по применению, эксплуатации и установке на русском языке. Мы надеемся, она поможет вам решить возникшие у вас вопросы при эксплуатации техники.
Если остались вопросы, задайте их в комментариях после инструкции.
"Загружаем инструкцию", означает, что нужно подождать пока файл загрузится и можно будет его читать онлайн. Некоторые инструкции очень большие и время их появления зависит от вашей скорости интернета.

D-EIMAC00804-14EU - 176/209
11. În cazul în care glicolul este ad
ă
ugat în circuitul de ap
ă
ca o
protec
ţ
ie anti-înghe
ţ
, acorda
ţ
i aten
ţ
ie faptului c
ă
presiunea de
aspira
ţ
ie va fi mai joas
ă
, performan
ţ
a unit
ăţ
ii va sc
ă
dea, iar
c
ă
derile de presiune vor fi mai mari. Toate dispozitivele de
protec
ţ
ie ale unit
ăţ
ii, cum ar fi protec
ţ
ia anti-înghe
ţ
ş
i protec
ţ
ia
împotriva sc
ă
derii presiunii vor trebuie reglate din nou.
12. Înaintea izol
ă
rii conductelor de ap
ă
, verifica
ţ
i s
ă
nu existe
scurgeri.
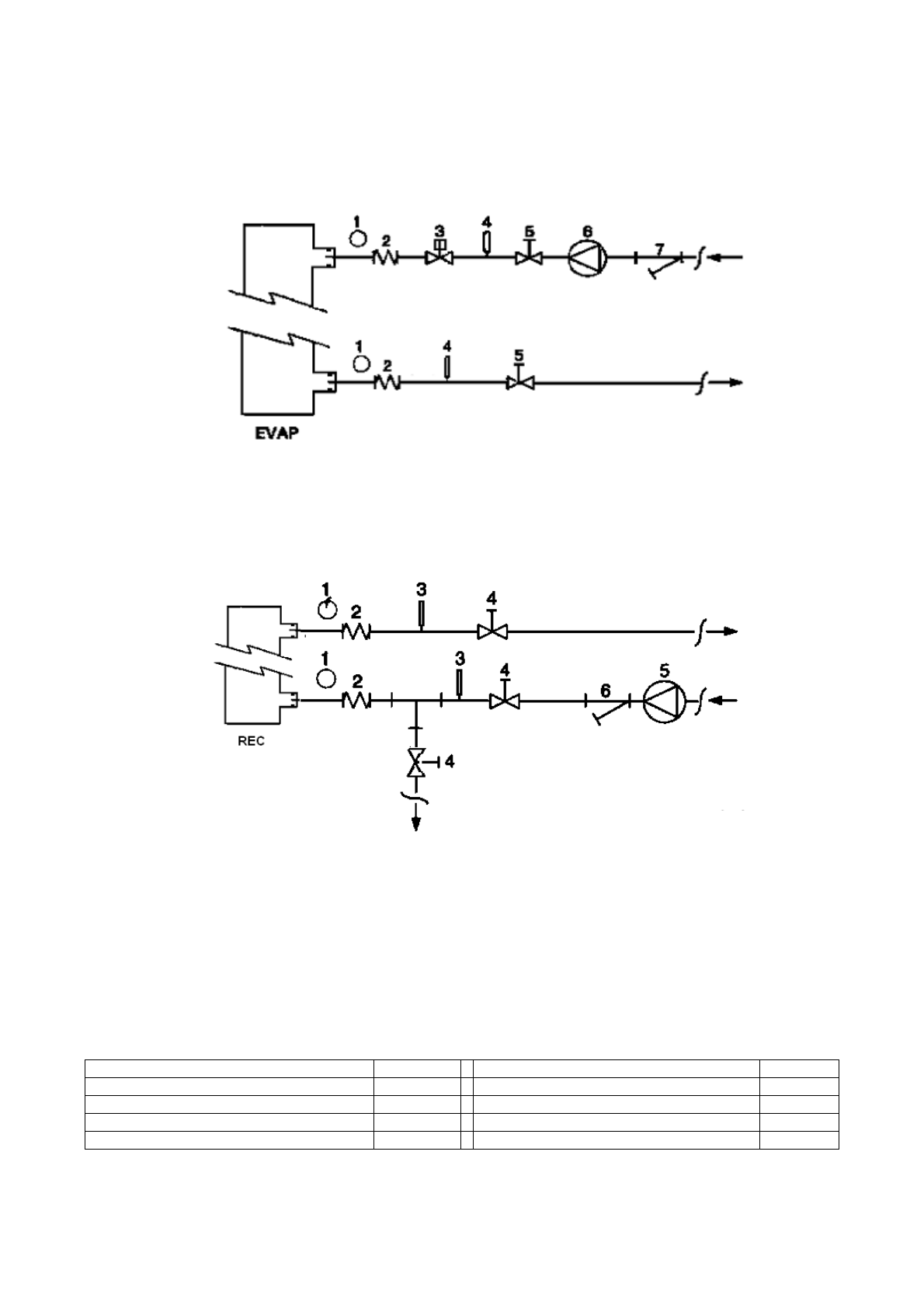
Figura 5 – Conexiunea conductelor de ap
ă
evaporator
1.
Manometru
2.
Conector flexibil
3.
Comutator de debit
4.
Sond
ă
de temperatur
ă
5.
Valv
ă
de izolare
6.
Pomp
ă
7.
Filtru
Figura 6 – Conexiuni conducte de ap
ă
pentru schimb
ă
torul de c
ă
ldur
ă
1.
Manometru
2.
Conector flexibil
3.
Sond
ă
de temperatur
ă
4.
Valv
ă
de izolare
5.
Pomp
ă
6.
Filtru
Tratarea apei
Înainte de punerea în func
ţ
iune a unit
ăţ
ii, cur
ăţ
a
ţ
i circuitul de
ap
ă
. Murd
ă
rie, calcar, resturi de coroziune
ş
i alte materiale se
pot acumula în interiorul schimb
ă
torului de c
ă
ldur
ă
,
reducându-se astfel capacitatea dispozitivului de a schimba
c
ă
ldura. Pot fi frecvente c
ă
derile de presiune, reducându-se
astfel fluxul de ap
ă
. În acest scop, un tratament adecvat al
apei reduce riscurile de coroziune, eroziune, depuneri de
calcar, etc. Tratamentul adecvat al apei trebuie s
ă
se identifice
local, în func
ţ
ie de tipul sistemului
ş
i de caracteristicile apei.
Produc
ă
torul î
ş
i declin
ă
orice responsabilitate cu privire la
deteriorarea sau func
ţ
ionarea defectuoas
ă
a echipamentului
datorate nerespect
ă
rii aplic
ă
rii tratamentului apei sau trat
ă
rii
neadecvate a acesteia.
Tabel 1 – Limite acceptabile ale calit
ăţ
ii apei
pH (25°C)
6,8
÷
8,0
Duritatea total
ă
(mg CaCO
3
/ l)
<
200
Conductivitate electric
ă
µ
S/cm (25°C)
<
800
Fier (mg Fe / l)
<
1.0
Ion clorur
ă
(mg Cl
-
/ l)
<
200
Ion sulfur
ă
(mg S
2 -
/ l)
Niciunul
Ion sulfur
ă
(mg SO
2
4
-
/ l)
<
200
Ion amoniu (mg NH
4
+
/ l)
<
1.0
Alcalinitate (mg CaCO
3
/ l)
<
100
Silicat (mg SiO
2
/ l)
<
50