Кондиционеры Daikin EWAQ-F-SL - инструкция пользователя по применению, эксплуатации и установке на русском языке. Мы надеемся, она поможет вам решить возникшие у вас вопросы при эксплуатации техники.
Если остались вопросы, задайте их в комментариях после инструкции.
"Загружаем инструкцию", означает, что нужно подождать пока файл загрузится и можно будет его читать онлайн. Некоторые инструкции очень большие и время их появления зависит от вашей скорости интернета.

D-EIMAC00804-14EU – 46/209
bescherming van de eenheid, zoals die tegen vorst en lage
druk, moeten weer afgesteld worden.
12. Vooraleer de waterleiding te isoleren, controleer of er geen
lekken zijn.
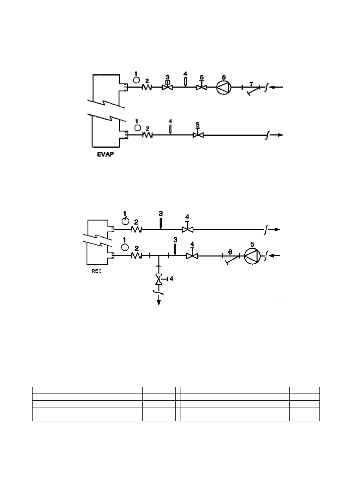
Figuur 5 - Aansluiting waterleiding voor verdamper
1. Drukmeter
2. Connector slang
3. Debietregelaar
4. Temperatuursonde
5. Afsluitklep
6. Pomp
7. Filter
Figuur 6 - Aansluiting waterleiding voor wisselaars warmteterugwinning
1. Drukmeter
2. Connector slang
3. Temperatuursonde
4. Afsluitklep
5. Pomp
6. Filter
Waterzuivering
Vooraleer de eenheid in bedrijf te stellen, moet het watercircuit
gereinigd worden. Vuil, schilfers, corrosie en ander materiaal
kan zich opstapelen in de warmtewisselaar en zo de werking
ervan verminderen. De drukval kan ook toenemen en de
waterstroom verminderen. Een correcte waterzuivering zal het
risico van corrosie, erosie, schilfering enz. verminderen. De
meest aangewezen systemen voor waterzuivering moeten
lokaal bepaald worden, volgens het type van systeem en de
eigenschappen van het water.
De fabrikant kan niet aansprakelijk gesteld worden voor
schade of een slechte werking omdat het water niet of niet
goed behandeld werd.
Tabel 1 - Aanvaardbare limieten waterkwaliteit
pH (25°C)
6,8
÷
8,0
Totale Hardheid (mg CaCO
3
/ l)
<
200
Elektrische geleiding
µ
S/cm (25°C)
<
800
IJzer (mg Fe / l)
<
1.0
Chloride ion (mg Cl
-
/ l)
<
200
Sulfide ion (mg S
2 -
/ l)
Geen
Sulfaat ion (mg SO
2
4
-
/ l)
<
200
Ammonium ion (mg NH
4
+
/ l)
<
1.0
Alkaliniteit (mg CaCO
3
/ l)
<
100
Silicium (mg SiO
2
/ l)
<
50