Кондиционеры Daikin EWAQ-F-SL - инструкция пользователя по применению, эксплуатации и установке на русском языке. Мы надеемся, она поможет вам решить возникшие у вас вопросы при эксплуатации техники.
Если остались вопросы, задайте их в комментариях после инструкции.
"Загружаем инструкцию", означает, что нужно подождать пока файл загрузится и можно будет его читать онлайн. Некоторые инструкции очень большие и время их появления зависит от вашей скорости интернета.

D-EIMAC00804-14EU - 166/209
berendezés
beszerelése
el
ő
tt.
Az
új
berendezés
beszerelése el
ő
tt a vizet megfelel
ő
vegyszerekkel kezelni
kell, valamint tesztek végzésére van szükség.
11. Ha fagyállóként glikolt önt a vízvezeték rendszerbe,
ügyeljen arra, hogy a szívó nyomás és a berendezés
teljesítménye csökken, és a víz nyomásesése n
ő
. A
berendezést véd
ő
elemeket pl. fagyálló, alacsony nyomás
elleni védelem ennek függvényében kell beállítani.
12. A vízvezeték szigetelése el
ő
tt ellen
ő
rizze, hogy nincsenek-
e szivárgások.
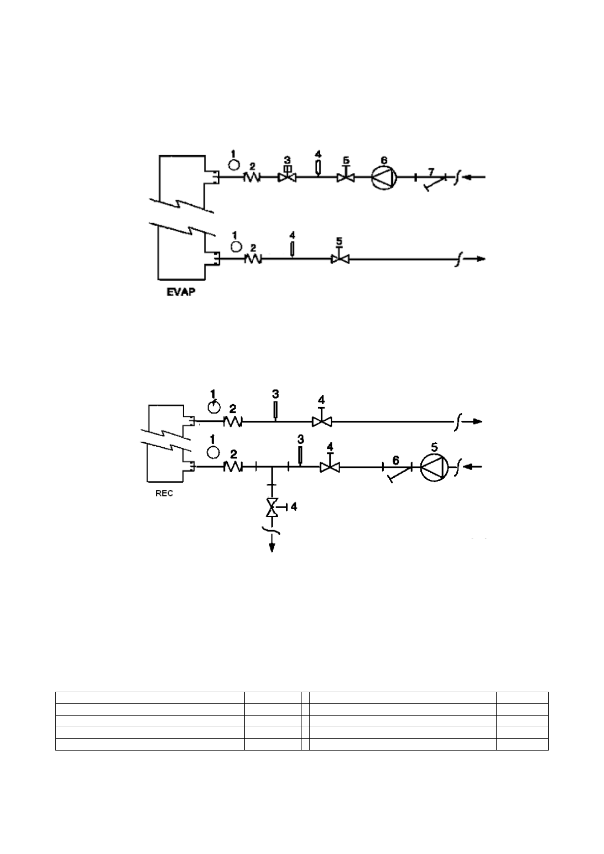
5 Ábra - A vízvezeték csatlakoztatása az elpárologtatóhoz
1.
Nyomásmér
ő
2.
Flexibilis csatlakozó
3.
Nyomáskapcsoló
4.
H
ő
mérséklet érzékel
ő
5.
Elzáró szelep
6.
Szivattyú
7.
Sz
ű
r
ő
6 Ábra - Vízvezeték csatlakoztatása a h
ő
visszanyer
ő
h
ő
cserél
ő
khöz
1.
Nyomásmér
ő
2.
Flexibilis csatlakozó
3.
H
ő
mérséklet érzékel
ő
4.
Elzáró szelep
5.
Szivattyú
6.
Sz
ű
r
ő
A víz kezelése
A berendezés üzembe helyezése el
ő
tt tisztítsa meg a
vízvezetéket. Szennyez
ő
dések, vízk
ő
, korróziós üledék vagy
egyéb anyagok felhalmozódhatnak a h
ő
cserél
ő
belsejében
csökkentve ezzel a h
ő
cserél
ő
teljesítményét. Ezzel egy id
ő
ben
n
ő
het a nyomásesés, amely a térfogatáram csökkenéséhez
vezet. A megfelel
ő
vízkezeléssel csökken a korrózió, erózió,
vízk
ő
képz
ő
dés, stb. veszélye. A legmegfelel
ő
bb vízkezelési
módszert helyileg kell meghatározni a rendszer típusának és a
víz jellemz
ő
inek függvényében.
A gyártó nem vonható felel
ő
sségre a vízkezelés hiánya vagy a
nem megfelel
ő
vízkezelés okozta károkért vagy
üzemzavarokért.
1 Táblázat - A vízzel szemben támasztott min
ő
ségi követelmények határértékei
pH (25 °C)
6,8
÷
8,0
Teljes Vízkeménység (mg CaCO
3
/ l)
<
200
Elektromos vezet
ő
képesség
µ
S/cm (25°C)
<
800
Vas (mg Fe/l)
<
1.0
Kloridion (mg Cl
-
/ l)
<
200
Szulfidion (mg S
2 -
/ l)
Nincs
Szulfátion (mg SO
2
4
-
/ l)
<
200
Ammóniumion (mg NH
4
+
/ l)
<
1.0
Alkalinitás (mg CaCO
3
/ l)
<
100
Szilíciumdioxid (mg SiO
2
/ l)
<
50