Кондиционеры Daikin EWAQ-F-SL - инструкция пользователя по применению, эксплуатации и установке на русском языке. Мы надеемся, она поможет вам решить возникшие у вас вопросы при эксплуатации техники.
Если остались вопросы, задайте их в комментариях после инструкции.
"Загружаем инструкцию", означает, что нужно подождать пока файл загрузится и можно будет его читать онлайн. Некоторые инструкции очень большие и время их появления зависит от вашей скорости интернета.

D-EIMAC00804-14EU – 136/209
11. Je
ż
eli do systemu wodnego dodano glikol w celu ochrony
przed zamarzaniem, nale
ż
y uwa
ż
a
ć
na to,
ż
e ci
ś
nienie
ssania b
ę
dzie ni
ż
sze, osi
ą
gi urz
ą
dzenie b
ę
d
ą
ni
ż
sze i
spadek ci
ś
nienia wody b
ę
dzie znaczny. Nale
ż
y ponownie
wyregulowa
ć
wszystkie systemy ochronne urz
ą
dzenia
takie jak system zapobiegania zamarzaniu i system
ochrony przed niskim ci
ś
nieniem.
12. Przed izolowaniem rurowej instalacji wodnej, nale
ż
y
sprawdzi
ć
, czy nie przecieka.
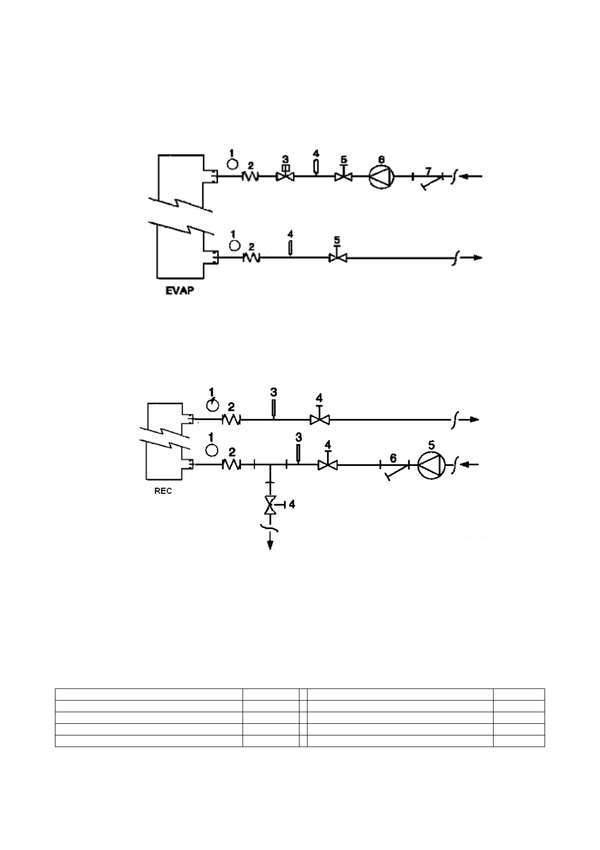
Rysunek 5 - Wodne poł
ą
czenia rurowe parownika
1.
Manometr
2.
Ł
ą
cznik elastyczny
3.
Fluksostat
4.
Sonda Temperatury
5.
Zawór Odcinaj
ą
cy
6.
Pompa
7.
Filtr
Rysunek 6 - Wodne poł
ą
czenia rurowe wymienników odzyskiwania ciepła
1.
Manometr
2.
Ł
ą
cznik elastyczny
3.
Sonda Temperatury
4.
Zawór Odcinaj
ą
cy
5.
Pompa
6.
Filtr
Uzdatnianie wody
Przed uruchomieniem urz
ą
dzenia, nale
ż
y wyczy
ś
ci
ć
obwód
wodny. Brud, szlam, pozostało
ś
ci po korozji i inny materiał
mo
ż
e zgromadzi
ć
si
ę
w wymienniku ciepła i osłabi
ć
jego
zdolno
ść
wymiany ciepła. Mog
ą
si
ę
równie
ż
zwi
ę
kszy
ć
spadki
ci
ś
nienia, zmniejszaj
ą
c z ten sposób przepływ wody.
Prawidłowa obróbka wody zmniejsza wi
ę
c ryzyko korozji,
erozji, szlamu itd. Najwła
ś
ciwszy rodzaj obróbki wody nale
ż
y
okre
ś
li
ć
na miejscu, zgodnie z typem cech układu oraz
cechami wody.
Producent nie jest odpowiedzialny za uszkodzenia sprz
ę
tu lub
jego nieprawidłowe funkcjonowanie spowodowane
nieprawidłowym przygotowaniem wody lub jego brakiem.
Tabela 1 - Dopuszczalne granice jako
ś
ci wody
pH (25°C)
6,8
÷
8,0
Całkowita twardo
ść
(mg CaCO
3
/ l)
<
200
Konduktywno
ść
elektryczna
µ
S/cm (25°C)
<
800
Ż
elazo (mg Fe / l)
<
1.0
Jon chlorkowy (mg Cl
-
/ l)
<
200
Jon siarczkowy (mg S
2 -
/ l)
Brak
Jon siarczanowy (mg SO
2
4
-
/ l)
<
200
Jon amonowy (mg NH
4
+
/ l)
<
1.0
Zasadowo
ść
(mg CaCO
3
/ l)
<
100
Dwutlenek krzemu (mg SiO
2
/ l)
<
50