Кондиционеры Daikin EWAQ-F-SL - инструкция пользователя по применению, эксплуатации и установке на русском языке. Мы надеемся, она поможет вам решить возникшие у вас вопросы при эксплуатации техники.
Если остались вопросы, задайте их в комментариях после инструкции.
"Загружаем инструкцию", означает, что нужно подождать пока файл загрузится и можно будет его читать онлайн. Некоторые инструкции очень большие и время их появления зависит от вашей скорости интернета.

D-EIMAC00804-14EU – 36/209
12. Avant d'isoler les tuyaux de l'eau, s'assurer de l'absence
de fuites.
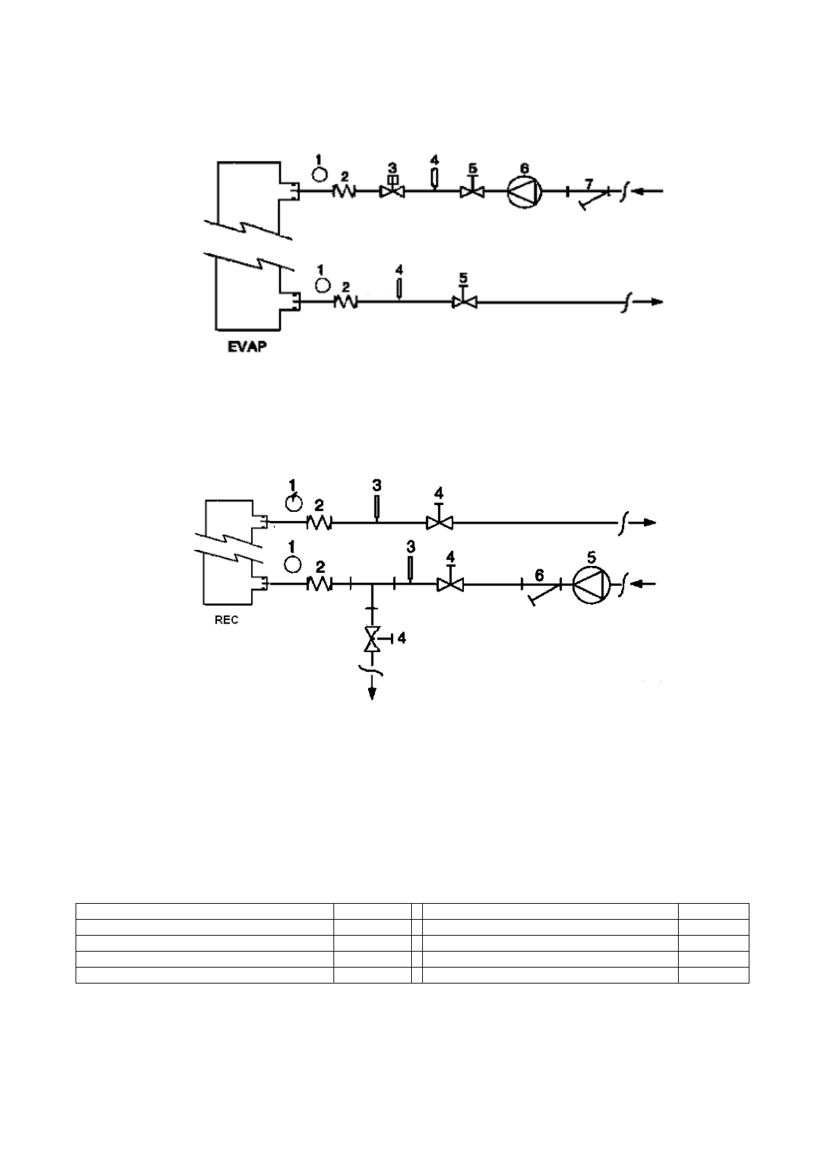
Figure 5 – Raccordement des tuyaux de l'eau pour l'évaporateur
1.
Manomètre
2.
Connecteur flexible
3.
Fluxostat
4.
Sonde de température
5.
Vanne d'isolement
6.
Pompe
7.
Filtre
Figure 6 - Raccordement des tuyaux d'eau pour les échangeurs de récupération de chaleur
1.
Manomètre
2.
Connecteur flexible
3.
Sonde de température
4.
Vanne d'isolement
5.
Pompe
6.
Filtre
Traitement de l'eau
Avant de mettre l'unité en marche, nettoyer le circuit de l'eau.
La saleté, le calcaire, les résidus de corrosion et d'autres
éléments sont susceptibles de s'accumuler dans l'échangeur
de chaleur, réduisant sa capacité d'échange thermique. Ceci
peut également augmenter la chute de pression, en réduisant
le flux de l'eau. Un traitement approprié de l'eau peut donc
réduire le risque de corrosion, d'érosion, de formation de
calcaire, etc. Le traitement de l'eau le plus approprié doit être
déterminé localement, en fonction du type de système et des
caractéristiques de l'eau.
Le producteur n'est pas responsable des éventuels dommages
ou dysfonctionnements de l'appareil causés par l'absence ou
la nature inappropriée du traitement de l'eau.
Tableau 1 - Limites acceptables de la qualité de l'eau
pH (25°C)
6,8
÷
8,0
Dureté totale (mg CaCO
3
/ l)
<
200
Conductivité électrique
µ
S/cm (25°C)
<
800
Fer (mg Fe / l)
<
1.0
Ion chlorure (mg Cl
-
/ l)
<
200
Ion sulfure (mg S
2 -
/ l)
Aucun
Ion sulfure (mg S
2
4
-
/ l)
<
200
Ion ammonium (mg NH
4
+
/ l)
<
1.0
Alcalinité (mg CaCO
3
/ l)
<
100
Silice (mg SiO
2
/ l)
<
50