Кондиционеры Daikin EWAQ-F-SL - инструкция пользователя по применению, эксплуатации и установке на русском языке. Мы надеемся, она поможет вам решить возникшие у вас вопросы при эксплуатации техники.
Если остались вопросы, задайте их в комментариях после инструкции.
"Загружаем инструкцию", означает, что нужно подождать пока файл загрузится и можно будет его читать онлайн. Некоторые инструкции очень большие и время их появления зависит от вашей скорости интернета.

D-EIMAC00804-14EU – 127/209
12. Ennen vesiputkiston eristämistä tarkista, ettei vuotoja esiinny.
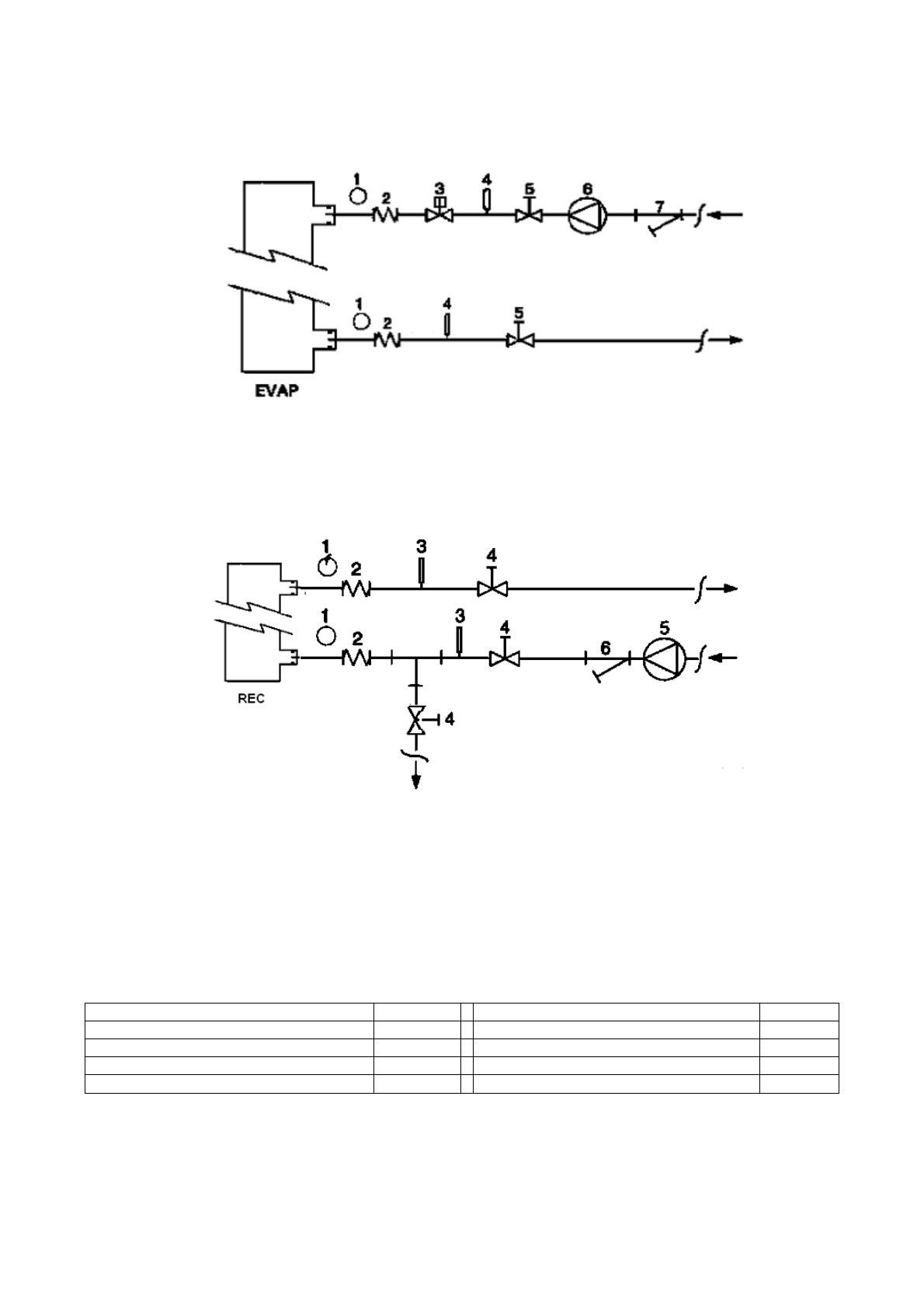
Kuva 5 - Vesiputkistojen liitäntä haihduttimelle
1.
Painemittari
2.
Joustava liitin
3.
Virtauskytkin
4.
Lämpötila-anturi
5.
Eristysventtiili
6.
Pumppu
7.
Suodatin
Kuva 6 - Vesiputkistojen liitäntä lämmönvaihtimille
1.
Painemittari
2.
Joustava liitin
3.
Lämpötila-anturi
4.
Eristysventtiili
5.
Pumppu
6.
Suodatin
Veden käsittely
Ennen kuin yksikkö otetaan käyttöön, puhdista hydraulinen
piiri. Lika, kertymät, hapettumisen jäämät ja muut materiaalit
voivat kerääntyä lämmönvaihtimen sisään ja vähentää sen
lämmönvaihtokapasiteettia. Painehäviöt voivat myös lisääntyä
vähentäen näin veden virtausta. Kunnollinen veden käsittely
vähentää näin ollen hapettumisesta, eroosiosta ja
kattilakivestä aiheutuvia riskejä. Paras veden
käsittelymenetelmä tulee määritellä käytössä olevan
paikallisen järjestelmän ja veden ominaisuuksien perusteella.
Valmistaja ei vastaa vahingoista tai toimintahäiriöistä, jotka
johtuvat veden käsittelyn suorittamatta jättämisestä tai väärin
käsitellystä vedestä.
Taulukko 1 - Hyväksytyt veden laaturajat
pH (25°C)
6,8
÷
8,0
Kokonaiskovuus (mg CaCO
3
/ l)
<
200
Sähkönjohtavuus
µ
S/cm (25°C)
<
800
Teräs (mg Fe / l)
<
1.0
Kloridi-ioni (mg Cl
-
/ l)
<
200
Sulfidi-ioni (mg S
2 -
/ l)
Ei mikään
Sulfaatti-ioni (mg SO
2
4
-
/ l)
<
200
Ammoniumioni (mg NH
4
+
/ l)
<
1.0
Emäksisyys (mg CaCO
3
/ l)
<
100
Pii (mg CaCO
2
/ l)
<
50