Кондиционеры Daikin EWAQ-F-SL - инструкция пользователя по применению, эксплуатации и установке на русском языке. Мы надеемся, она поможет вам решить возникшие у вас вопросы при эксплуатации техники.
Если остались вопросы, задайте их в комментариях после инструкции.
"Загружаем инструкцию", означает, что нужно подождать пока файл загрузится и можно будет его читать онлайн. Некоторые инструкции очень большие и время их появления зависит от вашей скорости интернета.

D-EIMAC00804-14EU – 86/209
unidade, como o antigelo e a proteção da baixa pressão,
deverão ser ajustados novamente.
12. Antes de isolar os tubos da água, controlar que não haja
vazamentos.
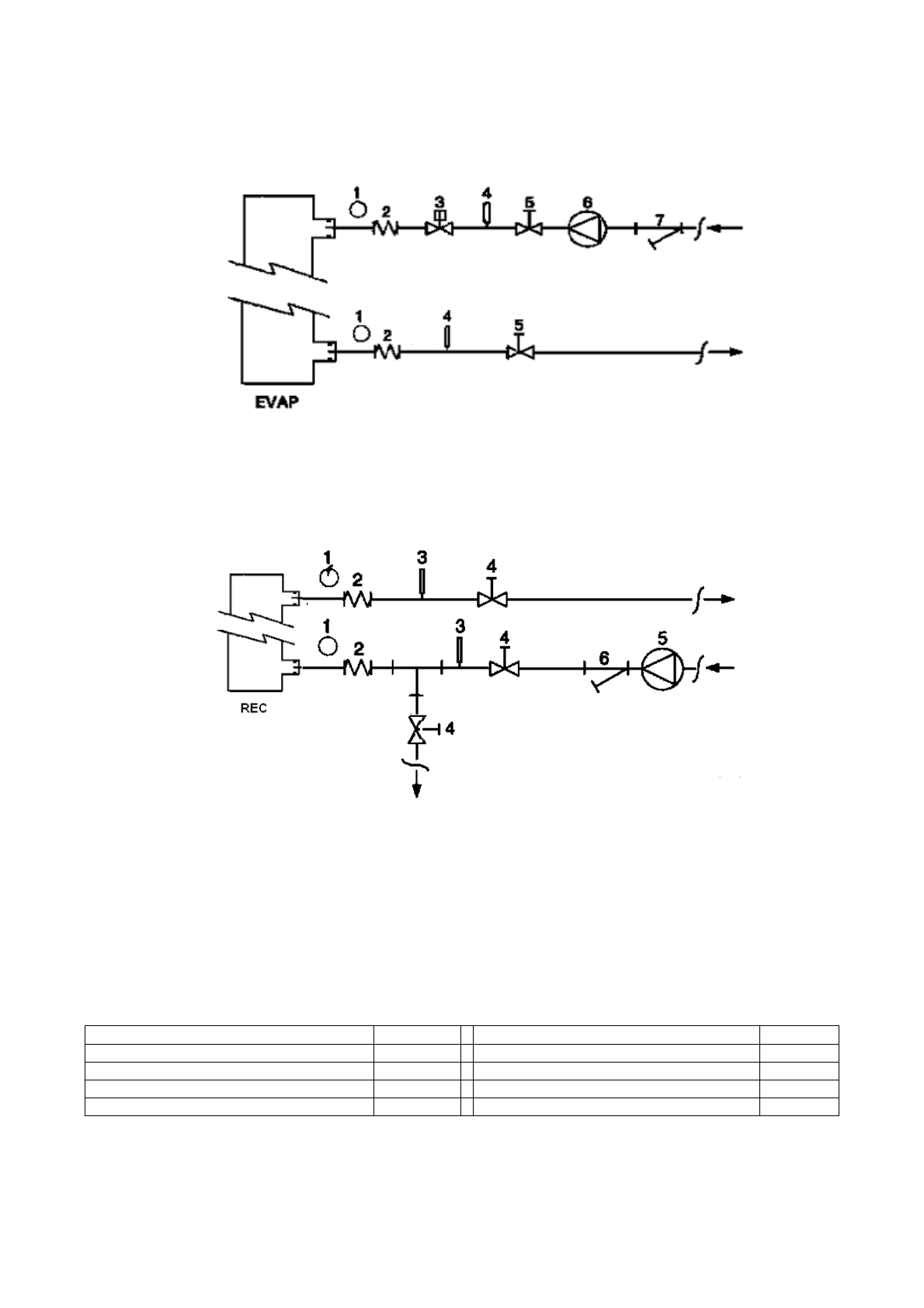
Figura 5 – Ligação dos tubos da água para o evaporador
1.
Manómetro
2.
Conector flexível
3.
Fluxóstato
4.
Sonda de temperatura
5.
Válvula de isolamento
6.
Bomba
7.
Filtro
Figura 6 - Ligação dos tubos da água para os cambiadores de recuperação de calor
1.
Manômetro
2.
Conector flexível
3.
Sonda de temperatura
4.
Válvula de isolamento
5.
Bomba
6.
Filtro
Tratamento da água
Antes de acionar a unidade limpar o circuito da água.
Sujidade, calcário, detritos de corrosão e outro material podem
depositar-se dentro do cambiador de calor reduzindo a sua
capacidade de troca térmica. Pode aumentar também a queda
de pressão, reduzindo o fluxo da água. Um tratamento
adequado da água pode, portanto, reduzir o risco de corrosão,
erosão, formação de calcário, etc. O tratamento da água mais
apropriado deve ser definido localmente, com base no tipo de
sistema e das características da água.
O fabricante não é responsável por danos ao equipamento ou
maus funcionamentos causados por falta de tratamento da
água ou tratamento inadequado.
Tabela 1 - Limites de qualidade da água aceitáveis
pH (25°C)
6,8
÷
8,0
Dureza total (mg CaCO
3
/ l)
<
200
Condutividade elétrica
µ
S/cm (25°C)
<
800
Ferro (mg Fe / l)
<
1,0
Ião cloreto (mg Cl
-
/ l)
<
200
Ião sulfato (mg S
2 -
/ l)
Nenhum
Ião sulfato (mg S
2
4
-
/ l)
<
200
Ião amónio (mg NH
4
+
/ l)
<
1,0
Alcalinidade (mg CaCO
3
/ l)
<
100
Sílica (mg SiO
2
/ l)
<
50