Кондиционеры Daikin EWAQ-F-SL - инструкция пользователя по применению, эксплуатации и установке на русском языке. Мы надеемся, она поможет вам решить возникшие у вас вопросы при эксплуатации техники.
Если остались вопросы, задайте их в комментариях после инструкции.
"Загружаем инструкцию", означает, что нужно подождать пока файл загрузится и можно будет его читать онлайн. Некоторые инструкции очень большие и время их появления зависит от вашей скорости интернета.

D-EIMAC00804-14EU – 76/209
µονάδες
προστασίας
των
συστηµάτων
,
όπως
το
αντιψυκτικό
και
η
προστασία
χαµηλής
πίεσης
θα
πρέπει
να
αναπροσαρµοστούν
.
12.
Πριν
µονώσετε
τις
σωληνώσεις
νερού
,
βεβαιωθείτε
ότι
δεν
υπάρχουν
διαρροές
.
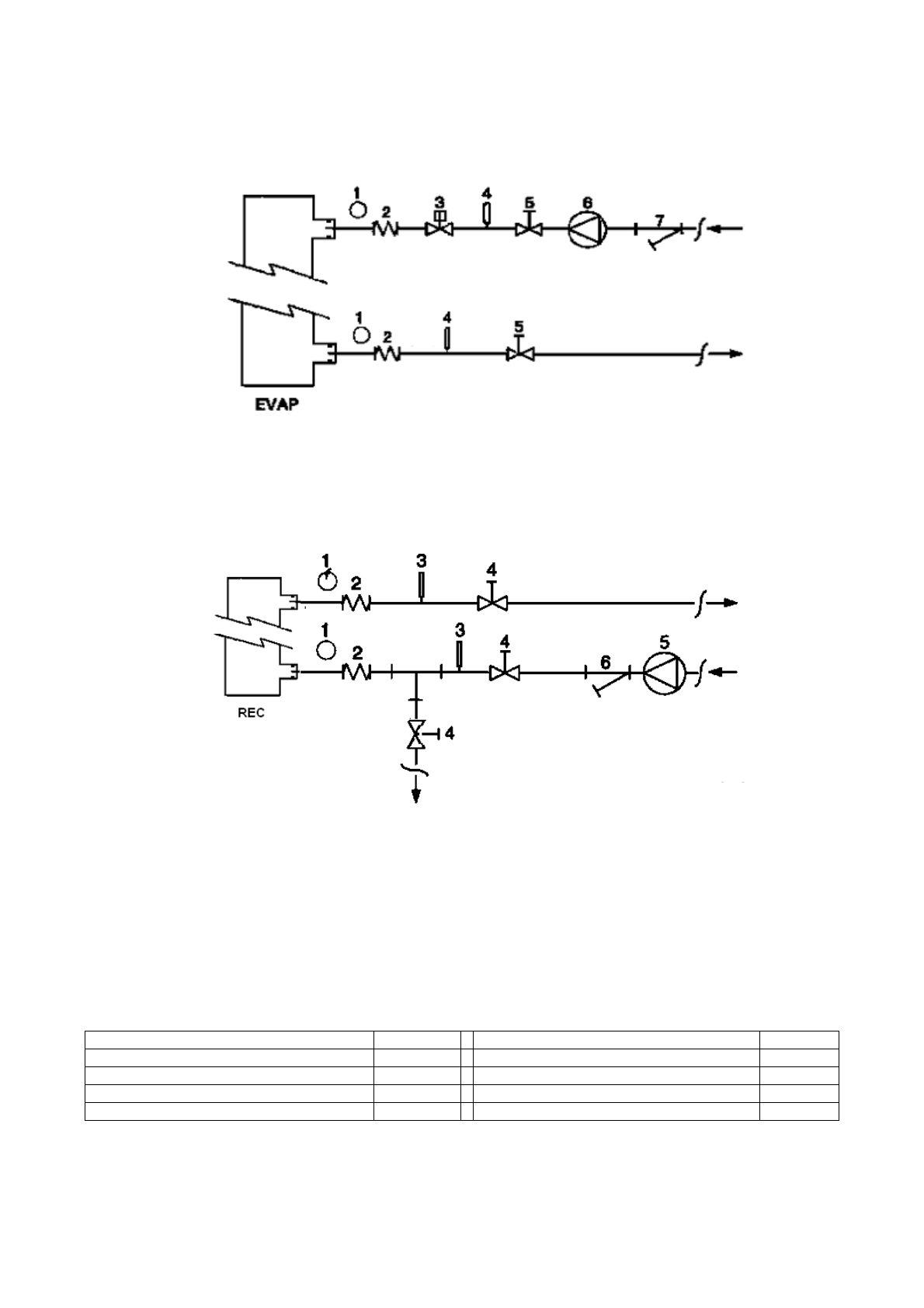
Σχέδιο
5 -
Σύνδεση
σωληνώσεων
νερού
για
εξατµιστή
1.
Μανόµετρο
2.
Ευέλικτη
σύνδεση
3.
∆ιακόπτης
ροής
4.
Αισθητήρας
θερµοκρασίας
5.
Βαλβίδα
Αποµόνωσης
6.
Αντλία
7.
Φίλτρο
Σχέδιο
6 -
Σύνδεση
σωληνώσεων
νερού
για
εναλλάκτες
ανάκτησης
θερµότητας
1.
Μανόµετρο
2.
Ευέλικτη
σύνδεση
3.
Αισθητήρας
θερµοκρασίας
4.
Βαλβίδα
Αποµόνωσης
5.
Αντλία
6.
Φίλτρο
Επεξεργασία
νερού
Πριν
θέσετε
σε
λειτουργία
τη
µονάδα
,
καθαρίστε
το
κύκλωµα
νερού
.
Βρωµιά
,
πουρί
,
κατάλοιπα
διάβρωσης
και
άλλα
υλικά
µπορεί
να
συσσωρευτούν
µέσα
στον
εναλλάκτη
θερµότητας
και
να
µειώσουν
την
ικανότητα
εναλλαγής
θερµότητας
.
Η
πίεση
µπορεί
επίσης
να
αυξηθεί
,
µειώνοντας
έτσι
τη
ροή
του
νερού
.
Η
κατάλληλη
επεξεργασία
του
νερού
µειώνει
ωστόσο
τον
κίνδυνο
διάβρωσης
,
πουρί
,
κλπ
.
Η
καταλληλότερη
επεξεργασία
νερού
θα
πρέπει
να
καθορίζεται
τοπικά
,
σύµφωνα
µε
τον
τύπο
του
συστήµατος
και
τα
χαρακτηριστικά
του
νερού
.
Ο
κατασκευαστής
δεν
ευθύνεται
για
ζηµιές
ή
δυσλειτουργίες
του
εξοπλισµού
λόγω
ελλιπούς
ή
ακατάλληλης
επεξεργασίας
του
νερού
.
Πίνακας
1 -
Αποδεκτά
όρια
ποιότητας
του
νερού
pH (25°C)
6,8
÷
8,0
Ολική
Σκληρότητα
(mg CaCO
3
/ l)
<
200
Ηλεκτρική
αγωγιµότητα
µ
S/cm (25°C)
<
800
Σίδηρος
(mg Fe / l)
<
1.0
Ιόν
χλωρίου
(mg CaCO
3
/ l)
<
200
Θειούχο
ιόν
(mg CaCO
3
/ l)
Κανένα
Θειικό
ιόν
(mg SO
2
4
-
/ l)
<
200
Ιόν
αµµωνίου
(mg NH
4
+
/ l)
<
1.0
Αλκαλικότητα
(mg CaCO
3
/ l)
<
100
Πυρίτιο
(mg CaCO
2
/ l)
<
50