Кондиционеры Daikin EWAQ-F-SL - инструкция пользователя по применению, эксплуатации и установке на русском языке. Мы надеемся, она поможет вам решить возникшие у вас вопросы при эксплуатации техники.
Если остались вопросы, задайте их в комментариях после инструкции.
"Загружаем инструкцию", означает, что нужно подождать пока файл загрузится и можно будет его читать онлайн. Некоторые инструкции очень большие и время их появления зависит от вашей скорости интернета.

D-EIMAC00804-14EU – 26/209
wie Gefrierschutz und Niederdruckschutz müssen neu
eingestellt werden.
12. Bevor die Wasserrohre isoliert werden, überprüfen, dass keine
Lecks vorhanden sind.
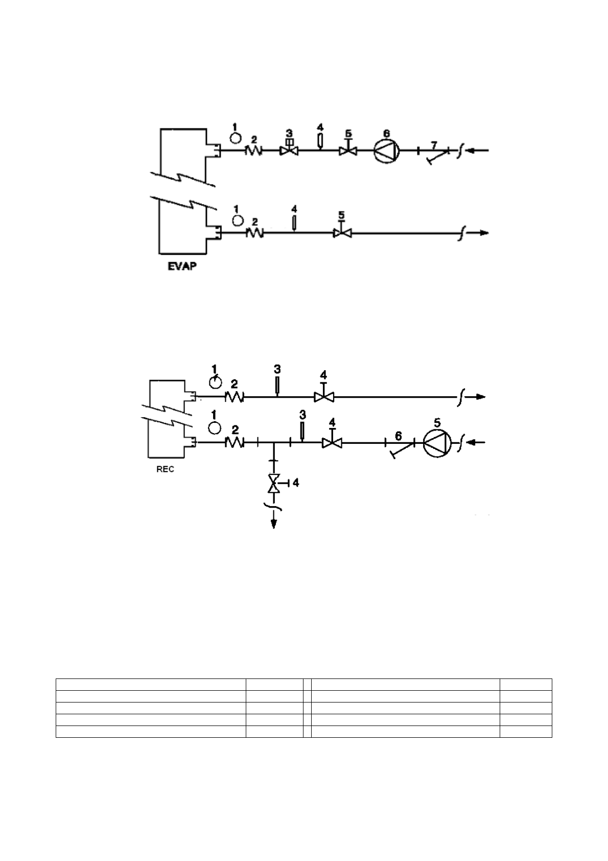
Abbildung 5 - Wasserrohranschluss für den Verdampfer
1.
Druckmesser
2.
Flexibler Anschluss
3.
Durchflussregler
4.
Temperaturfühler
5.
Isolierventil
6.
Pumpe
7.
Filter
Abbildung 6 - Wasserrohranschluss für Wärmerückgewinnungstauscher
1.
Druckmesser
2.
Flexibler Anschluss
3.
Temperaturfühler
4.
Isolierventil
5.
Pumpe
6.
Filter
Wasseraufbereitung
Bevor die Einheit in Betrieb genommen wird, den
Wasserkreislauf reinigen. Schmutz, Kesselstein,
Korrosionsablagerungen und andere Materialien können sich
in dem Wärmerückgewinnungstauscher ansammeln und seine
Wärmetauschleistung verringern. Druckabfall kann ebenso
zunehmen und somit den Wasserdurchfluss verringern. Eine
angemessene Wasseraufbereitung reduziert daher das Risiko
von Korrosion, Kesselsteinbildung usw. Die geeignetste
Wasseraufbereitung muss vor Ort entschieden werden, je
nach Systemart und Wassereigenschaften.
Der Hersteller ist nicht verantwortlich für Schäden an dem
Gerät, wenn keine oder eine unzureichende
Wasseraufbereitung vorgenommen wird.
Tabelle 1 - Annehmbare Grenzen Wasserqualität
pH (25°C)
6,8
÷
8,0
Gesamthärte (mg CaCO
3
/ l)
<
200
Elektrische Leitfähigkeit
µ
S/cm (25°C)
<
800
Eisen (mg Fe / l)
<
1.0
Chloridion (mg Cl
-
/ l)
<
200
Sulfidion (mg S
2 -
/ l)
Nichts
Sulfation-Ion (mg SO
2
4
-
/ l)
<
200
Ammonium-Ion (mg NH
4
+
/ l)
<
1.0
Alkalinität (mg CaCO
3
/ l)
<
100
Siliciumdioxid (mg SiO
2
/ l)
<
50