Кондиционеры Daikin EWAQ-F-SL - инструкция пользователя по применению, эксплуатации и установке на русском языке. Мы надеемся, она поможет вам решить возникшие у вас вопросы при эксплуатации техники.
Если остались вопросы, задайте их в комментариях после инструкции.
"Загружаем инструкцию", означает, что нужно подождать пока файл загрузится и можно будет его читать онлайн. Некоторые инструкции очень большие и время их появления зависит от вашей скорости интернета.

D-EIMAC00804-14EU – 66/209
12. Prima di isolare i tubi dell’acqua, controllare che non vi siano
perdite.
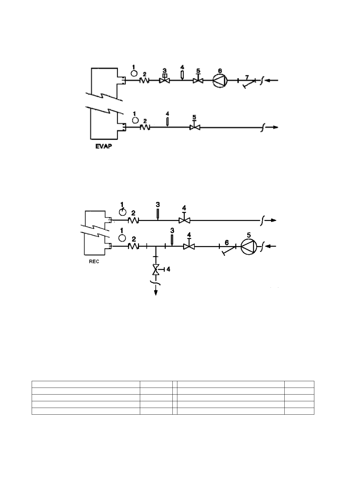
Figura 5 – Collegamento dei tubi dell’acqua per l’evaporatore
1.
Manometro
2.
Connettore flessibile
3.
Flussostato
4.
Sonda di temperatura
5.
Valvola di isolamento
6.
Pompa
7.
Filtro
Figura 6 - Collegamento dei tubi dell’acqua per gli scambiatori di recupero di calore
1.
Manometro
2.
Connettore flessibile
3.
Sonda di temperatura
4.
Valvola di isolamento
5.
Pompa
6.
Filtro
Trattamento dell’acqua
Prima di azionare l’unità, pulire il circuito dell’acqua. Sporco,
calcare, detriti da corrosione e altro materiale possono
accumularsi all’interno dello scambiatore di calore riducendole
la sua capacità di scambio termico. Può aumentare anche il
calo di pressione, riducendo il flusso dell’acqua. Un
trattamento adeguato dell’acqua può quindi ridurre il rischio di
corrosione, erosione, formazione di calcare ecc. Il trattamento
dell’acqua più appropriato deve essere stabilito localmente, in
base al tipo di sistema e alle caratteristiche dell’acqua.
Il produttore non è responsabile per danni all’apparecchiatura
o malfunzionamenti causati da mancato o improprio
trattamento dell’acqua.
Tabella 1 - Limiti di qualità dell'acqua accettabili
pH (25°C)
6,8
÷
8,0
Durezza totale (mg CaCO
3
/ l)
<
200
Conduttività elettrica
µ
S/cm (25°C)
<
800
Ferro (mg Fe / l)
<
1.0
Ione cloruro (mg Cl
-
/ l)
<
200
Ione solfuro (mg S
2 -
/ l)
Nessuno
Ione solfuro (mg S
2
4
-
/ l)
<
200
Ione ammonio (mg NH
4
+
/ l)
<
1.0
Alcalinità (mg CaCO
3
/ l)
<
100
Silice (mg SiO
2
/ l)
<
50