Кондиционеры Daikin EWAQ-F-SL - инструкция пользователя по применению, эксплуатации и установке на русском языке. Мы надеемся, она поможет вам решить возникшие у вас вопросы при эксплуатации техники.
Если остались вопросы, задайте их в комментариях после инструкции.
"Загружаем инструкцию", означает, что нужно подождать пока файл загрузится и можно будет его читать онлайн. Некоторые инструкции очень большие и время их появления зависит от вашей скорости интернета.

D-EIMAC00804-14EU – 106/209
11. Om glykol kommer till vattnet systemet som frysskydd
uppmärksamma det faktum att sugtrycket blir lägre,
enheten prestanda är lägre och vatten tryckfall kommer att
bli större. Alla enhetsnivå trygghetssystem, såsom anti-
freeze och låg tryck skydd kommer att behöva justeras.
12. Före att isolera vattenledningar kontrollera om det inte
finns några läckor.
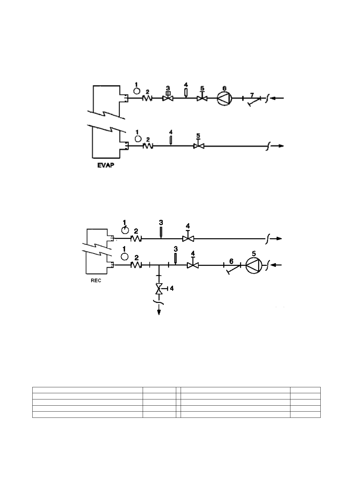
Figur 5 - Vattenledningar anslutning för förångare
1.Tryckmätare
2. Flexiblakopplingen
3. Flödeskopplaren
4. Temperatursond
5.Isolation Valve
6.Pumpa
7. Filter
Figur 6 - Vattenledningar anslutning för värmeväxlare för värmeåtervinning
1. tryckmätare
2. flexibla kopplingen
3. temperatursond
4. isoleringsventil
5. pumpa
6. filter
Vattenrening
Innan du sätter enheten i drift, rena vattnet kretsen. Smuts,
fjäll, korrosion och annat material kan ackumulera inuti
värmeväxlaren och minska dess värmeväxlande förmåga.
Tryckfall kan öka också, vilket minskar vattenflödet. Rätt
vattenrening minskar risken av korrosion, erosion, fjällning, etc.
Den lämpligaste vattenrening skall bestämmas lokalt,
beroende på egenskaper av system och vatten.
Tillverkaren ansvarar inte för skada av utrustning som orsakats
av vatten eller genom felaktigt behandlat vatten.
Tabell 1 - Acceptabel vattenkvalitet gränser
pH (25°C)
6,8
÷
8,0
Helt Hårdhet (mg CaCO
3
/ l)
<
200
Eelektrisk ledningsförmåga
µ
S/cm (25°C)
<
800
Järn (mg Fe / l)
<
1.0
Kloridjon (mg Cl
-
/ l)
<
200
Ssulfidjonkälla (mg S
2 -
/ l)
None
Sulfatjon (mg SO
2
4
-
/ l)
<
200
Ammoniumjon (mg NH
4
+
/ l)
<
1.0
Alkalinitet (mg CaCO
3
/ l)
<
100
Kiseldioxid (mg SiO
2
/ l)
<
50