Кондиционеры Daikin EWAQ-GZXR - инструкция пользователя по применению, эксплуатации и установке на русском языке. Мы надеемся, она поможет вам решить возникшие у вас вопросы при эксплуатации техники.
Если остались вопросы, задайте их в комментариях после инструкции.
"Загружаем инструкцию", означает, что нужно подождать пока файл загрузится и можно будет его читать онлайн. Некоторые инструкции очень большие и время их появления зависит от вашей скорости интернета.

D-EIMAC01109-14EU - 95/208
instalada. Antes de ativar a nova unidade aconselha-se
efetuar testes regulares e tratamentos químicos adequados
da água.
11.
Se o glicol for adicionado ao sistema hidráulico como, por
exemplo, proteção anticongelante, a pressão de aspiração
será inferior, com rendimentos também inferiores da
unidade e quedas maiores de pressão. Todos os sistemas
de proteção da unidade como o anti-congelamento, por
exemplo, e a proteção de baixa pressão devem ser
novamente regulados.
12.
Antes de isolar os tubos de água controlar se há
vazamentos.
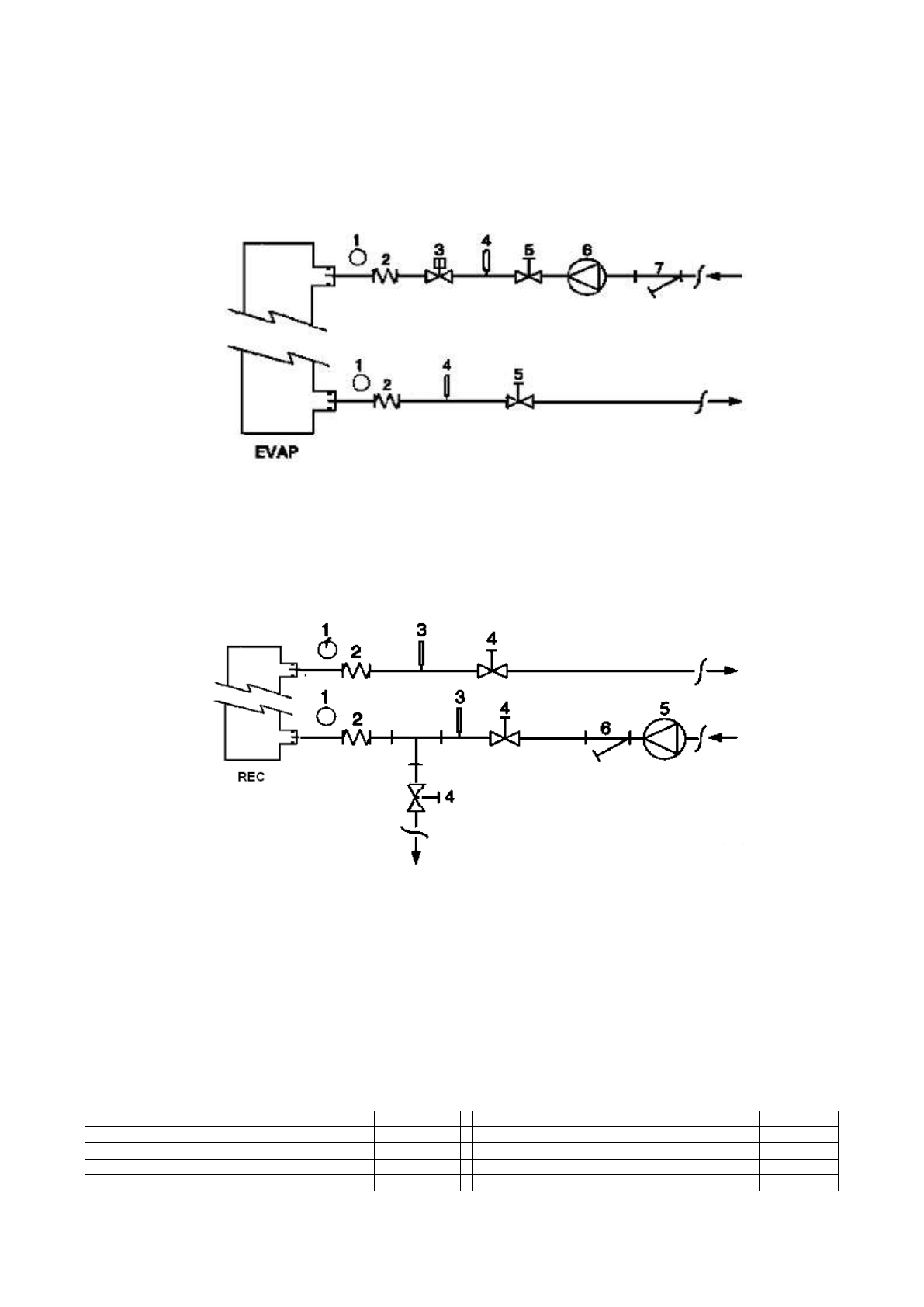
Рисунок 5 - Схема подключения гидравлических линий к испарителю
1.
Манометр
2.
Гибкое гидравлическое соединение
3.
Реле протока
4.
Датчик температуры
5.
Отсечной клапан
6.
Насос
7.
Фильтр
Рисунок 6 - Схема подключения гидравлических линий к теплообменникам
рекуперации тепла s
1.
Манометр
2.
Гибкое гидравлическое соединение
3.
Датчик температуры
4.
Отсечной клапан
5.
Насос
6.
Фильтр
Обработка воды
Перед вводом агрегата в эксплуатацию выполните очистку
гидравлического контура. Грязь, накипь, продукты
коррозии и другие инородные частицы могут скапливаться
в теплообменнике, ухудшая условия теплообмена, а также
приводя к увеличению сопротивления системы и
снижению расхода воды. Таким образом, надлежащая
водоподготовка уменьшает риск коррозии, эрозии и
образования накипи и т.д. Способ водоподготовки
определяется непосредственно на месте установки
агрегата, исходя из типа системы и характеристик
используемой воды.
Производитель не несет ответственность за повреждение
или неисправную работу оборудования, возникающие в
результате применения необработанной или неправильно
обработанной воды.
T
Таблица 1 - Допустимое содержание примесей в воде
pH (25°C)
6,8
8,0
Общая жесткость (мг CaCO
3
/ л)
200
Электропроводность
S/cm (25°C)
800
Железо (мг Fe / л)
1,0
Ионы хлора (мг Cl
-
/ л)
200
Ионы сульфида (мг S
2 -
/ л)
Отсутствует
Ионы сульфата (мг SO
2
4
-
/ л)
200
Ионы аммония (мг NH
4
+
/ л)
1,0
Щелочность (мг CaCO
3
/ л)
100
Двуокись кремния (мг SiO
2
/ л)
50
Содержание
- 88 Описание; электрическими схемами, сертифицированными; При получении агрегата; Хранение; Идентификация табличек
- 89 Рисунок 2 - Предельные рабочие значения; частичной
- 90 Техника безопасности; Руководства по; Шум
- 91 Рисунок 3 - Подъем агрегата
- 92 : Указания по подъему агрегата
- 93 Монтажная позиция; Требования к месту установки
- 95 Рисунок 5 - Схема подключения гидравлических линий к испарителю; рекуперации тепла s; Обработка воды; Таблица 1 - Допустимое содержание примесей в воде
- 96 Электрическая система; Указания общего характера; Эксплуатация агрегата; Обязанности оператора; Сервисное и гарантийное обслуживание
- 97 Срок службы; Таблица 2 - График проведения планового техобслуживания; Операции; Информация об используемом хладагенте; Утилизация