Кондиционеры Daikin EWAQ-GZXR - инструкция пользователя по применению, эксплуатации и установке на русском языке. Мы надеемся, она поможет вам решить возникшие у вас вопросы при эксплуатации техники.
Если остались вопросы, задайте их в комментариях после инструкции.
"Загружаем инструкцию", означает, что нужно подождать пока файл загрузится и можно будет его читать онлайн. Некоторые инструкции очень большие и время их появления зависит от вашей скорости интернета.

D-EIMAC01109-14EU - 85/208
unidade aconselha-se efetuar testes regulares e
tratamentos químicos adequados da água.
11. Se o glicol for adicionado ao sistema hidráulico
como, por exemplo, proteção anticongelante, a
pressão de aspiração será inferior, com rendimentos
também inferiores da unidade e quedas maiores de
pressão. Todos os sistemas de proteção da unidade
como o anti-congelamento, por exemplo, e a
proteção de baixa pressão devem ser novamente
regulados.
12. Antes de isolar os tubos de água controlar se há
vazamentos.
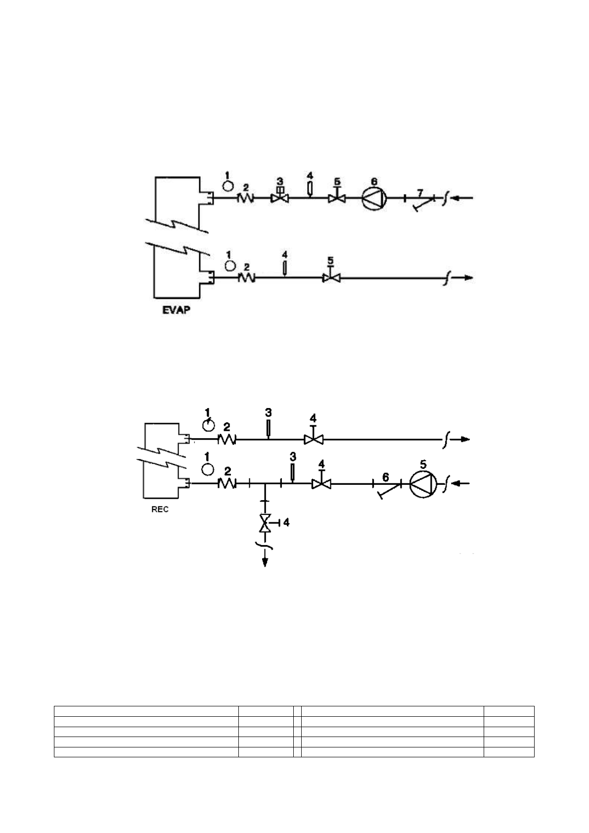
Figura 5 - Conexão dos tubos de água para o evaporador
1.
Manômetro
2.
Conector flexível
3.
Fluxóstato
4.
Sonda de temperatura
5.
Válvula de isolamento
6.
Bomba
7.
Filtro
Figura 6 - Conexão dos tubos de água para os permutadores de recuperação de calor
1.
Manômetro
2.
Conector flexível
3.
Sonda de temperatura
4.
Válvula de isolamento
5.
Bomba
6.
Filtro
Tratamento da água
Antes de acionar a unidade, limpar o circuito da água. A
sujeira, calcário, detritos de corrosão e outro material podem
acumular-se no interior do permutador de calor e reduzir a sua
capacidade de permuta térmica. Pode aumentar também a
queda de pressão, reduzindo, deste modo, o fluxo da água.
Um tratamento adequado da água pode reduzir o risco de
corrosão, erosão, formação de calcário, etc. O tratamento da
água mais apropriado deve ser estabelecido no local de
acordo com o tipo de sistema e características da água.
O fabricante não é responsável por eventuais danos ou mau
funcionamento da aparelhagem causado por ausência ou
inadequado tratamento da água.
Tabela 14 - Limites aceitáveis da qualidade da água
pH (25°C)
6,8
8,0
Dureza total (mg CaCO
3
/ l)
200
Condutividade elétrica
S/cm (25°C)
800
Ferro (mg Fe / l)
1,0
Ião cloreto (mg Cl
-
/ l)
200
Ião sulfeto (mg S
2 -
/ l)
Nenhuma
Ião sulfeto (mg SO
2
4
-
/ l)
200
Ião amónio (mg NH
4
+
/ l)
1,0
Alcalinidade (mg CaCO
3
/ l)
100
Silica (mg SiO
2
/ l)
50
Содержание
- 88 Описание; электрическими схемами, сертифицированными; При получении агрегата; Хранение; Идентификация табличек
- 89 Рисунок 2 - Предельные рабочие значения; частичной
- 90 Техника безопасности; Руководства по; Шум
- 91 Рисунок 3 - Подъем агрегата
- 92 : Указания по подъему агрегата
- 93 Монтажная позиция; Требования к месту установки
- 95 Рисунок 5 - Схема подключения гидравлических линий к испарителю; рекуперации тепла s; Обработка воды; Таблица 1 - Допустимое содержание примесей в воде
- 96 Электрическая система; Указания общего характера; Эксплуатация агрегата; Обязанности оператора; Сервисное и гарантийное обслуживание
- 97 Срок службы; Таблица 2 - График проведения планового техобслуживания; Операции; Информация об используемом хладагенте; Утилизация