Кондиционеры Daikin EWAQ-GZXR - инструкция пользователя по применению, эксплуатации и установке на русском языке. Мы надеемся, она поможет вам решить возникшие у вас вопросы при эксплуатации техники.
Если остались вопросы, задайте их в комментариях после инструкции.
"Загружаем инструкцию", означает, что нужно подождать пока файл загрузится и можно будет его читать онлайн. Некоторые инструкции очень большие и время их появления зависит от вашей скорости интернета.

D-EIMAC01109-14EU - 45/208
installeren. Vooraleer de nieuwe groep op te starten,
is het aangeraden om het water te testen en met
geschikte chemische middelen te behandelen.
11. Wanneer er glycol aan het hydraulische systeem
wordt toegevoegd als antivriesbescherming, moet
men erop letten dat de aanzuigdruk lager zal zijn, de
prestaties van de groep zullen immers minder zijn en
de
drukschommelingen
groter.
Alle
beschermingssystemen van de groep zoals de
antivries en de bescherming lage druk moeten
opnieuw worden afgesteld.
12. Controleer of er geen lekken zijn vooraleer de
waterleidingen te isoleren.
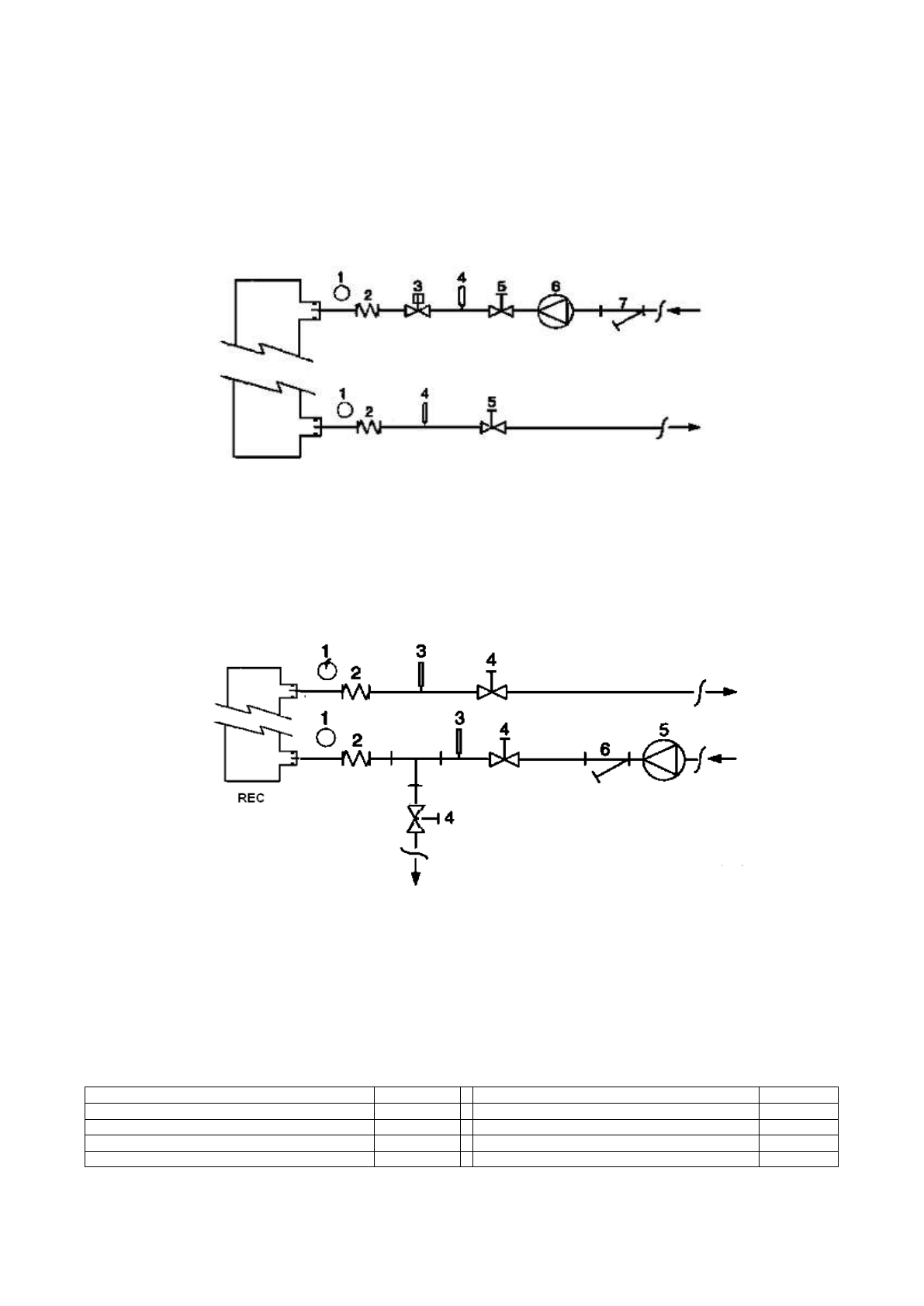
Figuur 5 - Aansluiting van de waterleidingen
Voor de verdamper
1.
Manometer
2.
Flexibele connector
3.
Debietregelaar
4.
Temperatuursonde
5.
6.
Afsluitklep
7.
Pomp
8.
Filter
Figuur 6 - Aansluiting van de waterleidingen voor de warmtewisselaars voor
warmterecuperati
1.
Manometer
2.
Flexibele connector
3.
Temperatuursonde
4.
5.
Afsluitklep
6.
Pomp
7.
Filter
Behandeling van het water
Vooraleer de groep te bedienen moet men het watercircuit
schoonmaken. Vuil, kalk, corrosieaanslag en ander materiaal kunnen
zich in de warmtewisselaar ophopen en op die manier de capaci teit
voor warmte-uitwisseling verminderen. De drukschommeling kan ook
vergroten, waardoor het debiet van het water vermindert. Een geschikte
behandeling van het water kan daarom het risico op corrosie,
aftakeling, kalkvorming enz. verminderen. De meest geschikte
behandeling van het water moet ter plaatse worden bepaald op basis
van het type systeem en de eigenschappen van het water.
De fabrikant is niet verantwoordelijk voor eventuele schade of slechte
werking van het toestel veroorzaakt door geen of ongeschikte
behandeling van het water
.
Tabel 6 - Aanvaardbare kwaliteitslimieten van het water
pH (25°C)
6,8
8,0
Totale hardheid
(mg CaCO
3
/ l)
200
Elektrisch geleidingsvermogen
S/cm (25°C)
800
Ijzer
(mg Fe / l)
1,0
Chloride-ion (mg Cl
-
/ l)
200
Zwavelion
(mg S
2 -
/ l)
Geen
Sulfaation (mg SO
2
4
-
/ l)
200
Ammoniumion
(mg NH
4
+
/ l)
1,0
Alkaliciteit (mg CaCO
3
/ l)
100
Kiezelzuur
(mg SiO
2
/ l)
50
Содержание
- 88 Описание; электрическими схемами, сертифицированными; При получении агрегата; Хранение; Идентификация табличек
- 89 Рисунок 2 - Предельные рабочие значения; частичной
- 90 Техника безопасности; Руководства по; Шум
- 91 Рисунок 3 - Подъем агрегата
- 92 : Указания по подъему агрегата
- 93 Монтажная позиция; Требования к месту установки
- 95 Рисунок 5 - Схема подключения гидравлических линий к испарителю; рекуперации тепла s; Обработка воды; Таблица 1 - Допустимое содержание примесей в воде
- 96 Электрическая система; Указания общего характера; Эксплуатация агрегата; Обязанности оператора; Сервисное и гарантийное обслуживание
- 97 Срок службы; Таблица 2 - График проведения планового техобслуживания; Операции; Информация об используемом хладагенте; Утилизация