Кондиционеры Daikin EWAQ-GZXR - инструкция пользователя по применению, эксплуатации и установке на русском языке. Мы надеемся, она поможет вам решить возникшие у вас вопросы при эксплуатации техники.
Если остались вопросы, задайте их в комментариях после инструкции.
"Загружаем инструкцию", означает, что нужно подождать пока файл загрузится и можно будет его читать онлайн. Некоторые инструкции очень большие и время их появления зависит от вашей скорости интернета.

D-EIMAC01109-14EU - 115/208
11.
Hvis man har fylt glykol i vannet for å hindre at
dette fryser, må man være oppmerksom på at
sugetrykket vil være lavere. Enheten vil yte
mindre og tap av vanntrykk vil være større. Alle
enhetens vernesystem, som frostvæsken, og
lavtrykksvern må reguleres på nytt.
12.
Før man isolerer vannledningene må man
kontrollere at det ikke finnes lekkasje.
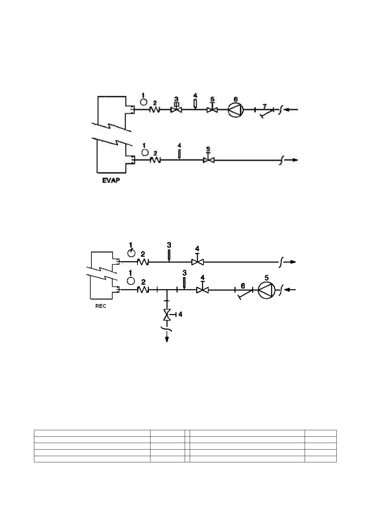
Figur 5 - Forbindelse av vannledninger for evaporator
1.
Manometer
2.
Fleksibelt forbindelsesstykke
3.
Strømningsvakt
4.
Temperaturføler
5.
Avstengningsventil
6.
Pumpe
7.
Filter
Figur 6 - Forbindelse av vannledninger for vekslere for varmegjenvinning
1.
Manometer
2.
Fleksibelt forbindelsesstykke
3.
Temperaturføler
4.
Avstengningsventil
5.
Pumpe
6.
Filter
Vannbehandling
Før man aktiverer enheten må vannkretsløpet renses. Skit,
kjelstein, korrosjonsavfall og andre materialer kan samle seg
inne i varmeveksleren og redusere dens kapasitet når det
gjelder varmeveksling. Det kan også forekomme trykktap, med
redusert
vannstrømning
som
følge.
En
skikkelig
vannbehandling reduserer derfor faren for korrosjon, erosjon,
kjelstein, osv. Hvilken vannbehandling som egner seg best
avhenger av type system og egenskapene til vannet hvor
enheten anvendes.
Produsenten kan ikke holdes ansvarlig for skader på eller en
eventuell feilfunksjon av utstyret grunnet en feil eller uegnet
behandling av vannet.
Tabell 16 - Akseptable grenser for vannets kvalitet
pH (25°C)
6,8
8,0
Total hardhet (mg CaCO
3
/ l)
200
Elektrisk ledningsevne
S/cm (25 °C)
800
Jern (mg Fe / l)
1,0
Klorid-ion (mg Cl
-
/ l)
200
Sulfid-ion (mg S
2 -
/ l)
Ingen
Sulfat-ion (mg SO
2
4
-
/ l)
200
Ammonium-ion (mg NH
4
+
/ l)
1,0
Alkali (mg CaCO
3
/ l)
100
Silika (mg SiO
2
/ l)
50
Содержание
- 88 Описание; электрическими схемами, сертифицированными; При получении агрегата; Хранение; Идентификация табличек
- 89 Рисунок 2 - Предельные рабочие значения; частичной
- 90 Техника безопасности; Руководства по; Шум
- 91 Рисунок 3 - Подъем агрегата
- 92 : Указания по подъему агрегата
- 93 Монтажная позиция; Требования к месту установки
- 95 Рисунок 5 - Схема подключения гидравлических линий к испарителю; рекуперации тепла s; Обработка воды; Таблица 1 - Допустимое содержание примесей в воде
- 96 Электрическая система; Указания общего характера; Эксплуатация агрегата; Обязанности оператора; Сервисное и гарантийное обслуживание
- 97 Срок службы; Таблица 2 - График проведения планового техобслуживания; Операции; Информация об используемом хладагенте; Утилизация