Кондиционеры Daikin EWAQ-GZXR - инструкция пользователя по применению, эксплуатации и установке на русском языке. Мы надеемся, она поможет вам решить возникшие у вас вопросы при эксплуатации техники.
Если остались вопросы, задайте их в комментариях после инструкции.
"Загружаем инструкцию", означает, что нужно подождать пока файл загрузится и можно будет его читать онлайн. Некоторые инструкции очень большие и время их появления зависит от вашей скорости интернета.

D-EIMAC01109-14EU - 35/208
10. En cas de remplacement de l'unité, tout le système
hydraulique doit être vidé et nettoyé avant d'installer
la nouvelle unité. Avant de mettre en marche la
nouvelle unité, il est conseillé d'effectuer les tests
habituels et les traitements chimiques appropriés de
l'eau.
11. Si du glycol est ajouté comme antigel au système
hydraulique, faire attention à ce que la pression
d'aspiration
soit
plus
basse;
en
effet,
les
performances de l’unité seront inférieures et les
chutes de pression plus importantes. Tous les
systèmes de protection de l'unité tels que l'antigel et
la protection de basse pression devront de nouveau
être réglés.
12. Avant d'isoler les tuyaux de l'eau, s'assurer de
l'absence de fuites.
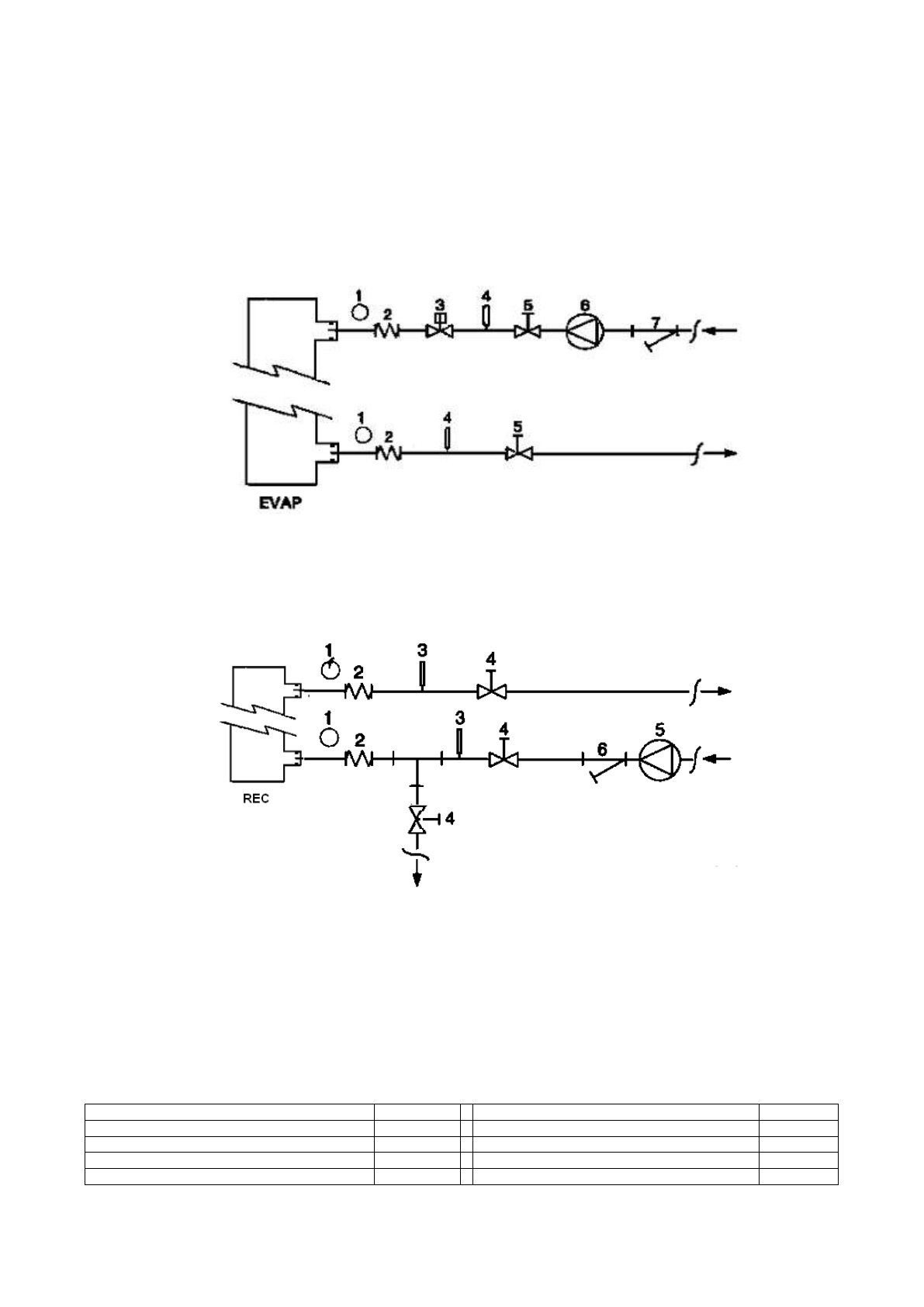
Figure 5 - Raccordement des tuyaux de l'eau pour l'évaporateur
1.
Manomètre
2.
Connecteur flexible
3.
Fluxostat
4.
Sonde de température
5.
Vanne d'isolement
6.
Pompe
7.
Filtre
Figure 6 - Raccordement des tuyaux d'eau pour les échangeurs de récupération de chaleur
1.
Pressure Gauge
2.
Flexible connector
3.
Temperature probe
4.
Vanne d'isolement
5.
Pompe
6.
Filtre
Traitement de l'eau
Avant de mettre l'unité en marche, nettoyer le circuit de l'eau. La saleté, le
calaciare, les résidus de corrosion et d'autres éléments sont susceptibles
de s'accumuler dans l'échangeur de chaleur, réduisant sa capacité
d'échange thermique. Ceci peut également augmenter la chute de
pression, en réduisant le flux de l'eau. Un traitement approprié de l'eau
peut donc réduire le risque de corrosion, d'érosion, de formation de
calcaire, etc. Le traitement de l'eau le plus approprié doit être déterminé
localement, en fonction du type de système et des caractéristiques de
l'eau.
Le producteur n'est pas responsable des éventuels dommages ou
dysfonctionnements de l'appareil causés par l'absence ou la nature
inappropriée du traitement de l'eau.
Tableau 4 - Limites acceptables de la qualité de l'eau
pH (25°C)
6,8
8,0
Dureté totale (mg CaCO
3
/ l)
200
Conductivité électrique
S/cm (25°C)
800
Fer (mg Fe / l)
1,0
Ion chlorure (mg Cl
-
/ l)
200
Ion sulfure (mg S
2 -
/ l)
Aucun
Ion solfate (mg SO
2
4
-
/ l)
200
Ion ammonium (mg NH
4
+
/ l)
1,0
Alcalinité (mg CaCO
3
/ l)
100
Silice (mg SiO
2
/ l)
50
Содержание
- 88 Описание; электрическими схемами, сертифицированными; При получении агрегата; Хранение; Идентификация табличек
- 89 Рисунок 2 - Предельные рабочие значения; частичной
- 90 Техника безопасности; Руководства по; Шум
- 91 Рисунок 3 - Подъем агрегата
- 92 : Указания по подъему агрегата
- 93 Монтажная позиция; Требования к месту установки
- 95 Рисунок 5 - Схема подключения гидравлических линий к испарителю; рекуперации тепла s; Обработка воды; Таблица 1 - Допустимое содержание примесей в воде
- 96 Электрическая система; Указания общего характера; Эксплуатация агрегата; Обязанности оператора; Сервисное и гарантийное обслуживание
- 97 Срок службы; Таблица 2 - График проведения планового техобслуживания; Операции; Информация об используемом хладагенте; Утилизация