Кондиционеры Daikin EWAQ-GZXR - инструкция пользователя по применению, эксплуатации и установке на русском языке. Мы надеемся, она поможет вам решить возникшие у вас вопросы при эксплуатации техники.
Если остались вопросы, задайте их в комментариях после инструкции.
"Загружаем инструкцию", означает, что нужно подождать пока файл загрузится и можно будет его читать онлайн. Некоторые инструкции очень большие и время их появления зависит от вашей скорости интернета.

D-EIMAC01109-14EU - 175/208
beindítása előtt ajánlatos a vizet a megfelelő módon
kezelni és a szokásos vizsgálatokat elvégezni.
11. Ha a vízvezetékbe fagyállóként glikolt önt, ügyeljen
arra, hogy az elszívónyomást csökkentse; a
berendezés teljesítménye csökken, és a nyomás
esés nő. A gép minden biztonsági renszerét, pl.
fagyálló és a kis nyomás elleni védelem újra be kell
állítani.
12. A vízve
zetékek szigetelése előtt ellenőrizze, hogy a
vezeték nem folyik-e.
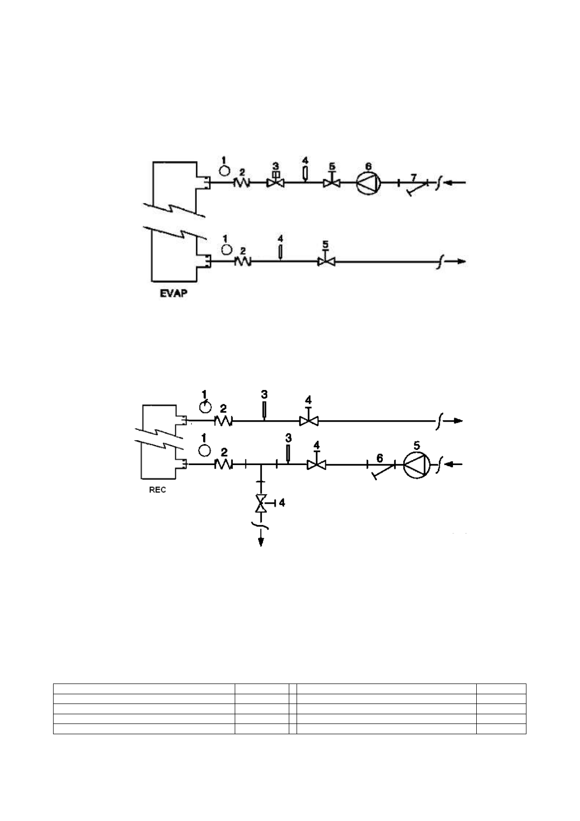
Figure 5 -
Conectarea tuburilor de apă la vaporizator
1.
Manometru
2.
Conector flexibil
3.
Indicator de debit
4.
Sondă de temperatură
5.
Valvă de izolare
6.
Pompă
7.
Filtru
Figure 6 - Conectarea tubu
rilor de apă pentru schimbătoarele de recuperare a căldurii
7.
Pressure Gauge
8.
Flexible connector
9.
Temperature probe
10. Isolation Valve
11. Pump
12. Filter
Tratarea apei
Înainte de a pune în funcţiune unitatea, curăţaţi circuitul de
apă. Murdăria, calcarul, resturile datorate corodării şi alte
materiale care se pot acumula în interiorul schimbătorului de
căldură reducând capacitatea de schimb termic a acestuia.
Poate duce şi la reducerea presiunii, reducând fluxul de apă.
Tratamentul adecvat al apei poate reduce riscul de coroziune,
eroziune şi formare a calcarului etc. Tratamentul adecvat al
apei trebuie stabilit local, în funcţie de tipul sistemului şi
caracteristicilor apei.
Producătorul nu este responsabil de eventuale daune sau
defecte ale aparatului datorate lipsei sau tratamentului
neadecvat al apei.
Tabel 17 -
Limite acceptabile ale calităţii apei
pH (25°C)
6,8
8,0
Duritate totală (mg CaCO
3
/ l)
200
Conductivitate electrică
S/cm (25°C)
800
Fier (mg Fe / l)
1,0
Ion clorură (mg Cl
-
/ l)
200
Ion sulfură (mg S
2 -
/ l)
Niciunul
Ion sulfură (mg SO
2
4
-
/ l)
200
Ion amoniu (mg NH
4
+
/ l)
1,0
Alcalinitate (mg CaCO
3
/ l)
100
Siliciu (mg SiO
2
/ l)
50
Содержание
- 88 Описание; электрическими схемами, сертифицированными; При получении агрегата; Хранение; Идентификация табличек
- 89 Рисунок 2 - Предельные рабочие значения; частичной
- 90 Техника безопасности; Руководства по; Шум
- 91 Рисунок 3 - Подъем агрегата
- 92 : Указания по подъему агрегата
- 93 Монтажная позиция; Требования к месту установки
- 95 Рисунок 5 - Схема подключения гидравлических линий к испарителю; рекуперации тепла s; Обработка воды; Таблица 1 - Допустимое содержание примесей в воде
- 96 Электрическая система; Указания общего характера; Эксплуатация агрегата; Обязанности оператора; Сервисное и гарантийное обслуживание
- 97 Срок службы; Таблица 2 - График проведения планового техобслуживания; Операции; Информация об используемом хладагенте; Утилизация