Кондиционеры Daikin EWAQ-GZXR - инструкция пользователя по применению, эксплуатации и установке на русском языке. Мы надеемся, она поможет вам решить возникшие у вас вопросы при эксплуатации техники.
Если остались вопросы, задайте их в комментариях после инструкции.
"Загружаем инструкцию", означает, что нужно подождать пока файл загрузится и можно будет его читать онлайн. Некоторые инструкции очень большие и время их появления зависит от вашей скорости интернета.

D-EIMAC01109-14EU - 65/208
11.
Qualora si aggiunga al sistema idraulico del glicole per
fornire una protezione antigelo, si sappia che la
pressione di aspirazione sarà più bassa, le prestazioni
dell’unità inferiori e i cali di pressione maggiori. Sarà
necessario inoltre regolare nuovamente tutti i sistemi di
protezione dell’unità, come l’antigelo e il dispositivo per
contrastare la bassa pressione.
12.
Prima di isolare i tubi dell’acqua, controllare che non vi
siano perdite
.
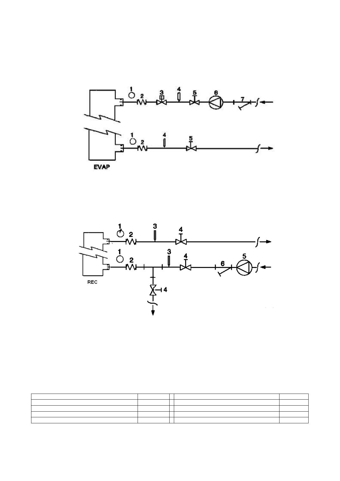
Figura 5 -
Collegamento dei tubi dell’acqua per l’evaporatore
1.
Manometro
2.
Connettore flessibile
3.
Flussostato
4.
Sonda di temperatura
5.
Valvola di isolamento
6.
Pompa
7.
Filtro
Figura 6 -
Collegamento dei tubi dell’acqua per gli scambiatori di recupero di calore
1.
Manometro
2.
Connettore flessibile
3.
Sonda di temperatura
4.
Valvola di isolamento
5.
Pompa
6.
Filtro
Trattamento dell’acqua
Prima di azionare l’unità pulire il circuito idraulico. Sporco, calcare,
detriti da corrosione e altro materiale possono accumularsi
all’interno dello scambiatore di calore riducendone la capacità di
scambio termico. Può verificarsi anche un aumento del calo
pressione, con conseguente riduzione del flusso dell’acqua. Un
trattamento adeguato dell’acqua può quindi ridurre il rischio di
corrosione, erosione, formazione di calcare ecc. E’ necessario
scegliere il trattamento più adeguato in loco, considerando il tipo di
sistema e le caratteristiche dell’acqua.
Il produttore non sarà responsabile per eventuali danni o
malfun
zionamenti dell’apparecchiatura causati da mancato o
improprio trattamento dell’acqua
.
Tabella 10 -
Limiti di qualità dell’acqua accettabili
pH (25°C)
6,8
8,0
Durezza totale (mg CaCO
3
/ l)
200
Conduttività elettrica
S/cm (25°C)
800
Ferro (mg Fe / l)
1,0
Ione cloruro (mg Cl
-
/ l)
200
Ione solfuro (mg S
2 -
/ l)
Nessuno
Ione solfato (mg SO
2
4
-
/ l)
200
Ione ammonio (mg NH
4
+
/ l)
1,0
Alcalinità (mg CaCO
3
/ l)
100
Silice (mg SiO
2
/ l)
50
Содержание
- 88 Описание; электрическими схемами, сертифицированными; При получении агрегата; Хранение; Идентификация табличек
- 89 Рисунок 2 - Предельные рабочие значения; частичной
- 90 Техника безопасности; Руководства по; Шум
- 91 Рисунок 3 - Подъем агрегата
- 92 : Указания по подъему агрегата
- 93 Монтажная позиция; Требования к месту установки
- 95 Рисунок 5 - Схема подключения гидравлических линий к испарителю; рекуперации тепла s; Обработка воды; Таблица 1 - Допустимое содержание примесей в воде
- 96 Электрическая система; Указания общего характера; Эксплуатация агрегата; Обязанности оператора; Сервисное и гарантийное обслуживание
- 97 Срок службы; Таблица 2 - График проведения планового техобслуживания; Операции; Информация об используемом хладагенте; Утилизация