Кондиционеры Daikin EWAQ-GZXR - инструкция пользователя по применению, эксплуатации и установке на русском языке. Мы надеемся, она поможет вам решить возникшие у вас вопросы при эксплуатации техники.
Если остались вопросы, задайте их в комментариях после инструкции.
"Загружаем инструкцию", означает, что нужно подождать пока файл загрузится и можно будет его читать онлайн. Некоторые инструкции очень большие и время их появления зависит от вашей скорости интернета.

D-EIMAC01109-14EU - 169/208
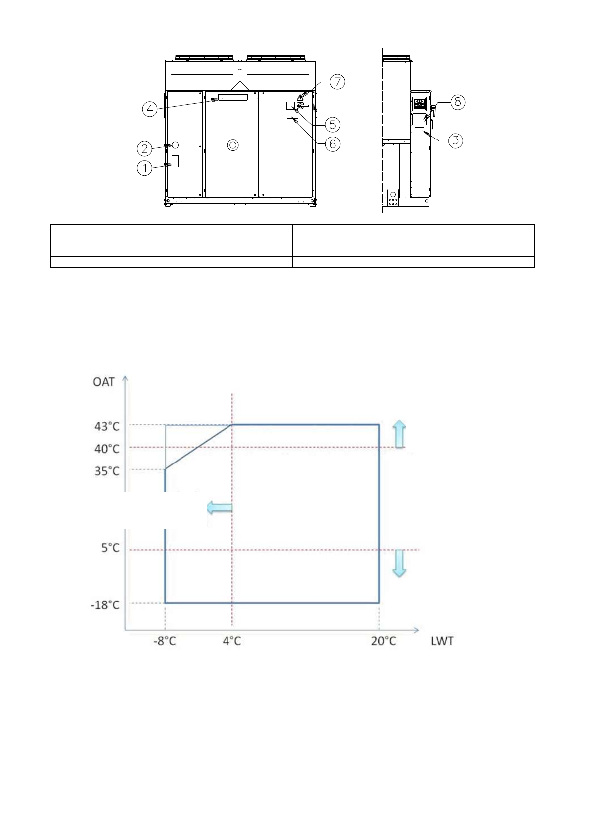
Identificarea etichetei
Figure 16 - Limite operative
Leaving Water temperature (°C)
Notă
Ilustraţiile de mai sus reprezintă un ghid referitor la limitele de funcţionare ale intervalului. Vă rugăm să consultaţi Chil ler Selection
Software (CSS) (Software de selectare a condensatorului răcit cu aer) pentru condiţiile de funcţionare reale aferente fiecăre i
dimensiuni.
Legendă
Temperatură ambientală (°C)
= Temperatura aerului la admisia condensatorului (°C)
Temperatură apei de parcurs (°C)
= Temperatura apei care pleacă din vaporizator (°C)
1
– Simbol gaz neinflamabil
5
– Atenţie protecţie cabluri
2
– Tip gaz
6
– Atenţie tensiune periculoasă
3
– Date plăcuţă identificare unitate
7
– Simbol pericol electric
4
– Logo producător
8
– Instrucţiuni pentru ridicare
Tem
per
a
tu
ra
a
mbie
nt
a
lă
(°C
)
Temperatură apei de parcurs (°C)
Chiller-ul
poate
opera
la
capacitate parţială
Opțiune
de
încărcare
a
fundalului necesară
Opțiune de glicol
nec
esară
Содержание
- 88 Описание; электрическими схемами, сертифицированными; При получении агрегата; Хранение; Идентификация табличек
- 89 Рисунок 2 - Предельные рабочие значения; частичной
- 90 Техника безопасности; Руководства по; Шум
- 91 Рисунок 3 - Подъем агрегата
- 92 : Указания по подъему агрегата
- 93 Монтажная позиция; Требования к месту установки
- 95 Рисунок 5 - Схема подключения гидравлических линий к испарителю; рекуперации тепла s; Обработка воды; Таблица 1 - Допустимое содержание примесей в воде
- 96 Электрическая система; Указания общего характера; Эксплуатация агрегата; Обязанности оператора; Сервисное и гарантийное обслуживание
- 97 Срок службы; Таблица 2 - График проведения планового техобслуживания; Операции; Информация об используемом хладагенте; Утилизация