Кондиционеры Daikin EWAQ-GZXR - инструкция пользователя по применению, эксплуатации и установке на русском языке. Мы надеемся, она поможет вам решить возникшие у вас вопросы при эксплуатации техники.
Если остались вопросы, задайте их в комментариях после инструкции.
"Загружаем инструкцию", означает, что нужно подождать пока файл загрузится и можно будет его читать онлайн. Некоторые инструкции очень большие и время их появления зависит от вашей скорости интернета.

D-EIMAC01109-14EU - 155/208
11.
Kada god se glikol doda u hidraulični krug kao
zaštita od leda, pripazite da pritisak usisa bude što
niži, time će i performance cjeline biti slabiji a pad
pritiska veći.Svi sustavi za zaštitu cjeline, kao što je
rashladno sredstvo te zaštita od niskog pritiska se
trebaju ponovno regulirati.
12.
Prije nego što izolirate cijevi za vodu, kontrolirajte da
nema propuštanja iz njih.
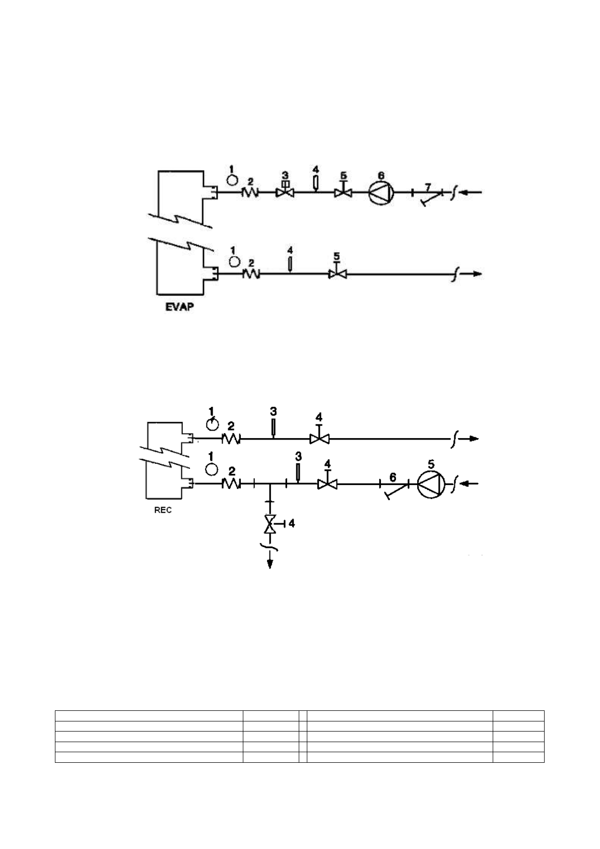
Slika 5 -
Spajanje cijevi za vodu za isparivač
1.
Manometar
2.
Fleksibilna spojka
3.
Mjerač dotoka
4.
Temperaturna sonda
5.
Ventil za izolaciju
6.
Pumpa
7.
Filtar
Slika 6 -
Spajanje cijevi za vodu za izmjenjivače koji nadoknađuju toplinu
1.
Manometar
2.
Fleksibilna spojka
3.
Temperaturna sonda
4.
Ventil za izolaciju
5.
Pumpa
6.
Filtar
Tretiranje vode
Prije nego što pokrenete cjelinu, očistite krug za vodu.
Prljavština, kamenac, otpaci hrđe i drugi materijal se mogu
nagomilati u unutrašnjosti izmjenjivača topline te na taj način
smanjiti njegovu sposobnost termijskog izmjenjivanja. Može se
povećati i pad pritiska i na taj način se smanjuje dotok vode.
Adekvatni tretman vode stoga smanjuje rizik od korozije,
erozije, stvaranja kamenca itd. Najprikladniji tretman vode se
treba odrediti lokalno s obzirom na vrstu sustava te na
karakteristike vode.
Proizvođač neće biti odgovoran za eventualna oštećenja ili
nepravilan rad aparature a koji su posljedica neobavljenog ili
nepravilnog tretmana vode.
Tablica 1 -
Prihvatljive granične vrijednosti kvalitete vode
pH (25°C)
6,8
8,0
Ukupna tvrdoća (mg CaCO
3
/ l)
200
Električna provodljivost
S/cm (25°C)
800
Željezo (mg Fe / l)
1,0
Kloratni ion (mg Cl
-
/ l)
200
Sulfidni ion (mg S
2 -
/ l)
Nimalo
Sulfatni ion (mg SO
2
4
-
/ l)
200
Amonij ion (mg NH
4
+
/ l)
1,0
Alkalnost (mg CaCO
3
/ l)
100
Silicij (mg SiO
2
/ l)
50
Содержание
- 88 Описание; электрическими схемами, сертифицированными; При получении агрегата; Хранение; Идентификация табличек
- 89 Рисунок 2 - Предельные рабочие значения; частичной
- 90 Техника безопасности; Руководства по; Шум
- 91 Рисунок 3 - Подъем агрегата
- 92 : Указания по подъему агрегата
- 93 Монтажная позиция; Требования к месту установки
- 95 Рисунок 5 - Схема подключения гидравлических линий к испарителю; рекуперации тепла s; Обработка воды; Таблица 1 - Допустимое содержание примесей в воде
- 96 Электрическая система; Указания общего характера; Эксплуатация агрегата; Обязанности оператора; Сервисное и гарантийное обслуживание
- 97 Срок службы; Таблица 2 - График проведения планового техобслуживания; Операции; Информация об используемом хладагенте; Утилизация