Кондиционеры Daikin EWAQ-GZXR - инструкция пользователя по применению, эксплуатации и установке на русском языке. Мы надеемся, она поможет вам решить возникшие у вас вопросы при эксплуатации техники.
Если остались вопросы, задайте их в комментариях после инструкции.
"Загружаем инструкцию", означает, что нужно подождать пока файл загрузится и можно будет его читать онлайн. Некоторые инструкции очень большие и время их появления зависит от вашей скорости интернета.

D-EIMAC01109-14EU - 105/208
9. Vid byte av enheten ska hela det hydrauliska
systemet tömmas och rengöras innan den nya
enheten installeras. Innan den nya enheten startas,
rekommenderas det att genomföra normala tester
och lämpliga kemiska behandlingar på vattnet.
10. Om
glykol
tillsätts
till
hydraulsystemet
som
frostskydd, se till att insugstrycket sänks, då
enhetens prestanda kommer att vara lägre och
tryckfallen större. Enhetens alla skyddssystem,
såsom frostskyddet och skydden mot lågtryck ska
regleras på nytt.
11. Innan vattenledningarna isoleras, kontrollera att inga
läckage förekommer.
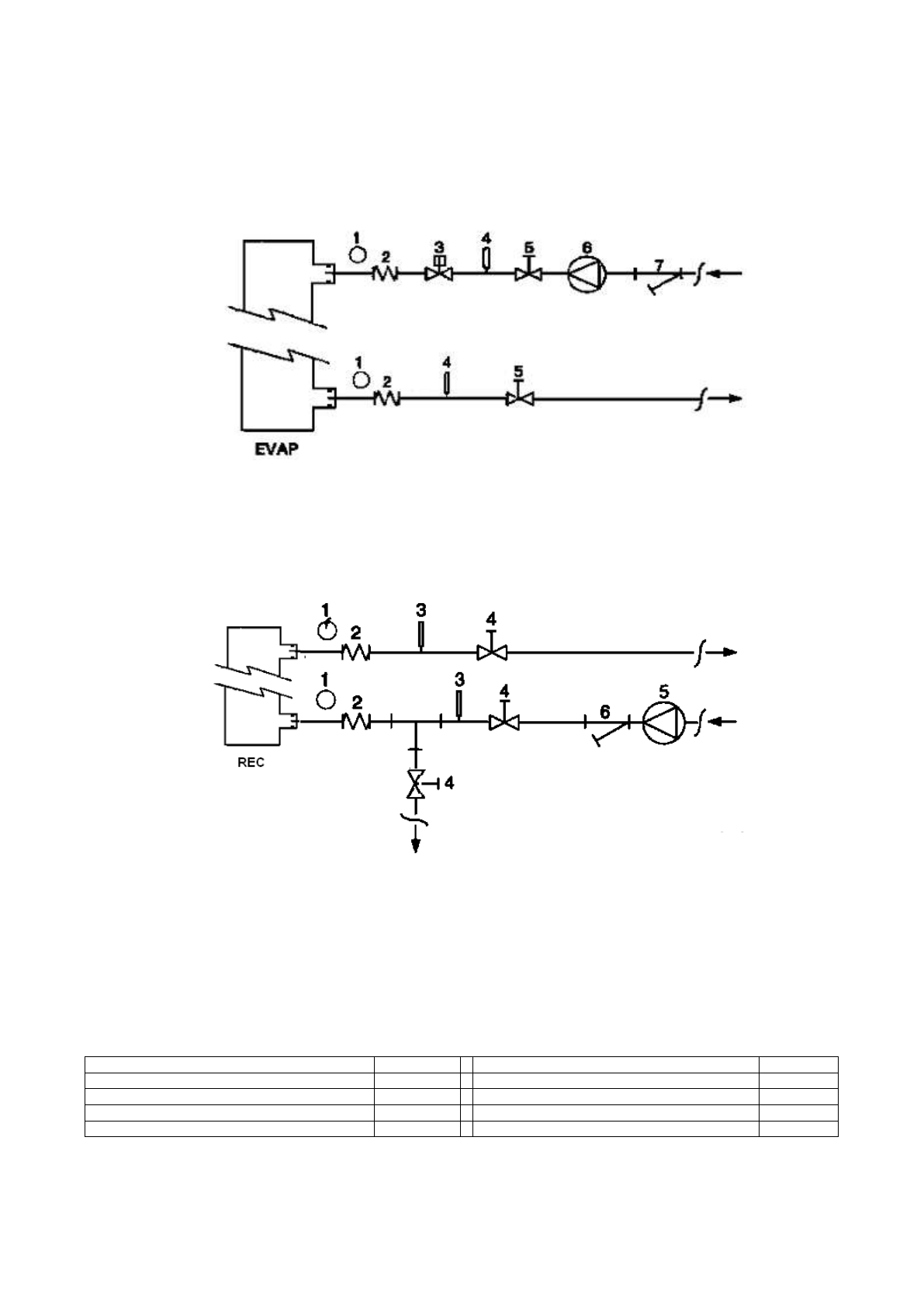
Figur 5 - Anslutning av vattenledningarna till förångaren
1.
Tryckmätare
2.
Flexibel konnektor
3.
Flödesmätare
4.
Temperatursond
5.
Isoleringsventil
6.
Pump
7.
Filter
Figur 6 - Anslutning av vattenledningarna till värmeväxlarna för värmeåtervinning
1.
Tryckmätare
2.
Flexibel konnektor
3.
Temperatursond
4.
Isoleringsventil
5.
Pump
6.
Filter
Vattenbehandling
Innan enheten körs, rengör vattenkretsen. Smuts, kalk,
korrosionsrester och annat material kan samlas inuti
värmeväxlaren och reducera dess värmeväxlande förmåga.
Även tryckfallet kan öka, vilket minska vattenflödet. En lämplig
behandling av vattnet kan sålunda reducera risken för
korrosion, erosion, kalkbildning, etc. Den lämpligaste formen
av vattenbehandling måste fastställas lokalt, baserat på typen
av system och vattnets egenskaper.
Tillverkaren är ej ansvarig för eventuella skador eller dålig
funktion hos apparaten till följd av utebliven eller felaktig
behandling av vattnet.
Tabell 1 - Gränsvärden för vattenkvaliteten
pH (25°C)
6,8
8,0
Total hårdhet (mg CaCO
3
/ l)
200
Ledningsförmåga
S/cm (25°C)
800
Järn (mg Fe / l)
1,0
Kloridjoner (mg Cl
-
/ l)
200
Sulfidjoner (mg S
2 -
/ l)
Inga
Sulfatjoner (mg SO
2
4
-
/ l)
200
Ammoniumjoner (mg NH
4
+
/ l)
1,0
Alkalitet (mg CaCO
3
/ l)
100
Kisel (mg SiO
2
/ l)
50
Содержание
- 88 Описание; электрическими схемами, сертифицированными; При получении агрегата; Хранение; Идентификация табличек
- 89 Рисунок 2 - Предельные рабочие значения; частичной
- 90 Техника безопасности; Руководства по; Шум
- 91 Рисунок 3 - Подъем агрегата
- 92 : Указания по подъему агрегата
- 93 Монтажная позиция; Требования к месту установки
- 95 Рисунок 5 - Схема подключения гидравлических линий к испарителю; рекуперации тепла s; Обработка воды; Таблица 1 - Допустимое содержание примесей в воде
- 96 Электрическая система; Указания общего характера; Эксплуатация агрегата; Обязанности оператора; Сервисное и гарантийное обслуживание
- 97 Срок службы; Таблица 2 - График проведения планового техобслуживания; Операции; Информация об используемом хладагенте; Утилизация