Кондиционеры Daikin EWAQ-GZXR - инструкция пользователя по применению, эксплуатации и установке на русском языке. Мы надеемся, она поможет вам решить возникшие у вас вопросы при эксплуатации техники.
Если остались вопросы, задайте их в комментариях после инструкции.
"Загружаем инструкцию", означает, что нужно подождать пока файл загрузится и можно будет его читать онлайн. Некоторые инструкции очень большие и время их появления зависит от вашей скорости интернета.

D-EIMAC01109-14EU - 49/208
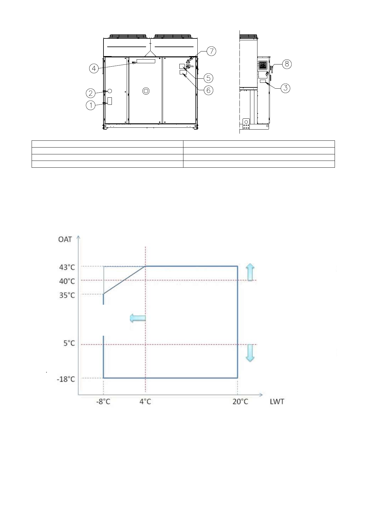
Identificación de la etiqueta
Figura 8 - Límites operativos
Leaving Water temperature (°C)
Nota
Los gráficos anteriores muestran unas directrices acerca de los límites de funcionamiento de la gama. Consulte el Chiller
Selection Software (CSS) para conocer los límites de funcionamiento en condiciones de trabajo reales para cada tamaño.
Leyenda
Temperatura ambiente (°C)
= Temperatura del aire de entrada del condensador (°C)
Temperatura del agua de salida (°C)
= Temperatura del agua de salida del evaporador (°C)
1
– Símbolo del gas no inflamable
5
– Advertencia apriete de los cables
2
– Tipo de gas
6
– Advertencia tensión peligrosa
3
– Datos de la placa de identificación de la unidad
7
– Símbolo de peligro eléctrico
4
– Logotipo del productor
8
– Instrucciones de elevación
Te
mperatu
ra
a
mbi
e
n
te
(°C)
Temperatura del agua en salida (°C)
El equipo frigorífico puede
operar con carga parcial
Opción de Temperatura
ambiental baja obligatoria
Opción de
glicol
obligatoria
Содержание
- 88 Описание; электрическими схемами, сертифицированными; При получении агрегата; Хранение; Идентификация табличек
- 89 Рисунок 2 - Предельные рабочие значения; частичной
- 90 Техника безопасности; Руководства по; Шум
- 91 Рисунок 3 - Подъем агрегата
- 92 : Указания по подъему агрегата
- 93 Монтажная позиция; Требования к месту установки
- 95 Рисунок 5 - Схема подключения гидравлических линий к испарителю; рекуперации тепла s; Обработка воды; Таблица 1 - Допустимое содержание примесей в воде
- 96 Электрическая система; Указания общего характера; Эксплуатация агрегата; Обязанности оператора; Сервисное и гарантийное обслуживание
- 97 Срок службы; Таблица 2 - График проведения планового техобслуживания; Операции; Информация об используемом хладагенте; Утилизация