Кондиционеры Daikin EWAQ-GZXR - инструкция пользователя по применению, эксплуатации и установке на русском языке. Мы надеемся, она поможет вам решить возникшие у вас вопросы при эксплуатации техники.
Если остались вопросы, задайте их в комментариях после инструкции.
"Загружаем инструкцию", означает, что нужно подождать пока файл загрузится и можно будет его читать онлайн. Некоторые инструкции очень большие и время их появления зависит от вашей скорости интернета.

D-EIMAC01109-14EU - 135/208
11.
Jeżeli glikol zostanie dodany do systemu
hydraulicznego, jako ochrona przez zamarzaniem
należy uważać, aby ciśnienie zasysania było niższe,
ponieważ osiągi jednostki będą niższe i spadki
c
iśnienia
większe.
Wszystkie
systemy
zabezpieczające jednostkę, takie jak zapobiegające
zamarzaniu oraz przed niskim ciśnieniem muszą być
ponownie wyregulowane.
12.
Przed odizolowaniem rur wodnych sprawdzić, czy
nie istnieją wycieki.
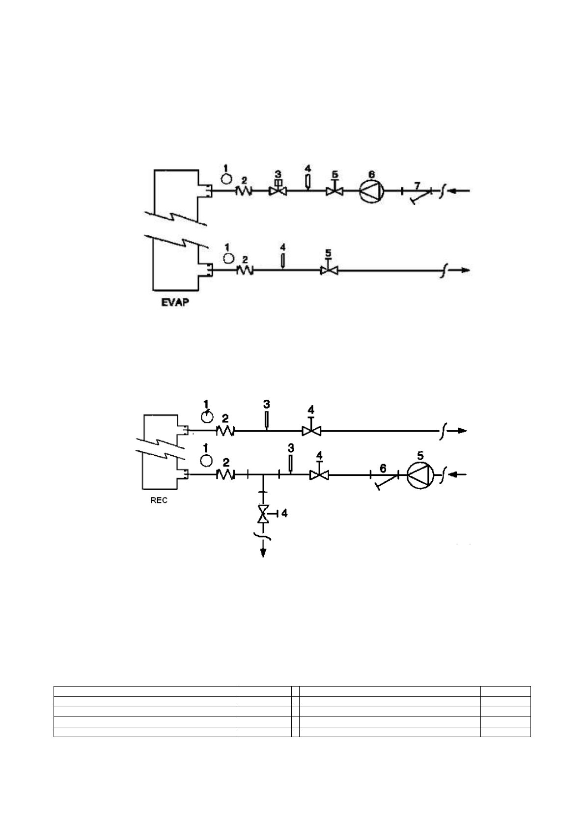
Rysunek 5 -
Podłączenie rur wodnych do parownika
1.
Manometr
2.
Giętki łącznik
3.
Przepływomierz
4.
Sonda temperatury
5.
Zawór oddzielający
6.
Pompa
7.
Filtr
Rysunek 6 -
Połączenie rurowe źródła wody do wymienników odzyskujących ciepło
1.
Manometr
2.
Giętki łącznik
3.
Sonda temperatury
4.
Zawór oddz
ielający
5.
Pompa
6.
Filtr
Uzdatnianie wody
Przed uruchomieniem jednostki, wyczyścić obwód wody. Brud,
kamień, odłamki korozji i inny materiał mogą gromadzić się
wewnątrz wymiennika ciepła redukując jego zdolność wymiany
termicznej. Może się również zwiększyć spadek ciśnienia,
redukując
natężenie
przepływu
wody.
Odpowiednie
uzdatnianie wody może zredukować ryzyko korozji, erozji,
osadzanie się kamienia itd. Rodzaj uzdatniania jest określany
na miejscu, na podstawie rodzaju systemu i właściwości wody.
Producen
t nie ponosi odpowiedzialności za ewentualne
szkody i nieprawidłowe funkcjonowanie sprzętu spowodowane
brakiem lub nieprawidłowym uzdatnianiem wody.
Tabela 1
– Dozwolone limity jakości wody
pH (25°C)
6,8
8,0
Twardość (mg CaCO
3
/ l)
200
Przewodność elektryczna
S/cm (25°C)
800
Żelazo (mg Fe / l)
1,0
Jon chlorkowy (mg Cl
-
/ l)
200
Jon siarczkowy (mg S
2 -
/ l)
Brak
Jon siarczanowy (mg SO
2
4
-
/ l)
200
Jon amonowy (mg NH
4
+
/ l)
1,0
Alkaiczność (mg CaCO
3
/ l)
100
Dwutlenek krzemu (mg SiO
2
/ l)
50
Содержание
- 88 Описание; электрическими схемами, сертифицированными; При получении агрегата; Хранение; Идентификация табличек
- 89 Рисунок 2 - Предельные рабочие значения; частичной
- 90 Техника безопасности; Руководства по; Шум
- 91 Рисунок 3 - Подъем агрегата
- 92 : Указания по подъему агрегата
- 93 Монтажная позиция; Требования к месту установки
- 95 Рисунок 5 - Схема подключения гидравлических линий к испарителю; рекуперации тепла s; Обработка воды; Таблица 1 - Допустимое содержание примесей в воде
- 96 Электрическая система; Указания общего характера; Эксплуатация агрегата; Обязанности оператора; Сервисное и гарантийное обслуживание
- 97 Срок службы; Таблица 2 - График проведения планового техобслуживания; Операции; Информация об используемом хладагенте; Утилизация