Варочная панель Gorenje IS 656 X - инструкция пользователя по применению, эксплуатации и установке на русском языке. Мы надеемся, она поможет вам решить возникшие у вас вопросы при эксплуатации техники.
Если остались вопросы, задайте их в комментариях после инструкции.
"Загружаем инструкцию", означает, что нужно подождать пока файл загрузится и можно будет его читать онлайн. Некоторые инструкции очень большие и время их появления зависит от вашей скорости интернета.

42
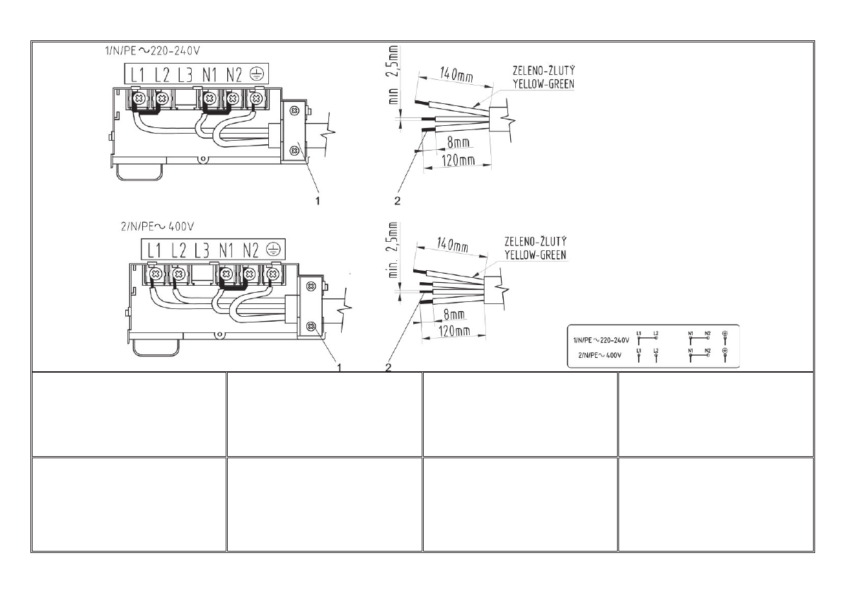
RACCORDEMENT À DU
COURANT MONOPHASÉ
1. protection contre l'arrachement
2.
extrémités des conducteurs renforcés
par l'embout pressé
EEN FASE AANSLUITING
1. clip tegen het uitrukken van snoer
2. einden van geleiders verstevigd met
een geperst eindstuk
ОДНОФАЗОВОЕ
ПОДКЛЮЧЕНИЕ
1.
Клипса
против
выдергивания
кабеля
2.
Концы
проводников
,
зафиксированные
запрессованным
окончанием
ОДНОФАЗОВЕ
ПІДКЛЮЧЕННЯ
1.
Обойма
проти
виривання
шнура
2.
Кінці
провідників
укріплено
напресованими
кінцівками
AVERTISSEMENT
Le fabricant se réserve le droit de
réaliser des petites modifications du
Mode
d’emploi résultant des
modifications innovantes ou
technologiques du produit qui n
’
ont pas
d
’
impact sur le fonctionnement du
produit.
WAARSCHUWING
De producent behoudt zich het recht
voor om kleine wijzigingen in de
gebruiksaanwijzing aan te brengen die
uit innovatieve of technologische
wijzigingen van het product voortvloeien
en die geen invloed op de functie van
het product hebben.
ПРИМЕЧАНИЕ
Производитель
оставляет
за
собой
право
небольших
изменений
вытекающих
из
инновационных
или
технологических
изменений
,
которые
не
влияют
на
функцию
изделия
.
ПОПЕРЕДЖЕННЯ
Виробник
залишає
за
собою
право
проводити
дрібні
зміни
у
інструкції
,
що
випливають
з
вдосконалення
або
технологічних
змін
виробу
,
які
не
мають
вплив
на
функцію
виробу
.