Мотоциклы HONDA CRF250X 2006 - инструкция пользователя по применению, эксплуатации и установке на русском языке. Мы надеемся, она поможет вам решить возникшие у вас вопросы при эксплуатации техники.
Если остались вопросы, задайте их в комментариях после инструкции.
"Загружаем инструкцию", означает, что нужно подождать пока файл загрузится и можно будет его читать онлайн. Некоторые инструкции очень большие и время их появления зависит от вашей скорости интернета.

161
Информация технического характера
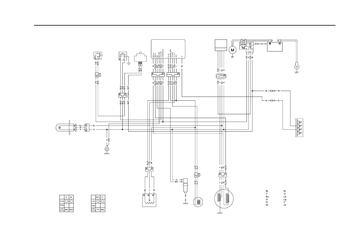
Коммутационная схема
КНОПКА
СТАРТЕРА
ВЫКЛЮЧАТЕЛЬ
ДВИГАТЕЛЯ
КОНЦЕВОЙ
ВЫКЛЮЧАТЕЛЬ
СЦЕПЛЕНИЯ
БЛОК УПРАВЛЕНИЯ СИСТЕМОЙ ЗАЖИГАНИЯ
ВЫПРЯМИТЕЛЬ/РЕГУЛЯТОР
НАПРЯЖЕНИЯ
ЭЛЕКТРОМАГНИТНЫЙ ВЫКЛЮЧАТЕЛЬ
СТАРТЕРА
СТАРТЕР
АККУМУЛЯТОРНАЯ БАТАРЕЯ
12 В 4 А%Ч
ЗАДНИЙ
ФОНАРЬ
ГЕНЕРАТОР
ИМПУЛЬСНЫЙ ГЕНЕРАТОР
ЗАЖИГАНИЯ
СВЕЧА ЗАЖИГАНИЯ
КАТУШКА ЗАЖИГАНИЯ
ДАТЧИК ПОЛОЖЕНИЯ
ДРОССЕЛЬНОЙ ЗАСЛОНКИ
ЦЕЛОСТНОСТЬ ЦЕПИ
КНОПКИ СТАРТЕРА
ВЫКЛЮЧАТЕЛЬ ДВИГАТЕЛЯ
ЦЕЛОСТНОСТЬ ЦЕПИ
ФАРА
12 В 35 ВТ
ЧЕРНЫЙ
ЖЕЛТЫЙ
СИНИЙ
ЗЕЛЕНЫЙ
БЕЛЫЙ
КРАСНЫЙ
КОРИЧНЕВЫЙ
ОРАНЖЕВЫЙ
ГОЛУБОЙ
СЕРЫЙ
РОЗОВЫЙ
СВЕТЛО%ЗЕЛЕНЫЙ
Содержание
- 4 Эта информация поможет вам избе%; Введение; ED
- 5 Несколько слов о безопасности.
- 6 Операции по техническому обслуживанию; Содержание
- 7 Безопасность эксплуатации мотоцикла
- 8 Безопасность эксплуатации мотоцикла; Сведения по мерам безопасности; Информация, относящаяся к безопасности
- 9 Рекомендации по загрузке; Безопасность эксплуатации мотоцикла 3; Загрузка
- 10 Безопасность эксплуатации мотоцикла
- 11 Безопасность эксплуатации мотоцикла 5; Предупреждающие таблички
- 13 Органы управления 7; Органы управления
- 14 Органы управления; Расположение частей и механизмов
- 15 Перед поездкой 9; Перед поездкой
- 16 0 Перед поездкой
- 17 Перед поездкой 11; Готовность мотоцикла к поездке; Осмотр перед поездкой
- 19 Общие сведения по управлению мотоциклом и вождению 13; Общие сведения по управлению мотоциклом и вождению
- 20 4 Общие сведения по управлению мотоциклом и вождению; Правила безопасного вождения
- 21 Общие сведения по управлению мотоциклом и вождению 15; Запуск и остановка двигателя; Подготовка к работе
- 22 6 Общие сведения по управлению мотоциклом и вождению; Заливание цилиндров топливом
- 23 твращения выхода из строя трансмиссии не; Общие сведения по управлению мотоциклом и вождению 17; Переключение передач
- 24 8 Общие сведения по управлению мотоциклом и вождению; Торможение
- 25 Общие сведения по управлению мотоциклом и вождению 19; Стоянка
- 26 0 Общие сведения по управлению мотоциклом и вождению
- 27 Общие сведения по управлению мотоциклом и вождению 21; Обкатка
- 29 Обслуживание мотоцикла Honda
- 30 Важность технического обслуживания
- 31 Меры безопасности при проведении технического обслуживания
- 32 Регламент технического обслуживания
- 33 Замена через каждые два года. Замена должна
- 35 Техническое обслуживание во время состязаний
- 39 Техническое обслуживание до и после состязаний; Техническое обслуживание после состязаний
- 40 Рутинная чистка
- 41 Техническое обслуживание. Расположение частей и механизмов
- 42 Демонтаж седла
- 43 Демонтаж топливного бака
- 44 Подсоедините уплотнение кожуха
- 45 Вертикальное положение подрамника
- 47 Топливная система; Рекомендации, касающиеся топлива; Тип; Процедура заправки
- 48 Топливный фильтр
- 49 Моторное масло; MA; Рекомендации по выбору масла; НЕ РЕКОМЕНДУЕТСЯ
- 50 ПРОИЗВОДИТЕЛЬ ПРОДУКТА ГАРАНТИРУЕТ; Проверка уровня и долив масла
- 52 Трансмиссионное масло
- 54 Охлаждающая жидкость
- 55 Проверка системы охлаждения
- 56 Если снять крышку радиатора, пока двигатель еще
- 57 Ознакомьтесь с правилами техники безопасности; Воздухоочиститель
- 59 Вентиляционная трубка картера
- 60 Дроссельная заслонка; Свободный ход рукоятки акселератора
- 61 Осмотр дроссельной заслонки
- 62 Система сцепления; Свободный ход ручки сцепления
- 63 Другие виды осмотра и смазка
- 64 Проверка ведомых и ведущих дисков
- 67 Рекомендации касательно свечей зажигания; Стандартная
- 68 Выпускная труба/Глушитель; Проверка выпускной трубы/Глушителя
- 69 Установка глушителя
- 70 Демонтаж выпускной трубы
- 71 С помощью щетки удалите с сетки пламегасителя; Пламегаситель; Проверка пламегасителя
- 72 Зазоры клапанов; Демонтаж крышки головки цилиндра
- 73 Проверка зазоров клапанов
- 74 Демонтаж распределительного вала
- 76 Выбор регулировочных шайб в приводе клапанов
- 77 Установка распределительного вала
- 79 Установка крышки головки цилиндра
- 83 С помощью снятого поршневого кольца удалите; Установка поршневого пальца
- 85 Нанесите чистое моторное масло на зеркало
- 88 Подвеска; Проверка передней подвески
- 89 Проверка задней подвески
- 90 НЕИСПРАВНА
- 91 или
- 92 Тормоза; Регулировка рычага переднего тормоза
- 93 Проверка уровня тормозной жидкости
- 95 Износ тормозных колодок; Другие виды осмотра
- 96 Колёса; Обода колес и спицы
- 97 Шины и камеры; Давление воздуха в шинах; Передняя; Проверка
- 98 Замена шин
- 99 Боковой упор
- 100 Приводная цепь; Проверка приводной цепи
- 101 Демонтаж, чистка и замена
- 102 Ползуны приводной цепи
- 103 Дополнительные операции по техническому обслуживанию; Проверка подшипников головки руля
- 104 передач; ЛЕВАЯ СТОРОНА
- 105 Аккумуляторная батарея
- 106 00 Обслуживание мотоцикла Honda; Подзарядка аккумуляторной батареи
- 107 Фара и задний фонарь; Лампа фары
- 108 02 Обслуживание мотоцикла Honda; Уход; Общие рекомендации
- 111 Гоночные настройки мотоцикла
- 112 Регулировка передней подвески
- 114 08 Гоночные настройки мотоцикла
- 116 10 Гоночные настройки мотоцикла
- 117 Замена амортизационной жидкости в демпфере
- 118 12 Гоночные настройки мотоцикла
- 120 14 Гоночные настройки мотоцикла; Узел вилки
- 121 Чрезмерное усилие может повредить держатель оси.
- 122 Залейте рекомендованную амортизационную; 16 Гоночные настройки мотоцикла
- 124 18 Гоночные настройки мотоцикла
- 126 20 Гоночные настройки мотоцикла; Регулировка задней подвески
- 128 22 Гоночные настройки мотоцикла; Регулировка величины проседания для гонок
- 129 Вычислите проседание в свободном состоянии.
- 130 24 Гоночные настройки мотоцикла; Адаптация характеристик подвески под условия гоночной трассы
- 131 Рекомендации по регулировке подвески
- 132 26 Гоночные настройки мотоцикла
- 134 заслонки; 28 Гоночные настройки мотоцикла; Полезные советы по регулировке и настройке карбюратора; Составные части карбюратора
- 136 30 Гоночные настройки мотоцикла; Демонтаж карбюратора
- 137 Снимите тросы привода дроссельной заслонки; Разборка карбюратора
- 138 32 Гоночные настройки мотоцикла
- 139 Сборка карбюратора
- 140 дроссельной заслонки; 34 Гоночные настройки мотоцикла; Регулировка частоты вращения холостого хода
- 141 Регулировка шасси; Задняя часть
- 142 36 Гоночные настройки мотоцикла; Адаптация коробки передач
- 143 Выбор шин для состязаний
- 144 38 Гоночные настройки мотоцикла; Индивидуальные настройки; Расположение органов управления
- 145 Полезные подсказки
- 146 40 Полезные подсказки; Перевозка мотоцикла
- 147 Хранение мотоцикла; Подготовка к хранению
- 148 42 Полезные подсказки; Расконсервация после хранения
- 149 Используйте неагрессивные чистящие средства.; Запрещается выливать; Вы и окружающая среда
- 150 Устранение неполадок
- 151 Действия при непредвиденных обстоятельствах
- 152 46 Действия при непредвиденных обстоятельствах; Перегоревший предохранитель
- 153 Разряженная аккумуляторная батарея
- 155 Информация технического характера
- 156 50 Информация технического характера; Идентификационные номера
- 157 Технические характеристики
- 158 52 Информация технического характера
- 159 Моменты затяжки; Двигатель; ДВИГАТЕЛЬ
- 160 Рама
- 162 56 Информация технического характера; Использование спиртосодержащих видов топлива
- 163 Дневник состязаний
- 164 (На будущее сделайте несколько копий данной страницы); 58 Информация технического характера; Дата
- 165 Перечень дополнительного оборудования
- 166 Запасные части и оборудование
- 167 Коммутационная схема
- 168 Расположение частей и механизмов 8; Оглавление
- 170 64 Алфавитный указатель; Алфавитный указатель
- 171 регулировка демпфирования