Котел De Dietrich MS 24 BIC - инструкция пользователя по применению, эксплуатации и установке на русском языке. Мы надеемся, она поможет вам решить возникшие у вас вопросы при эксплуатации техники.
Если остались вопросы, задайте их в комментариях после инструкции.
"Загружаем инструкцию", означает, что нужно подождать пока файл загрузится и можно будет его читать онлайн. Некоторые инструкции очень большие и время их появления зависит от вашей скорости интернета.

266
71.06199.02 - CN
用户使用说明
如需关闭锅炉,请首先将锅炉切换至关闭(OFF)模式后,再断开锅炉电源。
当锅炉处于关闭(OFF)模式时(见第5节),锅炉显示屏显示“OFF“,此时电路仍处于通电状态,防冻保护功能仍然有
效(见第9节).
7. 关闭锅炉
8. 更换燃气种类
锅炉设计为天然气、液化气两用型,需要的时候可以对锅炉进行燃气置换。
锅炉的燃气置换必须由授权的、有资质的专业工程师进行
注意:
在补水和排水结束后,一定要完全关闭相应的阀门,以避免漏水事故,造成家庭财产损失
锅炉装有水压检测装置,防止锅炉在缺水状态下运行.
注意:当出现压力频繁下降时,应联系授权的、有资质的专业维修工程师对锅炉进行检查
.
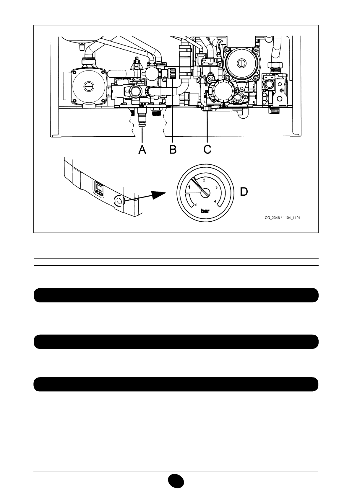
图 2
A: 系统排水阀
B: 热水器排水阀
C: 设备充气阀
D: 压力计
锅炉具有“防冻保护”功能,当锅炉供水温度下降到低于5°C时,锅炉会启动运行将采暖供水温度加热至30° C。
我们建议您尽量避免排空整个系统,因为换水会导致锅炉内部和供热元件上有害的水垢沉积。如果锅炉在冬天不用,并有冻
结危险时,我们建议在系统水内加入一些专用的防冻剂(例如:掺有防腐蚀、防垢剂的丙二醇)。
只有当下述的条件具备时,锅炉的防冻功能才有效:
* 锅炉电源接通;
* 燃气供气阀打开;
* 系统水压正常;
* 锅炉无故障。
注意:防冻保护功能无法保证整个采暖系统内的水都得到加热,部分系统仍有冻结危险。
在严寒的冬季锅炉长时间不使用时,用户如需彻底排空系统以避免系统冻结,请在操作前咨询专业的供暖工程师.
9. 长时间停机时系统的防冻保护
Содержание
- 234 Уважае; СОДЕРЖАНИЕ; РУКОВОДСТВО ДЛЯ ПОЛЬЗОВАТЕЛЯ
- 235 ПОДГОТОВКА К УСТАНОВКЕ; ПОДГОТОВКА К ПЕРВОМУ ПУСКУ
- 236 Внимание
- 237 ОПИСАНИЕ КНОПКИ (Лето – Зима – Только Отопление – Выключено); ЗАПОЛНЕНИЕ СИСТЕМЫ
- 238 ВЫКЛЮЧЕНИЕ КОТЛА; ВЫКЛЮЧЕНИЕ НА ДЛИТЕЛЬНЫЙ ПЕРИОД. ЗАЩИТА ОТ ЗАМЕРЗАНИЯ
- 239 СИСТЕМА БЕЗОПАСНОСТИ: ИНДИКАТОРЫ И СРАБАТЫВАНИЕ; Неисправность
- 241 ПРОВЕРКИ ПЕРЕД УСТАНОВКОЙ КОТЛА
- 242 ПРИМЕЧАНИЕ ПО РАСШИРИТЕЛЬНОМУ БАКУ
- 243 Модель 24 BIC FF; Модель котла; НЕТ
- 244 ВАРИАНТЫ ГОРИЗОНТАЛЬНОЙ УСТАНОВКИ НАКОНЕЧНИКА ДЫМОХОДА
- 247 ПОДКЛЮЧЕНИЕ К ЭЛЕКТРОПИТАНИЮ; ПОДСОЕДИНЕНИЕ КОМНАТНОГО ТЕРМОСТАТА
- 248 ПОРЯДОК ЗАМЕНЫ ГАЗА; газовый клапан
- 249 ФУНКЦИЯ КАЛИБРОВКИ ГАЗОВОГО КЛАПАНА; Примечание
- 250 ВЫВОД ИНФОРМАЦИИ НА ДИСПЛЕЙ КОТЛА
- 251 УСТАНОВКА ПАРАМЕТРОВ; УСТРОЙСТВА РЕГУЛИРОВАНИЯ И ПРЕДОХРАНИТЕЛЬНЫЕ УСТРОЙСТВА
- 253 КОНТРОЛЬ ОТХОДЯЩИХ ГАЗОВ; ап
- 254 ПРИСОЕДИНЕНИЕ ДАТЧИКА УЛИЧНОЙ ТЕМПЕРАТУРЫ
- 255 ЕЖЕГОДНОЕ ТЕХНИЧЕСКОЕ ОБСЛУЖИВАНИЕ; ОПУСТОШЕНИЕ КОНТУРА КОТЛА И БОЙЛЕРА
- 256 ОЧИСТКА ОТ ИЗВЕСТКОВОГО НАЛЕТА В СИСТЕМЕ ГВС
- 257 ДЕМОНТАЖ АНОДА БОЙЛЕРА
- 258 ФУНКЦИОНАЛЬНАЯ СХЕМА КОНТУРОВ
- 260 СХЕМЫ ЭЛЕКТРИЧЕСКИХ СОЕДИНЕНИЙ; Цв
- 262 ТЕХНИЧЕСКИЕ ДАННЫЕ