Кондиционеры Daikin EWAD-C-SL - инструкция пользователя по применению, эксплуатации и установке на русском языке. Мы надеемся, она поможет вам решить возникшие у вас вопросы при эксплуатации техники.
Если остались вопросы, задайте их в комментариях после инструкции.
"Загружаем инструкцию", означает, что нужно подождать пока файл загрузится и можно будет его читать онлайн. Некоторые инструкции очень большие и время их появления зависит от вашей скорости интернета.

D-EIMAC00604-14EU - 95/196
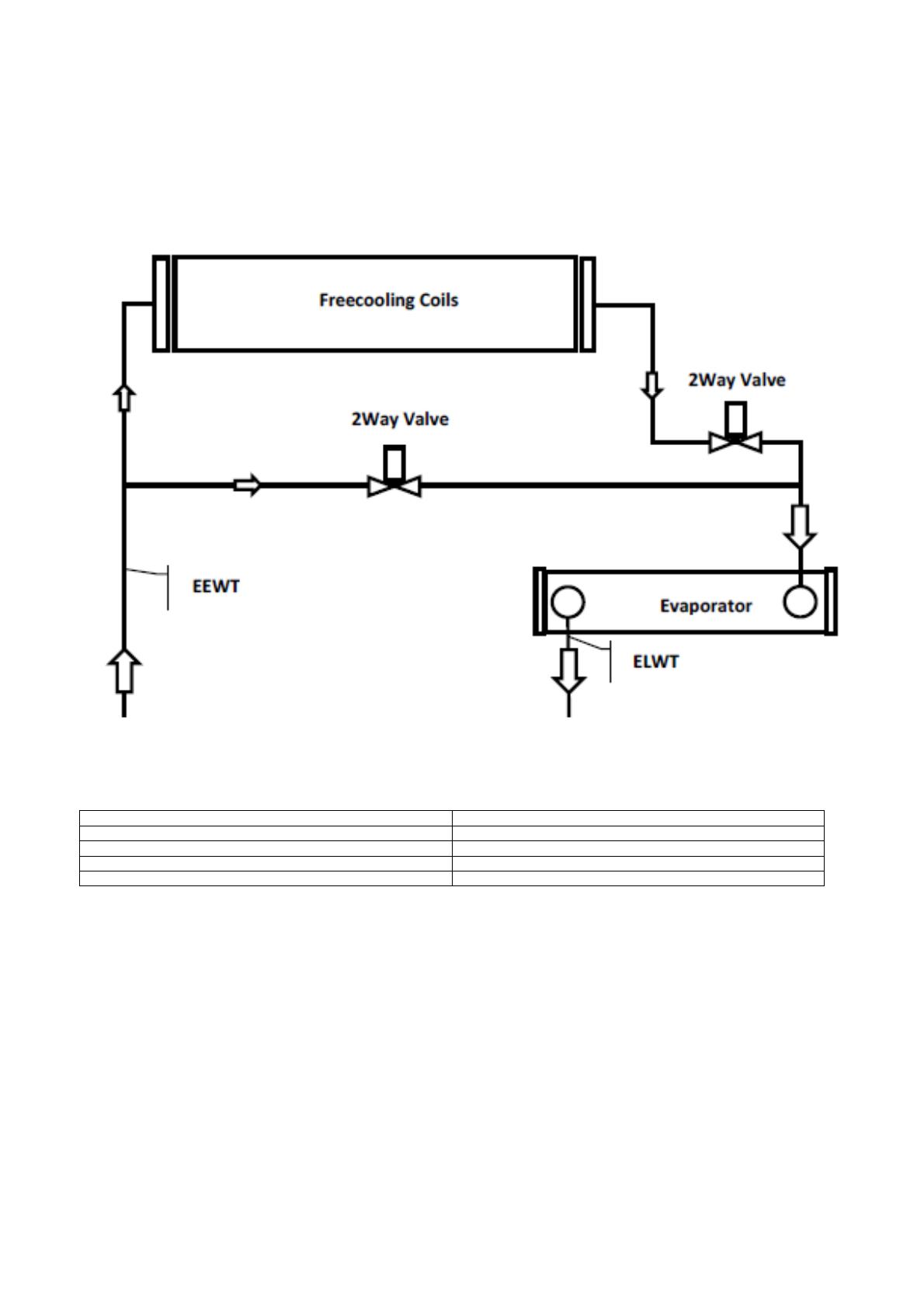
Система
естественного
охлаждения
с
двухходовым
клапаном
EWADC12CF-XS/XL ÷ EWADC16CF-XS/XL - EWADC11CF-XR ÷ EWADC15CF-XR
Freecooling coils
Контур
естественного
охлаждения
2 Way Valve
Двухходовой
клапан
EEWT
Температура
воды
на
входе
в
испаритель
Evaporator
Испаритель
ELWT
Температура
воды
на
выходе
из
испарителя
Перенастройка
системы
,
в
зависимости
от
условий
работы
и
заданного
значения
,
осуществляется
встроенным
блоком
управления
.
В
зависимости
от
времени
года
перепады
давления
воды
меняются
,
следовательно
,
меняется
скорость
потока
воды
в
чиллере
.
Обратите
внимание
,
что
давление
воды
в
зимнее
и
летнее
время
не
должно
превышать
допустимых
значений
(
см
.
инструкцию
).












