Кондиционеры Daikin EWAD-C-SL - инструкция пользователя по применению, эксплуатации и установке на русском языке. Мы надеемся, она поможет вам решить возникшие у вас вопросы при эксплуатации техники.
Если остались вопросы, задайте их в комментариях после инструкции.
"Загружаем инструкцию", означает, что нужно подождать пока файл загрузится и можно будет его читать онлайн. Некоторые инструкции очень большие и время их появления зависит от вашей скорости интернета.

D-EIMAC00604-14EU - 122/196
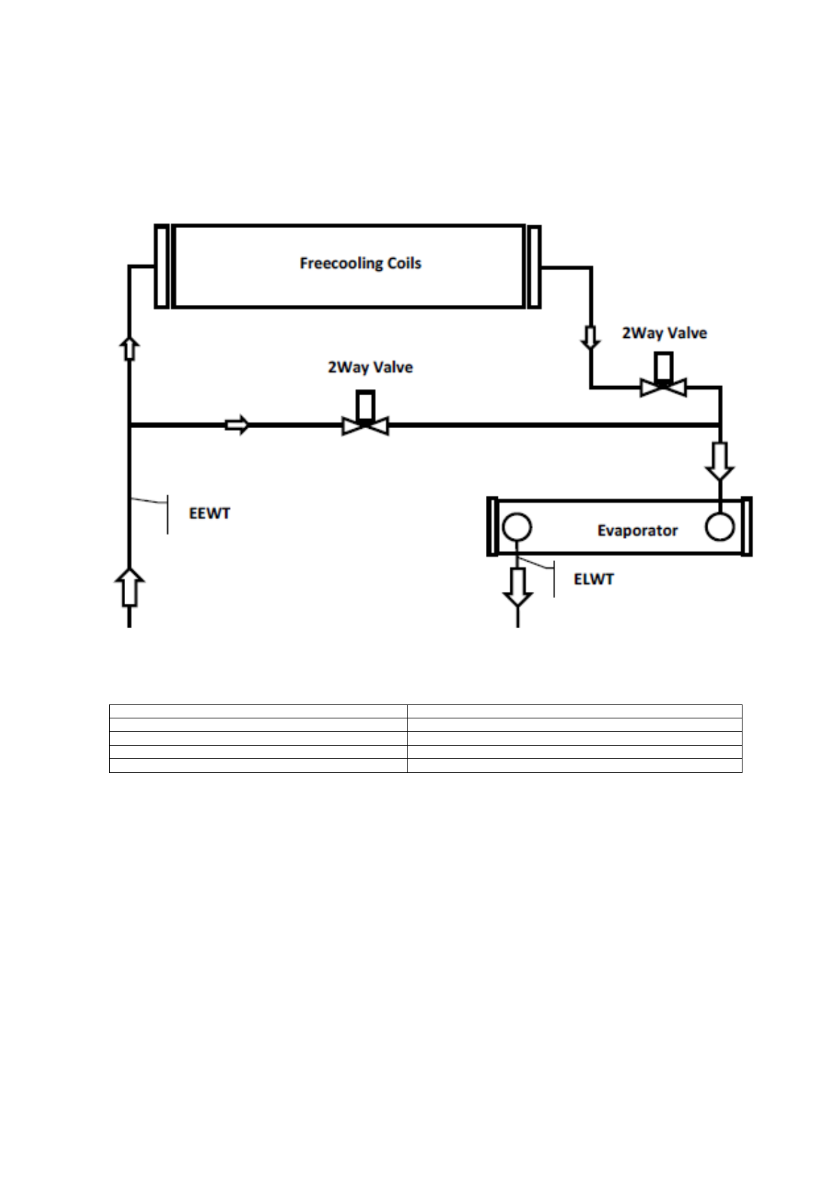
Freecooling-järjestelmä 2-tieventtiilillä
EWADC12CF-XS/XL ÷ EWADC16CF-XS/XL - EWADC11CF-XR ÷ EWADC15CF-XR
Freecooling coils
Freecooling-kierukat
2 Way Valve
2-tieventtiili
EEWT
Veden sisäänmenon lämpötila-anturi
Evaporator
Haihdutin
ELWT
Ulostulevan veden lämpötila-anturi
Järjestelmän vaihtoa hallitsee sisäänrakennettu yksikön ohjain käyttöolosuhteiden ja yksikön tilan mukaan. Veden sivupaineen
laskut poikkeavat talvi- ja kesäkäytössä, jolloin jäähdyttimen virtauksessa voi olla eroja. Varmista, että kesä- ja talvikäytön minimi-
ja maksimivirtaus on virtausrajojen sisällä (katso ohjekirja).












