Кондиционеры Daikin EWAD-C-SL - инструкция пользователя по применению, эксплуатации и установке на русском языке. Мы надеемся, она поможет вам решить возникшие у вас вопросы при эксплуатации техники.
Если остались вопросы, задайте их в комментариях после инструкции.
"Загружаем инструкцию", означает, что нужно подождать пока файл загрузится и можно будет его читать онлайн. Некоторые инструкции очень большие и время их появления зависит от вашей скорости интернета.

D-EIMAC00604-14EU - 168/196
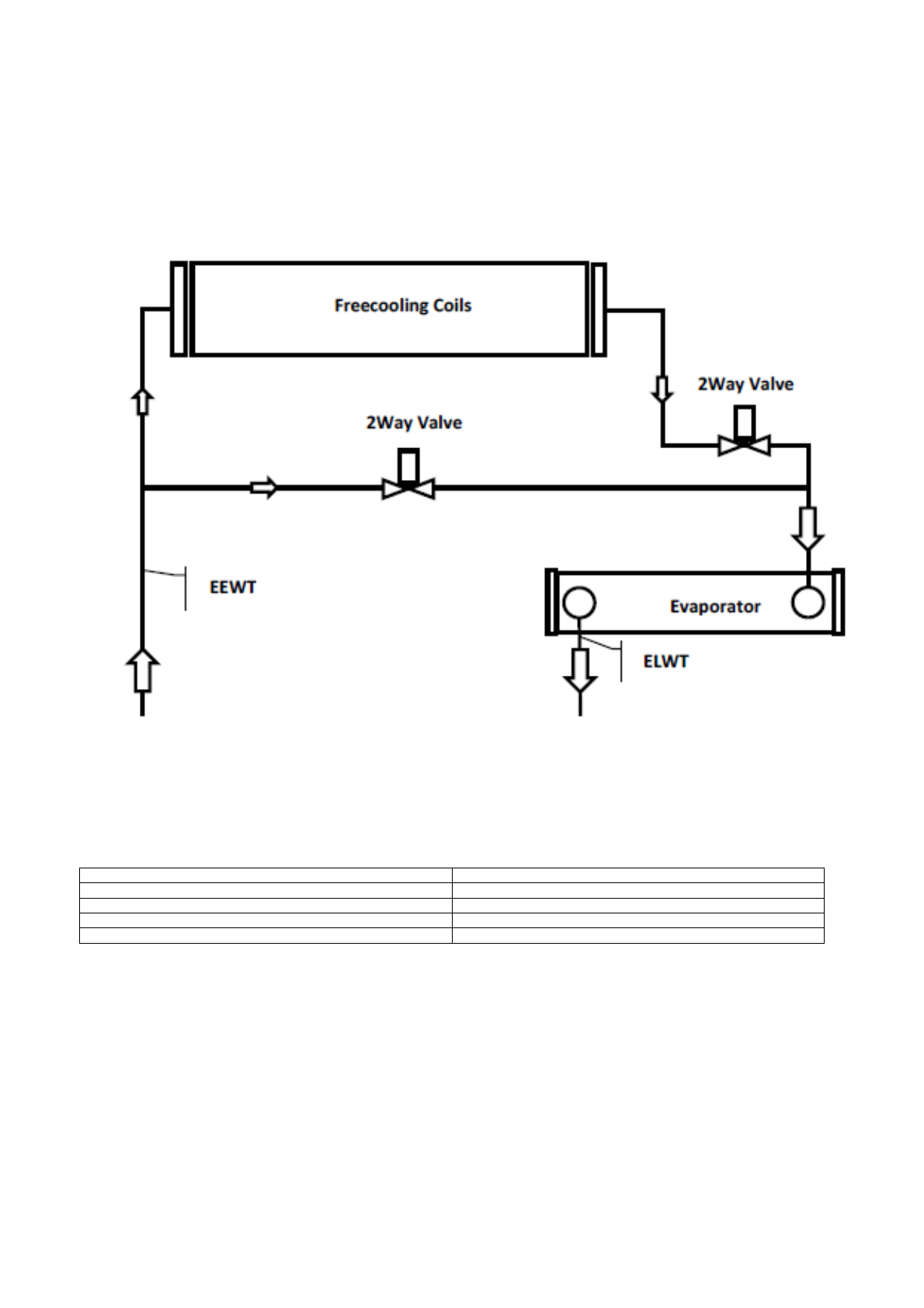
Sistem de r
ă
cire cu supape cu 2 c
ă
i
EWADC12CF-XS/XL ÷ EWADC16CF-XS/XL - EWADC11CF-XR ÷ EWADC15CF-XR
Freecooling coils
Bobine cu r
ă
cire liber
ă
2 Way Valve
Supap
ă
cu 2 c
ă
i
EEWT
Sond
ă
temperatur
ă
ap
ă
intrare
Evaporator
Evaporator
ELWT
Sond
ă
temperatur
ă
ap
ă
ie
ş
ire
Comutarea sistemului este controlat
ă
prin intermediul sistemului de control încorporat al unit
ăţ
ii, în func
ţ
ie de condi
ţ
iile de operare
ş
i de valoarea prescris
ă
. Sc
ă
derile presiunii apei sunt diferite în timpul iernii
ş
i în timpul verii, în consecin
ţă
fluxul de ap
ă
în chiller
poate fi diferit. Verifica
ţ
i ca fluxul minim
ş
i maxim de ap
ă
, între func
ţ
ionarea pe timp de var
ă
ş
i pe timp de iarn
ă
, s
ă
se afle în
limitele fluxului de ap
ă
(consulta
ţ
i manualul produsului).












