Кондиционеры Daikin EWAD-C-SL - инструкция пользователя по применению, эксплуатации и установке на русском языке. Мы надеемся, она поможет вам решить возникшие у вас вопросы при эксплуатации техники.
Если остались вопросы, задайте их в комментариях после инструкции.
"Загружаем инструкцию", означает, что нужно подождать пока файл загрузится и можно будет его читать онлайн. Некоторые инструкции очень большие и время их появления зависит от вашей скорости интернета.

D-EIMAC00604-14EU - 39/156
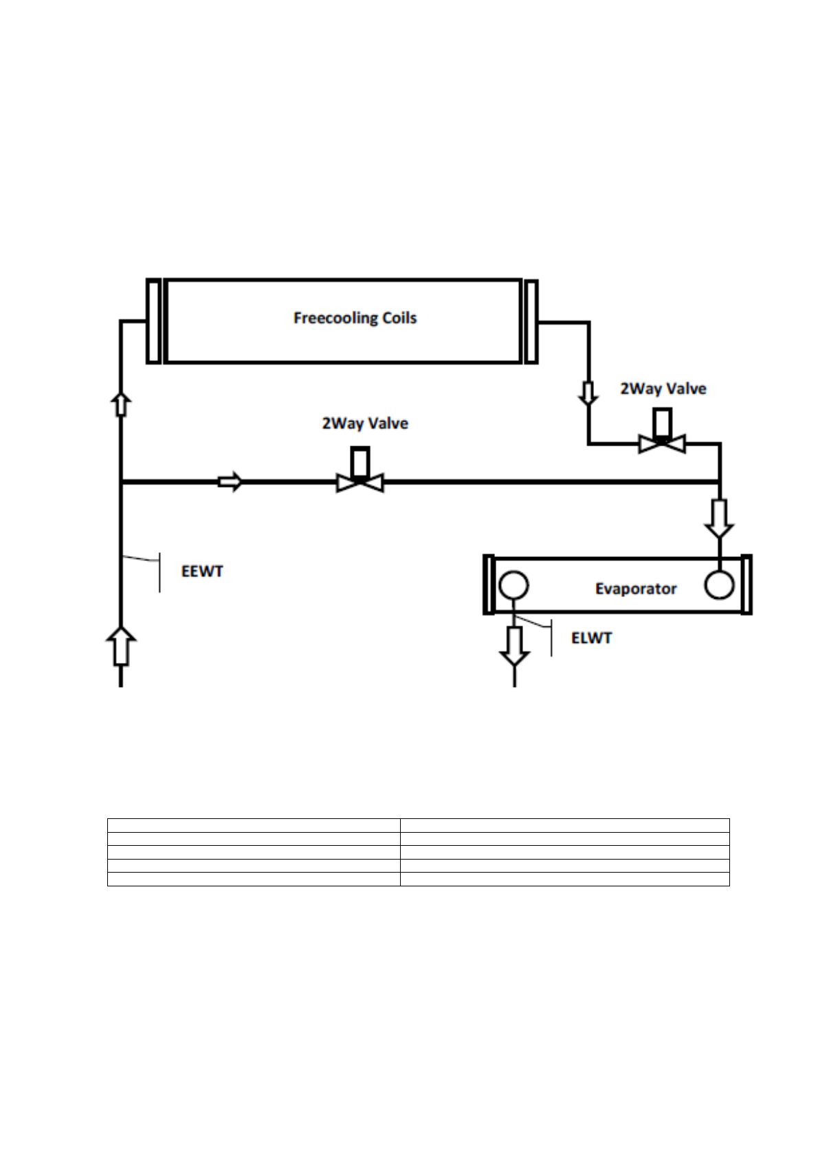
Système de refroidissement naturel avec vannes 2 voies
EWADC12CF-XS/XL ÷ EWADC16CF-XS/XL - EWADC11CF-XR ÷ EWADC15CF-XR
Freecooling coils
Bobines de refroidissement naturel
2 Way Valve
Vanne 2 voies
EEWT
Sonde de température entrée eau
Evaporator
Evaporateur
ELWT
Sonde de température sortie eau
Le changement de mode du système est commandé par un dispositif de commande d’unité intégré, en fonction des conditions de
fonctionnement et du point de consigne de l’unité. Entre le fonctionnement d’hiver et d’été, les chutes de pression côté eau sont
différentes, et par conséquent le flux d’eau de refroidissement pourrait être différent. Evaluer que le flux d’eau minimum et
maximum, entre le fonctionnement d’hiver et d’été, sont dans les limites de flux d’eau (voir manuel du produit).












