Кондиционеры Daikin EWAD-C-SL - инструкция пользователя по применению, эксплуатации и установке на русском языке. Мы надеемся, она поможет вам решить возникшие у вас вопросы при эксплуатации техники.
Если остались вопросы, задайте их в комментариях после инструкции.
"Загружаем инструкцию", означает, что нужно подождать пока файл загрузится и можно будет его читать онлайн. Некоторые инструкции очень большие и время их появления зависит от вашей скорости интернета.

D-EIMAC00604-14EU - 57/196
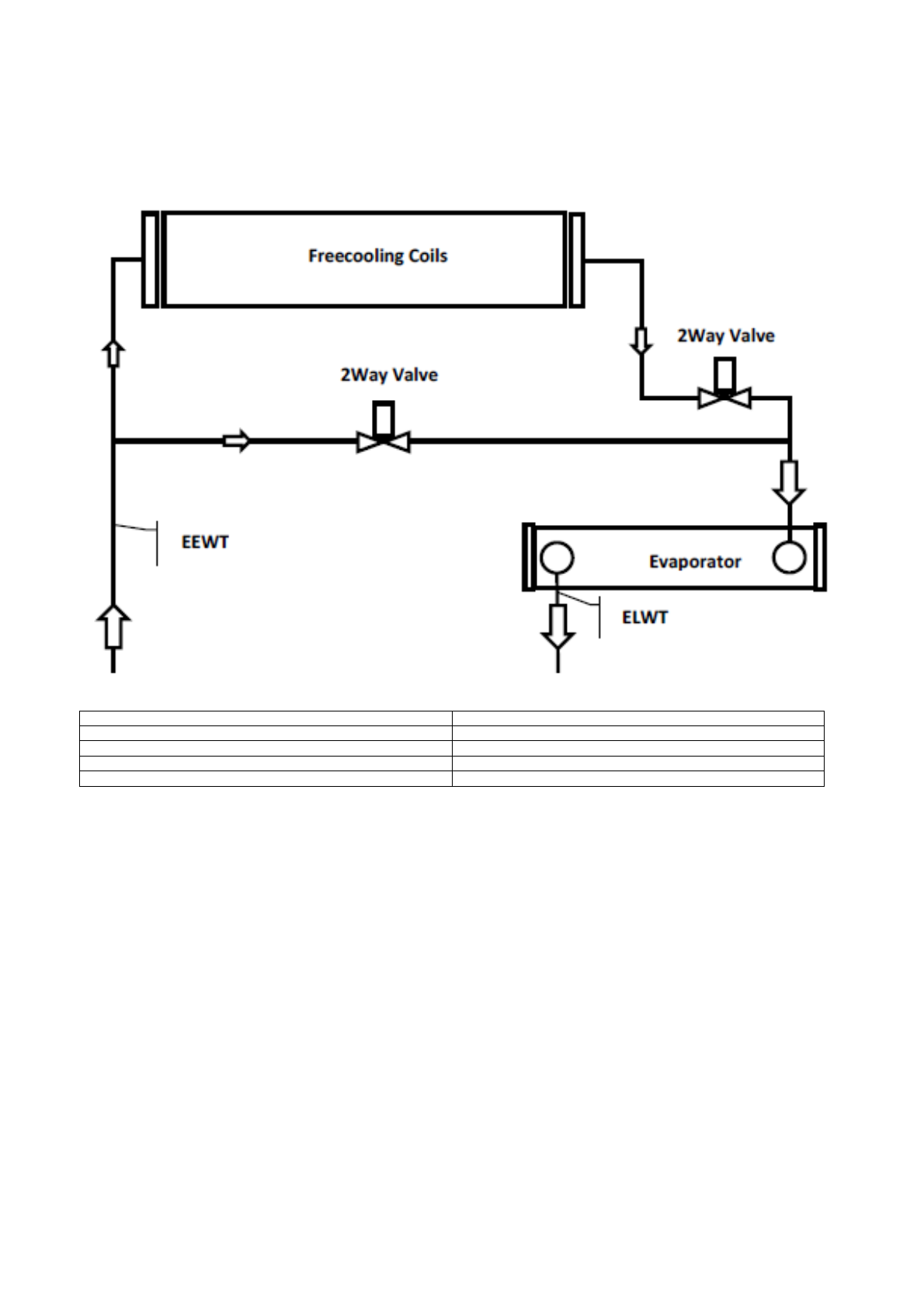
Sistema de freecooling con válvulas de 2 vías
EWADC12CF-XS/XL ÷ EWADC16CF-XS/XL - EWADC11CF-XR ÷ EWADC15CF-XR
Freecooling coils
Baterías de freecooling
2 Way Valve
Válvula de 2 vías
EEWT
Sonda de temperatura de entrada del agua
Evaporator
Evaporador
ELWT
Sonda de temperatura de salida del agua
El cambio de sistema se controla a través del control de unidad incorporado, dependiendo de las condiciones de funcionamiento
y del punto de ajuste de la unidad. En el funcionamiento de invierno y de verano, la pérdida de presión del lado del agua es
diferente. Por consiguiente, el flujo de agua del equipo frigorífico podría ser diferente. Asegúrese de que la diferencia de flujo de
agua máximo y mínimo entre el funcionamiento de verano y el de inverno esté dentro de los límites de flujo de agua (ver manual
del producto).












