Кондиционеры Daikin EWAD-C-SL - инструкция пользователя по применению, эксплуатации и установке на русском языке. Мы надеемся, она поможет вам решить возникшие у вас вопросы при эксплуатации техники.
Если остались вопросы, задайте их в комментариях после инструкции.
"Загружаем инструкцию", означает, что нужно подождать пока файл загрузится и можно будет его читать онлайн. Некоторые инструкции очень большие и время их появления зависит от вашей скорости интернета.

D-EIMAC00604-14EU - 140/196
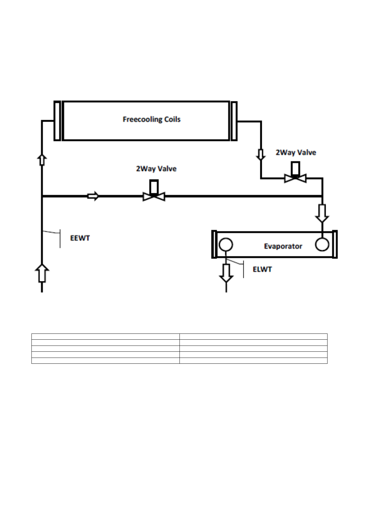
Systém volného chlazení s dvojcestným ventilem
EWADC12CF-XS/XL ÷ EWADC16CF-XS/XL - EWADC11CF-XR ÷ EWADC15CF-XR
Freecooling coils
Cívky pro volné chlazení
2 Way Valve
Dvojcestný ventil
EEWT
Tepelná sonda vstup vody
Evaporator
Výparník
ELWT
Tepelná sonda vstup vody
Systémovou vým
ě
nu
ř
ídí v závislosti na provozních podmínkách a nastavené hodnot
ě
vestav
ě
ná
ř
ídící jednotka. Mezi zimním a
letním provozem jsou poklesy vodní strany r
ů
zné, následkem
č
ehož m
ů
že být pr
ů
tok vody chladícím za
ř
ízením r
ů
zný.
Vyhodno
ť
te, zda se minimální a maximální pr
ů
tok vody b
ě
hem letního a zimního provozu nachází v rámci limit
ů
pr
ů
toku vody (viz
návod k výrobku).












