Кондиционеры Daikin EWAD-C-SL - инструкция пользователя по применению, эксплуатации и установке на русском языке. Мы надеемся, она поможет вам решить возникшие у вас вопросы при эксплуатации техники.
Если остались вопросы, задайте их в комментариях после инструкции.
"Загружаем инструкцию", означает, что нужно подождать пока файл загрузится и можно будет его читать онлайн. Некоторые инструкции очень большие и время их появления зависит от вашей скорости интернета.

D-EIMAC00604-14EU - 104/196
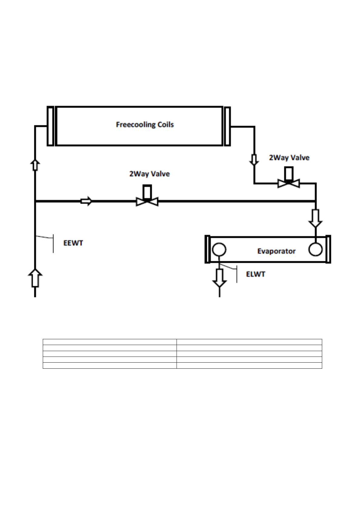
Frikylsystem med tvåvägsventil
EWADC12CF-XS/XL ÷ EWADC16CF-XS/XL - EWADC11CF-XR ÷ EWADC15CF-XR
Freecooling coils
Frikylslingor
2 Way Valve
Tvåvägsventil
EEWT
Temperatursond inloppsvatten
Evaporator
Förångare
ELWT
Temperatursond utloppsvatten
Systemets omkoppling styrs av enhetens inbyggda styrdon, beroende på driftförhållanden och enhetens börvärde. Mellan vinter-
och sommardrift faller vattnets sidotryck olika, följaktligen kan kylaggregatets vattenflöde variera. Beräkna att minimalt och
maximalt vattenflöde mellan sommar- och vinterdrift ligger inom vattenflödets begränsningar (se produktmanualen).












