Кондиционеры Daikin EWAD-C-SL - инструкция пользователя по применению, эксплуатации и установке на русском языке. Мы надеемся, она поможет вам решить возникшие у вас вопросы при эксплуатации техники.
Если остались вопросы, задайте их в комментариях после инструкции.
"Загружаем инструкцию", означает, что нужно подождать пока файл загрузится и можно будет его читать онлайн. Некоторые инструкции очень большие и время их появления зависит от вашей скорости интернета.

D-EIMAC00604-14EU - 48/196
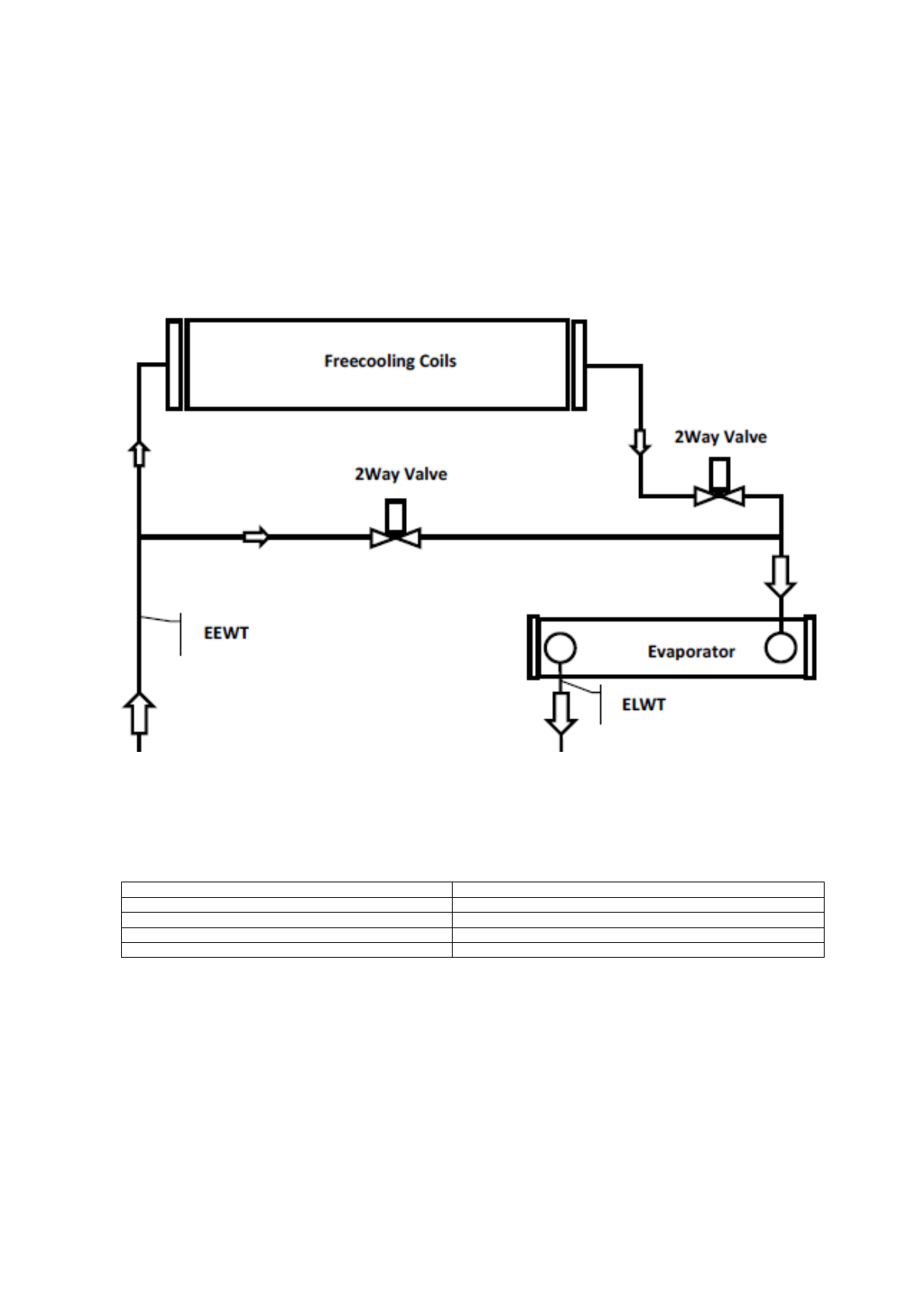
Freecooling systeem met tweewegskleppen
EWADC12CF-XS/XL ÷ EWADC16CF-XS/XL - EWADC11CF-XR ÷ EWADC15CF-XR
Freecooling coils
Freecooling coils
2 Way Valve
Tweewegsklep
EEWT
Temperatuursonde watertoevoer
Evaporator
Verdamper
ELWT
Temperatuursonde wateruitlaat
De omschakeling van het systeem wordt gestuurd door de ingebouwde controller van de eenheid afhankelijk van de
werkingsomstandigheden en het instelpunt van de eenheid. De drukdalingen aan de waterzijde zijn anders bij de winter- en de
zomerwerking. Dat waterstroom van de koeler kan daarom verschillen. Zorg ervoor dat de minimale en maximale waterstroming
bij de zomer- en winterwerking binnen de limieten voor de waterstroming valt (zie producthandleiding).












