Кондиционеры Daikin EWAD-C-SL - инструкция пользователя по применению, эксплуатации и установке на русском языке. Мы надеемся, она поможет вам решить возникшие у вас вопросы при эксплуатации техники.
Если остались вопросы, задайте их в комментариях после инструкции.
"Загружаем инструкцию", означает, что нужно подождать пока файл загрузится и можно будет его читать онлайн. Некоторые инструкции очень большие и время их появления зависит от вашей скорости интернета.

D-EIMAC00604-14EU - 77/196
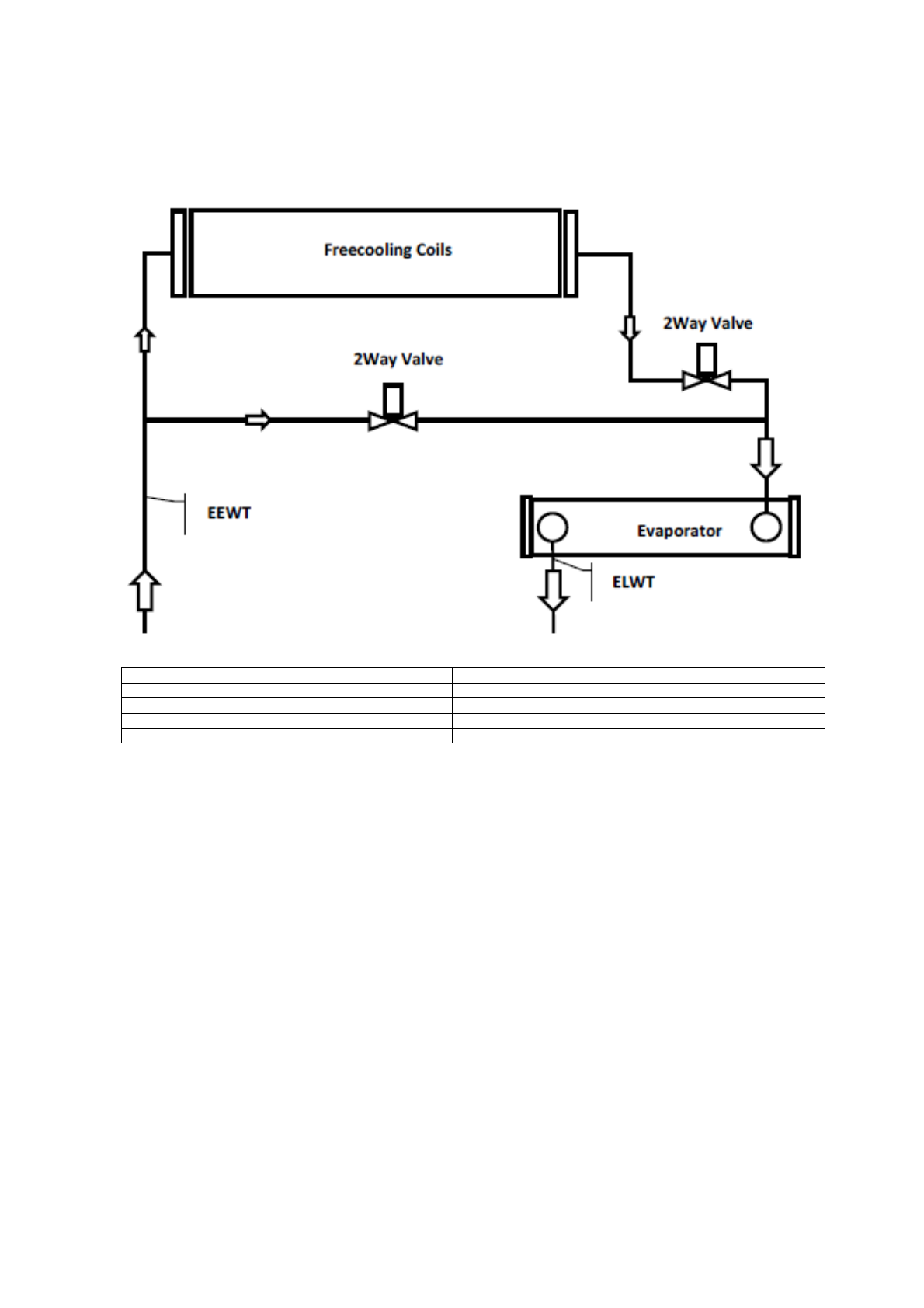
Σύστηµα
ψύξης
Freecooling
µε
2
οδες
βαλβίδες
EWADC12CF-XS/XL ÷ EWADC16CF-XS/XL - EWADC11CF-XR ÷ EWADC15CF-XR
Freecooling coils
Κύλινδροι
συστήµατος
ψύξης
Freecooling
2 Way Valve
2
οδη
βαλβίδα
EEWT
Αισθητήρας
θερµοκρασίας
εισόδου
νερού
Evaporator
Εξατµιστής
ELWT
Αισθητήρας
θερµοκρασίας
εξόδου
νερού
Η
εναλλαγή
λειτουργίας
του
συστήµατος
ελέγχεται
από
τον
ενσωµατωµένο
ελεγκτή
της
µονάδας
,
ανάλογα
µε
τις
συνθήκες
λειτουργίας
και
το
σηµείο
ρύθµισης
της
µονάδας
.
Μεταξύ
χειµερινής
και
θερινής
λειτουργίας
οι
πτώσεις
πίεσης
στην
πλευρά
νερού
είναι
διαφορετικές
,
συνεπώς
η
ροή
νερού
του
ψύκτη
ενδέχεται
να
διαφέρει
.
Βεβαιωθείτε
ότι
η
ελάχιστη
και
η
µέγιστη
ροή
νερού
,
µεταξύ
θερινής
και
χειµερινής
λειτουργίας
,
βρίσκονται
µεταξύ
των
ορίων
ροής
νερού
(
βλ
.
εγχειρίδιο
προϊόντος
).












