Кондиционеры Daikin EWAD-C-SL - инструкция пользователя по применению, эксплуатации и установке на русском языке. Мы надеемся, она поможет вам решить возникшие у вас вопросы при эксплуатации техники.
Если остались вопросы, задайте их в комментариях после инструкции.
"Загружаем инструкцию", означает, что нужно подождать пока файл загрузится и можно будет его читать онлайн. Некоторые инструкции очень большие и время их появления зависит от вашей скорости интернета.

D-EIMAC00604-14EU - 85/196
Versão Unidade de Arrefecimento Gratuito
As unidades de arrefecimento gratuito têm serpentinas adicionais usadas para pré-arrefecer o fluido que chega do edifício e
aumenta a eficiência total descarregando os compressores até a sua paragem total, se as condições ambientais o permitem. O
caudal de água pode ser desviado para serpentinas adicionais se porventura a temperatura ambiente externa cai abaixo da
temperatura da água de retorno mediante válvula de três vias (ou válvulas de uma via. Isso depende da medida do chiller).
A operação de arrefecimento gratuito pode ser ativada com o interruptor QFC instalado na seção de controlo do painel eléctrico.
Depois de ativar a função do Arrefecimento gratuito, o controlador da unidade controla automaticamente a operação das válvulas
de água. O sistema controla também o funcionamento das ventoinhas maximizando o efeito de arrefecimento gratuito.
ATENÇÃO
O sistema de água DEVE ser enchido com a percentagem apropriada de Água e Glicol.
É responsabilidade do utente final garantir o total apropriado da percentagem de Água/Glicol.
Os danos das serpentinas de Arrefecimento gratuito causados por congelamento não são cobertos pela garantia.
ATENÇÃO
Instalar os interruptores de caudal apropriados com a bomba de água com bloqueio para detectar o caudal de água do
sistema.
ATENÇÃO
Para prevenir dano nas serpentinas do arrefecimento gratuito e nos tubos do evaporador, instalar um filtro na tubulação da
entrada de água da unidade. O filtro deve ter uma malha no máximo de 0,5 mm.
Há dois tipos de sistema de controle do arrefecimento gratuito:
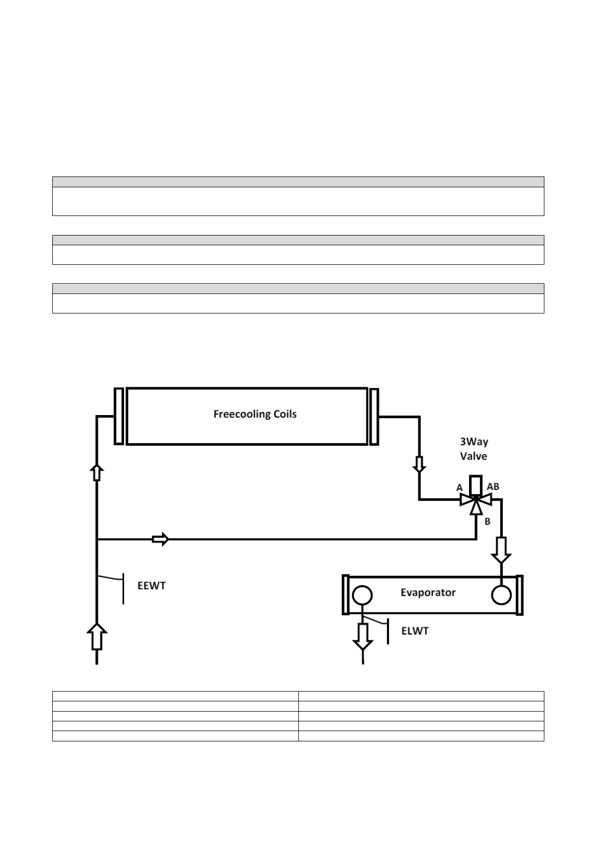
Sistema de Arrefecimento gratuito com Válvula de três vias
EWAD640CF-XS/XL ÷ EWADC11CF-XS/XL - EWAD600CF-XR ÷ EWADC10CF-XR
Freecooling coils
Serpentinas do Arrefecimento gratuito
3 Way Valve
Válvula de três Vias
EEWT
Sonda de temperatura da entrada da água
Evaporator
Evaporador
ELWT
Sonda de temperatura da saída da água












