Кондиционеры Daikin EWAD-C-SL - инструкция пользователя по применению, эксплуатации и установке на русском языке. Мы надеемся, она поможет вам решить возникшие у вас вопросы при эксплуатации техники.
Если остались вопросы, задайте их в комментариях после инструкции.
"Загружаем инструкцию", означает, что нужно подождать пока файл загрузится и можно будет его читать онлайн. Некоторые инструкции очень большие и время их появления зависит от вашей скорости интернета.

D-EIMAC00604-14EU - 113/196
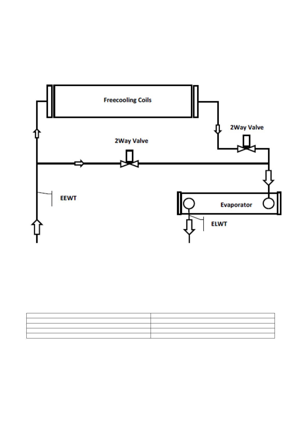
Frikjølingssystem med toveisventiler
EWADC12CF-XS/XL ÷ EWADC16CF-XS/XL - EWADC11CF-XR ÷ EWADC15CF-XR
Freecooling coils
Spoler for frikjøling
2 Way Valve
Toveisventil
EEWT
Temperaturføler for vann i inngang
Evaporator
Fordamper
ELWT
Temperaturføler for vann i utgang
Systemendringen ovenfor kontrolleres av en innstøpt enhetskontroll, avhengig av driftsforholdene og enhetens settpunkt. I
perioden mellom drift på vinteren og sommeren er vannsidens trykk noe forskjellig, derfor kan også kjølerens vannføring oppføre
seg annerledes. Kontroller at minimum og maksimum vannføring mellom sommer og vinter er innenfor grenseverdiene for
vannføring (se produktets brukerhåndbok).












