Кондиционеры Daikin EWAD-C-SL - инструкция пользователя по применению, эксплуатации и установке на русском языке. Мы надеемся, она поможет вам решить возникшие у вас вопросы при эксплуатации техники.
Если остались вопросы, задайте их в комментариях после инструкции.
"Загружаем инструкцию", означает, что нужно подождать пока файл загрузится и можно будет его читать онлайн. Некоторые инструкции очень большие и время их появления зависит от вашей скорости интернета.

D-EIMAC00604-14EU - 131/196
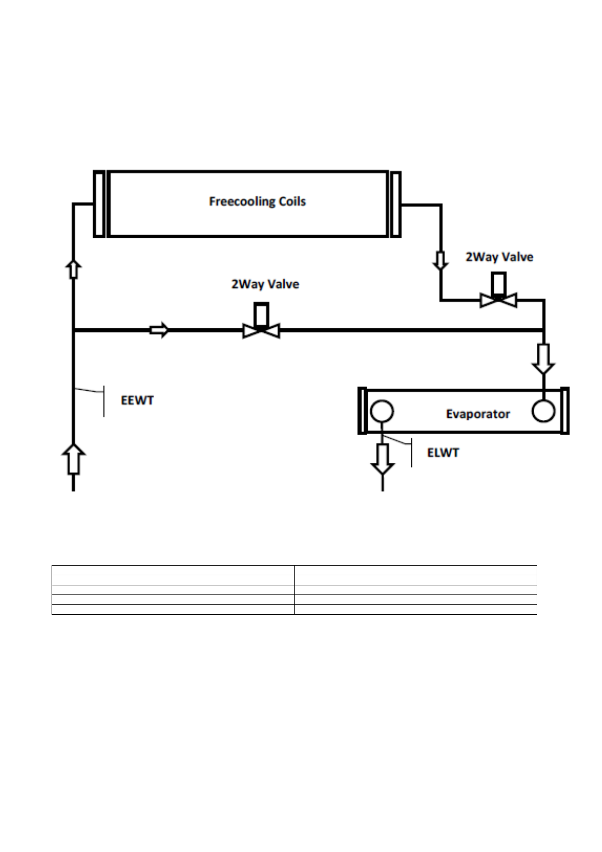
System chłodzenia niewymuszonego z zaworem dwudrogowym
EWADC12CF-XS/XL ÷ EWADC16CF-XS/XL - EWADC11CF-XR ÷ EWADC15CF-XR
Freecooling coils
W
ęż
ownice modułu chłodzenia niewymuszonego
2 Way Valve
Zawór dwudrogowy
EEWT
Sonda temperatury dopływu wody
Evaporator
Parownik
ELWT
Sonda temperatury odpływu wody
Przeł
ą
czaniem systemu steruje wbudowany kontroler modułu w zale
ż
no
ś
ci od warunków pracy i nastaw modułu. Spadki ci
ś
nienia
po stronie wody s
ą
ró
ż
ne w przypadku pracy w zimie i w lecie, co przekłada si
ę
na ró
ż
nice w przepływie wody w agregacie
chłodniczym. Warto
ś
ci minimalne i maksymalne przepływu wody dla pracy w zimie i w lecie mieszcz
ą
si
ę
zakresach przepływu
wody (patrz instrukcja obsługi produktu).












