Кондиционеры Daikin EWAD-C-SL - инструкция пользователя по применению, эксплуатации и установке на русском языке. Мы надеемся, она поможет вам решить возникшие у вас вопросы при эксплуатации техники.
Если остались вопросы, задайте их в комментариях после инструкции.
"Загружаем инструкцию", означает, что нужно подождать пока файл загрузится и можно будет его читать онлайн. Некоторые инструкции очень большие и время их появления зависит от вашей скорости интернета.

D-EIMAC00604-14EU - 86/196
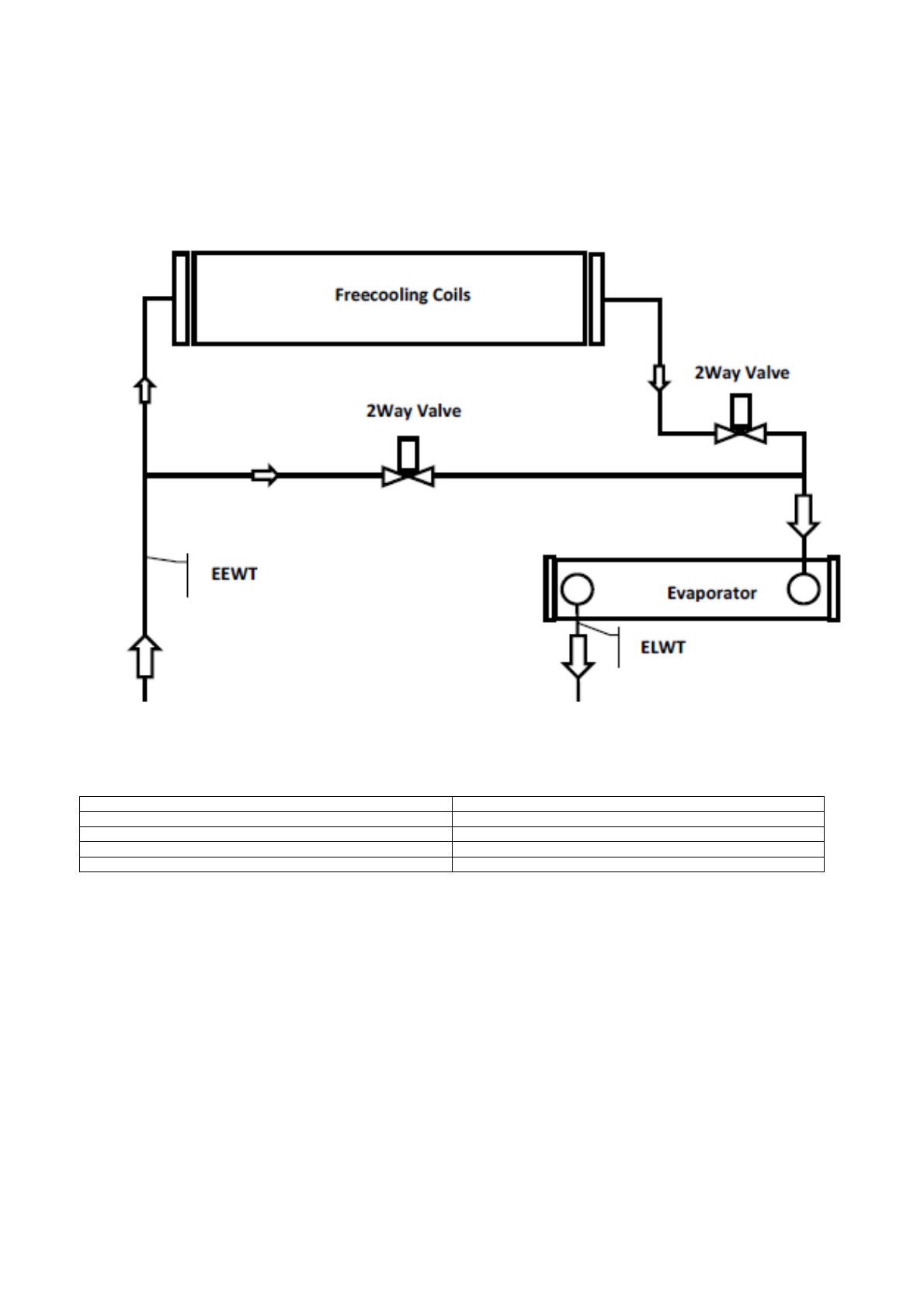
Sistema de Arrefecimento gratuito com Válvula de duas vias
EWADC12CF-XS/XL ÷ EWADC16CF-XS/XL - EWADC11CF-XR ÷ EWADC15CF-XR
Freecooling coils
Serpentinas do Arrefecimento gratuito
2 Way Valve
Válvula de duas Vias
EEWT
Sonda de temperatura da entrada da água
Evaporator
Evaporador
ELWT
Sonda de temperatura da saída da água
A conversão do sistema é controlada pelo controlador da unidade incorporado, dependendo das condições operacionais e o
ponto de ajuste da unidade.
Entre a operação inverno e verão as quedas de pressão lateral da água são diferentes,
consequentemente o caudal de água do chiller poderia ser diferente.
Verificar que os caudais mínimo e máximo de água, entre o
funcionamento verão e inverno, estão dentro dos limites do caudal de água (consultar o manual do produto).












