Кондиционеры Daikin EWAD-C-SL - инструкция пользователя по применению, эксплуатации и установке на русском языке. Мы надеемся, она поможет вам решить возникшие у вас вопросы при эксплуатации техники.
Если остались вопросы, задайте их в комментариях после инструкции.
"Загружаем инструкцию", означает, что нужно подождать пока файл загрузится и можно будет его читать онлайн. Некоторые инструкции очень большие и время их появления зависит от вашей скорости интернета.

D-EIMAC00604-14EU - 158/196
Szabadh
ű
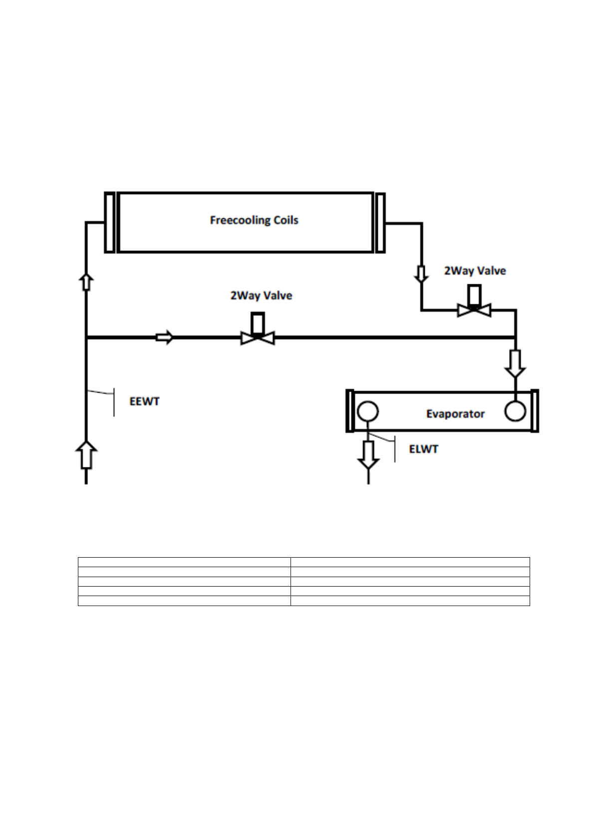
téses rendszer 2 utas szeleppel
EWADC12CF-XS/XL ÷ EWADC16CF-XS/XL - EWADC11CF-XR ÷ EWADC15CF-XR
Freecooling coils
Szabadh
ű
téses tekercsek
2 Way Valve
Kétutas szelep
EEWT
Bemeneti vízh
ő
mérséklet mér
ő
szonda
Evaporator
Párologtató
ELWT
Kimeneti vízh
ő
mérséklet mér
ő
szonda
A m
ű
ködési körülményekt
ő
l és az egység alapértékét
ő
l függ
ő
rendszer átállást a beágyazott egység kontroller vezérli. A téli és
nyári üzemmód között a víz oldalnyomás csökkenés eltér
ő
, ezért a h
ű
t
ő
víz áramlás is különböz
ő
lehet. Ellen
ő
rizni kell, hogy a téli
és nyári üzemmód között a vízáramlás minimuma és maximuma a vízáramlás határértékek között van-e (lásd a termék használati
utasítását).












