Кондиционеры Daikin EWAD-C-SL - инструкция пользователя по применению, эксплуатации и установке на русском языке. Мы надеемся, она поможет вам решить возникшие у вас вопросы при эксплуатации техники.
Если остались вопросы, задайте их в комментариях после инструкции.
"Загружаем инструкцию", означает, что нужно подождать пока файл загрузится и можно будет его читать онлайн. Некоторые инструкции очень большие и время их появления зависит от вашей скорости интернета.

D-EIMAC00604-14EU - 66/196
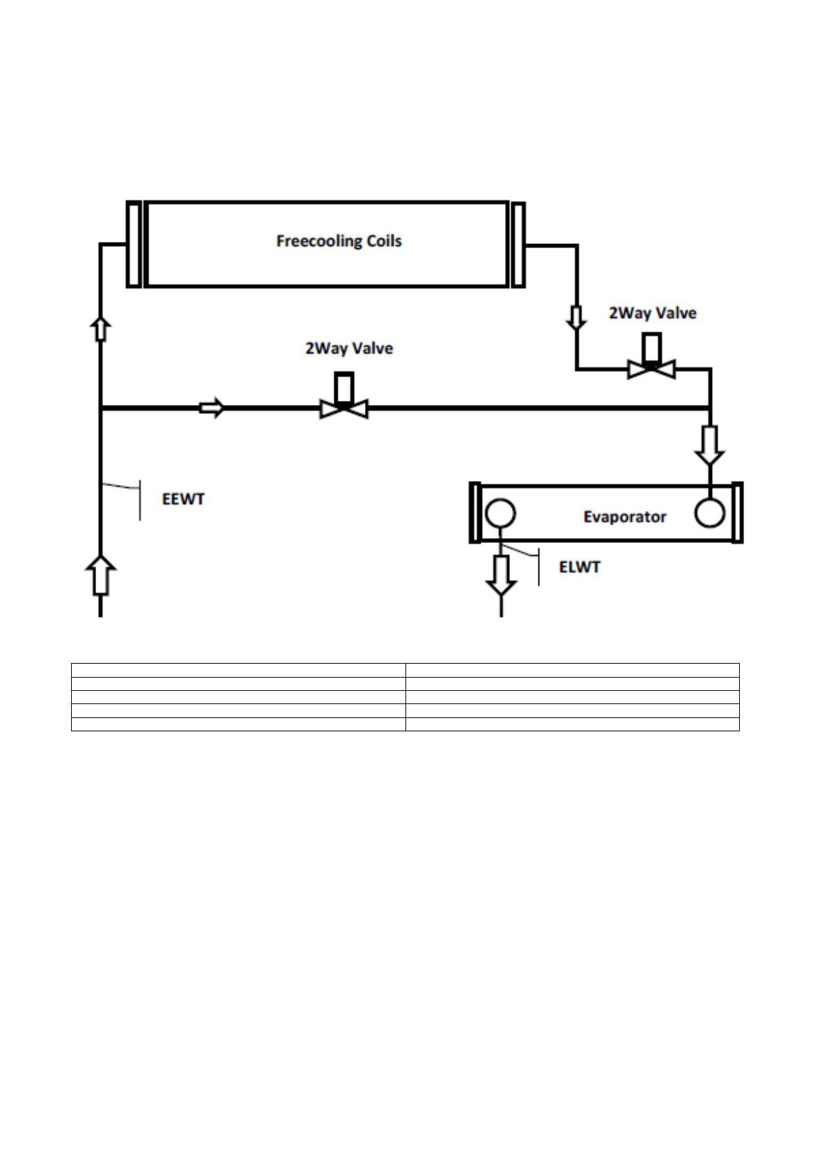
Sistema di raffreddamento libero con valvole a 2 vie
EWADC12CF-XS/XL ÷ EWADC16CF-XS/XL - EWADC11CF-XR ÷ EWADC15CF-XR
Freecooling coils
Bobine di raffreddamento libero
2 Way Valve
Valvola a 2 vie
EEWT
Sonda temperatura ingresso acqua
Evaporator
Evaporatore
ELWT
Sonda temperatura uscita acqua
Il cambiamento di sistema è controllato dal controllore dell’unità incorporato, a seconda delle condizioni operative e del setpoint
dell’unità. Tra il funzionamento invernale e quello estivo i cali di pressione del lato acqua sono diversi, quindi il flusso d'acqua del
gruppo frigorifero potrebbe essere differente. Verificare che il flusso d’acqua minimo e massimo, tra il funzionamento estivo e
quello invernale, rispettino i limiti del flusso d'acqua (vedere manuale del prodotto).












