Кондиционеры Daikin EWAD-C-SL - инструкция пользователя по применению, эксплуатации и установке на русском языке. Мы надеемся, она поможет вам решить возникшие у вас вопросы при эксплуатации техники.
Если остались вопросы, задайте их в комментариях после инструкции.
"Загружаем инструкцию", означает, что нужно подождать пока файл загрузится и можно будет его читать онлайн. Некоторые инструкции очень большие и время их появления зависит от вашей скорости интернета.

D-EIMAC00604-14EU - 186/196
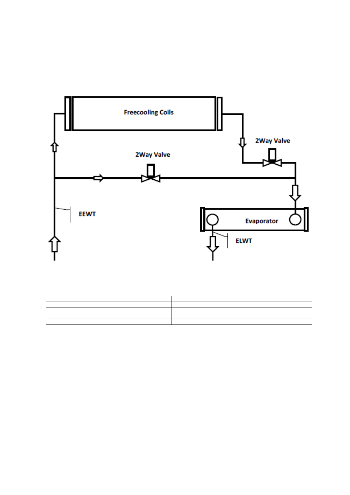
Система
за
свободно
охлаждане
с
двупосочни
клапани
EWADC12CF-XS/XL ÷ EWADC16CF-XS/XL - EWADC11CF-XR ÷ EWADC15CF-XR
Freecooling coils
Серпентини
за
свободно
охлаждане
2 Way Valve
Двупосочен
клапан
EEWT
Температурана
сонда
вход
вода
Evaporator
Изпарител
ELWT
Температурна
сонда
изход
вода
Промените
в
системата
се
контролират
от
вграден
контролер
,
в
зависимост
от
условията
за
експлоатация
и
зададените
параметри
на
тялото
.
Водните
капки
от
налягането
при
експлоатация
през
зимата
и
през
лятото
са
различни
,
следователно
на
притока
на
вода
на
чилъра
може
да
бъде
различен
.
Преценете
това
,
че
минималния
и
максималния
воден
поток
,
при
работа
през
лятото
и
през
зимата
са
в
границите
на
водните
потоци
(
вижте
ръководството
за
експлоатация
на
продукта
).












