Проекторы NEC PH1400U - инструкция пользователя по применению, эксплуатации и установке на русском языке. Мы надеемся, она поможет вам решить возникшие у вас вопросы при эксплуатации техники.
Если остались вопросы, задайте их в комментариях после инструкции.
"Загружаем инструкцию", означает, что нужно подождать пока файл загрузится и можно будет его читать онлайн. Некоторые инструкции очень большие и время их появления зависит от вашей скорости интернета.

173
6. Установка и подключение
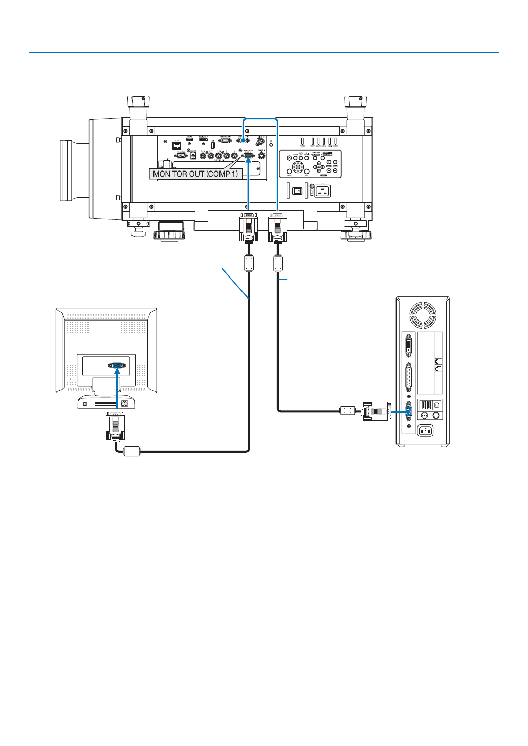
Подключение внешнего монитора
К проектору можно подключить отдельный внешний монитор для параллельного просмотра на мониторе компью-
терного аналога проецируемого изображения.
ПРИМЕЧАНИЕ:
• Последовательное подключение невозможно.
• К разъему MONITOR OUT (COMP1) будет выводиться сигнал только от разъема COMPUTER 1 IN.
• При выборе с помощью экранного меню параметра [ЭНЕРГОСБЕРЕГАЮЩИЙ] или [ОЖИДАНИЕ СЕТИ] для [РЕЖИМ ОЖИДАНИЯ] сигнал не будет выводиться к
разъему MONITOR OUT (COMP1) во время режима ожидания.
• Когда проецируется сигнал от разъема COMPUTER 3 IN, никакой видеосигнал не будет выводиться к разъему MONITOR OUT (COMP1).
Компьютерный кабель
(VGA) (входит в ком-
плект поставки)
Компьютерный кабель
(VGA) (приобретается
дополнительно)
Содержание
- 3 Важная информация; Предостережения относительно безопасности; Меры предосторожности; ВНИМАНИЕ; Утилизация использованного изделия; ПРЕДУПРЕЖДЕНИЕ
- 4 ii; Важные меры безопасности
- 5 iii; Меры пожарной и электрической безопасности
- 6 iv
- 7 личивает вероятность снижения ее яркости.; Свободное пространство для установки проектора
- 8 Информация о режиме работы на большой высоте; эксплуатации внутренних деталей, например лампы.
- 9 vii; ОБ АВТОРСКИХ ПРАВАХ НА ОРИГИНАЛЬНЫЕ ПРОЕЦИРУЕМЫЕ ИЗОБРАЖЕНИЯ.; смотра делайте перерыв продолжительностью не менее 15 минут.
- 10 viii; Оглавление
- 11 ix
- 12 Использование экранного меню
- 13 xi; Подключение к беспроводной локальной сети с помощью модуля; Техническое обслуживание
- 14 xii
- 15 Комплектация; ратитесь к торговому представителю.
- 16 Знакомство с проектором; Поздравляем с покупкой проектора!; ходящий к конкретным условиям эксплуатации
- 17 экран для ввода пароля.; Об этом руководстве пользователя
- 18 Название деталей проектора; Лицевая/верхняя часть; • Четыре колонки укладки могут быть удалены с проектора.
- 19 Тыльная часть; Соблюдайте осторожность, когда поднимаете проектор.
- 20 Панель управления/Индикаторы; Включает подсветку панели управления и панели разъемов.
- 21 Элементы панели разъемов; приведены типичные коды управления с ПК.
- 22 Задняя панель разъемов (Функция 3D терминала)
- 23 Элементы пульта дистанционного управления; та дистанционного управления
- 24 Установка элемента питания; Вставьте новые элементы; Правила обращения с пультом дистанционного управления; • Обращайтесь с пультом дистанционного управления осторожно.; дистанционного датчика, расположенного на корпусе проектора.
- 25 дного управления необходим аккумулятор.
- 26 Рабочая среда для загружаемого программного обеспечения; Служба загрузки обновлений
- 27 Операционная среда
- 28 Порядок проецирования изображения; - Автоматическая оптимизация сигнала компьютера (
- 29 • Прежде чем выполнять следующие шаги, установите объектив. (; Использование прилагаемых силовых кабелей; Для Северной Америки
- 30 Использование фиксатора силового кабеля; силового кабеля для закрепления кабеля.; Закрепите силовой кабель с помощью фиксатора силового кабеля.; Подвиньте зажим к краю силового кабеля.
- 32 Включение проектора; • Включение проектора:; Снимите крышку объектива.
- 33 Выполнение калибровки объектива
- 34 Примечание об экране запуска (экран выбора языка меню); Для выбора языка меню выполните следующие действия:; С помощью кнопки
- 35 Перестаньте нажимать кнопку ORIENTATION.
- 36 Выбор источника сигнала; Выбор компьютера или источника видеосигнала; На экране отобразится меню.
- 38 Регулировка размера и положения изображения; можно выбрать один тестовый рисунок. Чтобы закрыть
- 39 Наклон проектора
- 40 Диапазон наклона: ± 2°; повреждению проектора и травмам.
- 41 Настройка с помощью кнопок на корпусе проектора; Нажмите одну из кнопок LENS SHIFT
- 42 Настройка с помощью пульта дистанционного управления; Откроется окно сдвига объектива.
- 43 Фокус; Подготовка: оставьте проектор включенным на один час.
- 45 Коррекция трапецеидальных искажений; Если проектор наклонен по отношению к экрану.
- 47 Автоматическая оптимизация сигнала компьютера; Настройка изображения с помощью автоматической настройки
- 48 Выключение проектора; Чтобы выключить проектор:; Сначала нажмите на кнопку
- 50 Транспортировка проектора; быть поврежден во время транспортировки.
- 52 Увеличение картинки; Увеличение картинки возможно до четырехкратного размера.
- 53 Изменение ЭКО режима/Проверка энергосберегающего эффекта; Данная функция позволяет выбирать два режима яркости лампы:
- 54 Проверка энергосберегающего эффекта [ИЗМЕРЕНИЕ СО2]; Величина уменьшения выброса СО
- 55 Коррекция горизонтального и вертикального трапецеидального; Угловая коррекция; Отобразится экран настройки угловой коррекции.
- 57 данные коррекции. Функция «Угловой коррекции» станет доступной.
- 58 Отображение двух изображений одновременно; При помощи кнопки
- 59 Просмотр двух изображений; Нажмите кнопку PIP/FREEZE на пульте дистанционного управления.
- 60 Предупреждение несанкционированного использования; Чтобы включить функцию безопасности:
- 62 Чтобы отключить функцию БЕЗОПАСНОСТЬ:
- 63 Сохранение изменений для сдвига объектива, масштабирования; Пример использования; также сигнал SXGA или другой сигнал формата 5:4:
- 67 Отображение изображения при помощи [СМЕШИВАНИЕ КРАЕВ]; разрешающей способностью.; Пример: Размещение двух проекторов параллельно; • Включите проектор и отобразите сигнал.
- 68 Нажмите кнопку ENTER.
- 70 Регулировка уровня черного; темную часть или уровень яркости.; Используйте кнопку
- 71 сегментированных участков для настройки уровня черного; Центральная часть проектора
- 72 Управление проектором с помощью браузера HTTP; Общий обзор; ошибке будут отправлены по электронной почте.; Подготовка перед началом работы
- 73 Управление адресом для работы через браузер; сети можно получить, указав; PROJECTOR ADJUSTMENT; POWER: служит для управления питанием проектора.
- 75 WIRED или WIRELESS
- 77 верьте правильность сетевых настроек.
- 78 • NETWORK SERVICE; ПРИМЕЧАНИЕ: Если Вы забыли пароль, обратитесь за помощью к дилеру.; Совместимость с CRESTRON ROOMVIEW
- 79 Настройки проектора для работы в качестве сетевого проектора; При включенном проекторе нажмите кнопку SOURCE.
- 80 или
- 81 Проецирование изображения в режиме сетевого проектора; В области «Доступные проекторы» появится «PH1400 Series».
- 82 Выход из режима сетевого проектора; Режим сетевого проектора отключен.
- 83 Использование проектора для управления компьютером через; тера на проекционный экран по сети.
- 84 беспроводной клавиатуры и мыши.
- 85 Настройка пароля для учетной записи Windows 7; К записи «Администратор» добавлена запись [Защищена паролем].; Настройка удаленного доступа
- 86 Запуск режима удаленного рабочего стола
- 88 Выход из режима удаленного рабочего стола; Работа в режиме удаленного рабочего стола закончена.
- 89 Просмотр 3D изображений; Подготовка; Подготовьте NVIDIA® 3D VisionTM Pro или эквивалентную систему.
- 90 Шаги для просмотра 3D изображений; STEREO DVI; SYNC IN
- 91 Регулировка 3D изображения; черного для 3D изображения.
- 92 Использование режима «Просмотр»; Возможности режима ПРОСМОТР; Поддерживаемые графические форматы; Требования к воспроизведению:
- 93 формы и примечания – не будут отображаться.; Поддерживаемые файлы в формате PowerPoint
- 94 сетевой кабель или выключая проектор.
- 95 Подготовка материалов для презентации; • Информацию о поддерживаемых форматах файлов см. на стр.; • Использование команды печати; справку к Adobe Acrobat.
- 96 Показ изображений с запоминающего устройства USB; Этот раздел объясняет основные принципы работы режима ПРОСМОТР.; Начало работы режима «Просмотр»; Вставьте запоминающее устройство USB в порт USB
- 97 для выбора «USB1» и нажмите кнопку
- 98 • Видеофайл
- 99 Извлеките запоминающее устройство USB из проектора.; Выход из режима «Просмотр»
- 100 Отображает список устройств, подсоединенных к проектору.; Опции меню; • Воспользуйтесь кнопкой; Опции окна со списком устройств; , чтобы переместить курсор на список устройств.
- 101 Функции
- 102 Опции для окна миниатюр
- 103 Работа панели элементов управления
- 104 Функции панели элементов управления для видео
- 105 ПОДСКАЗКА
- 106 • НАСТРОЙКИ АВТОВОСПРОИЗВЕДЕНИЯ
- 108 Воспроизведение данных, находящихся в папке с общим доступом; Запомните или запишите путь, он понадобится для работы.; Подключение проектора к папке с общим доступом; Нажмите кнопку VIEWER на пульте дистанционного управления.
- 110 Нажмите кнопку
- 112 Отображение данных при использовании медиасервера; Настройка функции «Media Sharing» для Windows Media Player 11; Откроется диалоговое окно «Общий доступ к файлам мультимедиа».
- 113 Отобразится список доступных устройств.
- 114 Появится окно «Разрешить всем медиаустройствам».
- 115 Нажмите кнопку VIEWER на пульте дистанционного управления.
- 117 Ограничения отображаемых файлов; помощью прикладной программы на компьютере.; Некоторые ограничения для файлов PowerPoint; по величине или ширине, вызывая искажения разметки слайда; Некоторые ограничения для PDF файлов
- 118 Использование меню; ления или корпусе проектора.
- 119 Элементы меню; Окна меню и диалоговые окна обычно включают следующие элементы:; открывается соответствующее ей меню.
- 120 Пункты меню
- 124 Отображение списка ввода
- 125 Ввод текущего проецируемого сигнала в список ввода [ЗАПОМНИТЬ]; Редактирование сигнала из списка ввода [ПРАВКА]
- 126 Удаление сигнала из списка ввода [ВЫРЕЗАТЬ]; Данные из буфера обмена будут вставлены на место сигнала.; Удаление всех сигналов из списка ввода [УДАЛИТЬ ВСЁ]; Откроется подтверждающее сообщение.
- 128 Каждый режим рекомендуется для следующих целей:; Выбор размера экрана для DICOM SIM [РАЗМЕР ЭКРАНА]; Эта опция позволяет настроить цветовую температуру.; Настройка яркости и контраста [ДИНАМИЧЕСКИЙ КОНТРАСТ]
- 129 Корректирует насыщенность всех сигналов.
- 130 Служит для ручной настройки параметров ЧАСЫ и ФАЗА.
- 132 Для сигнала компьютера
- 133 СОБСТВЕННОЕ
- 134 Данная функция используется для снижения шума видео.
- 135 ектора HDMI и DisplayPort.
- 136 Вертикальное искажение можно корректировать вручную. (; Выбор режима угловой коррекции [УГЛОВАЯ КОРРЕКЦИЯ]; полнительного изображения на основном изображении.
- 137 которого отличается от белого.; Настройка энергосберегающего режима [ЭКО РЕЖИМ]
- 138 ПРИМЕЧАНИЕ: Данная опция не отображается в основном меню.; Настройка интервала лампы [РЕЖИМ РАССТОЯНИЯ ЛАМПЫ]; С помощью данной функции можно настроить время смены лампы.
- 139 С помощью данной функции можно настроить день смены лампы.; Использование таймера выключения [ВЫКЛ ТАЙМЕР]
- 140 Для цвета меню возможны две опции: ЦВЕТ и МОНОХРОМНОЕ.; Включение / выключение отображения источника [ДИСПЛЕЙ ИСТОЧНИКА]
- 141 Чтобы закрыть сообщение, нажмите кнопку EXIT.; Выбор времени отображения меню [ВРЕМЯ ПОКАЗА]; является значением по умолчанию.; Выбор ориентации проектора с помощью параметра [ОРИЕНТАЦИЯ]
- 143 изображений с нескольких проекторов.; Настройка
- 145 Опция позволяет включать или выключать функцию БЕЗОПАСНОСТЬ.; Выбор скорости передачи данных [СКОРОСТЬ КОММУНИКАЦИИ]; потребуется уменьшить — это зависит от оборудования).; Установка идентификатора проектора [КОНТРОЛЬ ID]; каждому проектору идентификационный номер.
- 146 Присвоение или изменение контроля ID; Нажмите кнопку ID SET на пульте дистанционного управления.
- 148 цировать сигнал автоматически.
- 150 или корпусе проектора для включения проектора.; Выбор источника по умолчанию [ВЫБОР ФАБ УСТАН ИСТОЧ]; будет обращаться всякий раз при включении.
- 151 мерных мультиэкранных изображений.
- 152 Запасная лампа
- 155 FIRMWARE3
- 157 нужно сбрасывать время использования фильтра.
- 158 Меню приложений; IMAGE EXPRESS UTILITY; пользования Image Express Utility.; СЕТЕВОЙ ПРОЕКТОР; пользования сетевого проектора.
- 160 Чтобы подключиться к серверу DHCP:
- 163 могут быть доступными для посторонних лиц.
- 164 ВЫБОР КЛЮЧА; • Максимальное количество знаков; Опция
- 165 Подготовка перед выполнением настройки; ровой сертификат на проектор.; Порядок установки
- 166 Появится список «SSID».
- 168 Установка цифрового сертификата; нающем устройстве USB, и нажмите кнопку ENTER.
- 169 Очистка цифрового сертификата, который установлен на проекторе; Выберите [ОЧИСТИТЬ СЕРТИФИКАТЫ] в нижнем левом углу экрана
- 170 • Длина пароля должна быть не более 32 символов.
- 174 Ниже приведен пример сообщения, которое поступает с
- 177 в определенное время.; Настройка нового таймера программы; На экране ТАЙМЕР ПРОГРАММЫ используйте кнопку
- 178 не оставлять проектор включенным на долгое время.
- 179 Активация таймера программы; выключения таймера программы.; Изменение запрограммированных настроек; кнопку; Удаление программ; Откроется диалоговое окно подтверждения.
- 180 ожидания часы не остановятся.; МЫШЬ
- 181 Подключение к другому оборудованию; Установка дополнительного объектива; повредив линзы и механизм сдвига объектива.; Перед установкой объектива:
- 182 Установка и подключение; привести к неисправности.; Поверните предохранительный рычаг вправо — в по
- 184 Подключение; Аналоговое соединение RGB сигнала
- 185 Подключение цифрового RGB-сигнала
- 186 исправленный стандарт 1.0. Длина кабеля должна быть в пределах 5 м.
- 187 терного аналога проецируемого изображения.
- 188 бражение может отображаться некорректно.
- 191 сети с помощью сетевого кабеля.; Пример подключения к локальной сети; Пример подключения к проводной локальной сети
- 192 установить IP-адрес и выполнить другие настройки.; Порядок настройки беспроводной локальной сети; локальной сети к USB-порту на панели разъемов.
- 193 дания, затем выключите главный переключатель питания.
- 195 Пример подключения к беспроводной локальной сети
- 196 держки. Это называется «Штабелированное проецирование».
- 198 Чистка фильтров; (1) Ослабьте оба винта с рифленой головкой, поворачивая
- 199 Потяните верхнюю часть фильтра на себя, а затем вверх.; С помощью пылесоса вычистите внутреннюю часть; Установите крышку фильтра обратно на корпус про
- 201 Установите фильтр на свое посадочное место.
- 202 Чистка объектива; • Перед чисткой выключите проектор.; Чистка корпуса; Если он сильно загрязнен, используйте мягкое чистящее средство.; результате к его неисправности.
- 203 Замена лампы и фильтров; замены лампы не забудьте обнулить счетчик наработки лампы. (; можно поражение электрическим током.; Порядок замены лампы и фильтров; Следующая процедура служит примером для замены обеих ламп.
- 204 Прежде чем снимать корпус лампы, убедитесь, что деталь остыла.
- 205 Установите крышку отсека лампы на место.; На этом замена лампы заканчивается.
- 206 Замена фильтров; чения варьируются в зависимости от условий эксплуатации.; Замена фильтра, находящегося на левой стороне
- 207 Вставляйте фильтр указателем «; Установите крышку фильтра обратно на корпус про; (2) Сдвиньте крышку фильтра вправо и затяните оба винта
- 208 На этом замена фильтра завершена.
- 210 Установка программного обеспечения; Установка для программного обеспечения Windows; работу с ОС Windows 8, Windows 7, Windows Vista и Windows XP.; Деинсталляция программного обеспечения; • Для Windows 7/Windows Vista; • Для Windows XP; Нажмите «Пуск», а затем «Панель управления».
- 211 Установка для программного обеспечения Macintosh; Image Express Utility 2 for Mac поддерживает работу с Mac OS X.; • Деинсталляция программного обеспечения
- 212 Отображение изображений или видео с проектора через; Возможности Image Express Utility 2.0; проводной или беспроводной локальной сети.; сжатия NEC; Использование функции «Easy Connection»*
- 213 Подключение проектора к локальной сети; Меню приложений — СЕТЕВЫЕ НА-
- 214 • Подключение к проектору; [Image Express Utility
- 215 Поставьте отметку (; • Передача изображений
- 216 • Остановка или возобновление передачи изображений; • Окончание передачи изображений; Кликните по пиктограмме проектора (
- 217 Ведение конференций; • Ведение конференций; Проектор отобразит экран компьютера.; • Демонстрация файла участникам конференции.
- 218 • Окончание конференции; Участие в конференции; • Участие в конференциях; Нажмите «Разблокировать», если появится данное изображение.
- 219 водит проектор, отобразится в окне посетителя.
- 220 • Сохранение полученных изображений; На экране отобразится панель памяток.; Изображение в окне посетителя будет сохранено.
- 221 • Загрузка файла для демонстрации; Откроется окно «File Transfer».; Окно «File Transfer» закроется.
- 222 • Смена ведущего презентации; В приведенном ниже примере выбрана настройка «Not Approved».; • Выход из конференции; Выйдите из конференции и закройте Image Express Utility 2.0.
- 223 Управление проектором через локальную сеть (PC Control Utility; Функции управления; Запустите PC Control Utility Pro 4; запуском программы планировщика.
- 224 Просмотр справки PC Control Utility Pro 4; • Отображение справки с помощью меню Пуск.; Шаг 2: Подключите проектор к локальной сети; ложений — СЕТЕВЫЕ НАСТРОЙКИ» (; Шаг 3: Запустите PC Control Utility Pro 5; программы планировщика.
- 225 Просмотр справки PC Control Utility Pro 5; • Из меню щелкните на «Help»; • Отображение справки с помощью док; Появится окно справки.; Деинсталляция системной программы; User Supportware/PC Control Utility Pro 5».
- 226 Возможности Image Express Utility 2; Процессор PowerPC G4 800 МГц или мощнее (рекомендуется); Запоминающее устройство; Проводная ЛВС или беспроводная ЛВС (необходима поддержка TCP/IP); Поддерживаемое разрешение; * 256 цветов или менее не поддерживаются.
- 227 Кликните по статусу AirPort (; Если статус AirPort (; Кликните на меню Apple (
- 229 Остановка/Возобновление передачи изображения; • Остановка передачи изображения; Передача изображения будет приостановлена.; • Возобновление передачи изображения; Передача изображения будет возобновлена.; Выход из программы Image Express Utility 2; Image Express Utility 2 закроется.
- 230 Эксплуатация проектора через локальную сеть (Virtual Remote; и дистанционное управление на вашем компьютере.; Подключите проектор к локальной сети.; ний — СЕТЕВЫЕ НАСТРОЙКИ» (
- 231 • Кликните два раза по пиктограмме; Запуск из меню «Пуск»; Для этого поставьте галочку на экране рядом с текстом «
- 232 Выход из Virtual Remote Tool; Просмотр справки к Virtual Remote Tool; • Отображение справки с помощью панели задач; Нажмите на пиктограмму Virtual Remote Tool; • Отображение справки с помощью меню Пуск.; затем «Справка Virtual Remote Tool» в указанном порядке.
- 233 Расстояние до проекции и размер экрана; Типы объективов и расстояние до проекции; единица измерения = м
- 234 Диапазон проецирования для различных объективов
- 235 Таблица размеров экрана
- 236 Диапазон сдвига объектива
- 237 Установка дополнительной платы (продается отдельно)
- 238 Затяните два винта на обеих сторонах слота.
- 239 Перечень совместимых входных сигналов; Аналоговый RGB
- 241 Технические характеристики; Оптические
- 242 Механические; Для получения дополнительной информации посетите:
- 243 Штепсельная вилка и кабель; подходить к типу используемой электрической розетки.; Разъем; Единица измерения: мм
- 244 Габаритные размеры корпуса
- 245 Предназначение выводов входного разъема D-Sub COMPUTER; Номер
- 246 Устранение неисправностей; Показания индикаторов
- 247 В таком случае выполните следующие действия:
- 248 Типичные неисправности и способы их устранения
- 250 Если изображение отсутствует или отображается неправильно.; или перейдите к следующему шагу)
- 251 Коды управления и кабельные соединения ПК; Коды управления ПК; Протокол связи
- 252 Контрольный перечень возможных неисправностей; Частота случаев; постоянно; Питание
- 253 Условия установки
- 254 ЗАРЕГИСТРИРУЙТЕ ВАШ ПРОЕКТОР! (для жителей Соединенных; гарантии на детали, работу и сервисную программу InstaCare.