Обогреватели Master BV 500 4010.033 - инструкция пользователя по применению, эксплуатации и установке на русском языке. Мы надеемся, она поможет вам решить возникшие у вас вопросы при эксплуатации техники.
Если остались вопросы, задайте их в комментариях после инструкции.
"Загружаем инструкцию", означает, что нужно подождать пока файл загрузится и можно будет его читать онлайн. Некоторые инструкции очень большие и время их появления зависит от вашей скорости интернета.

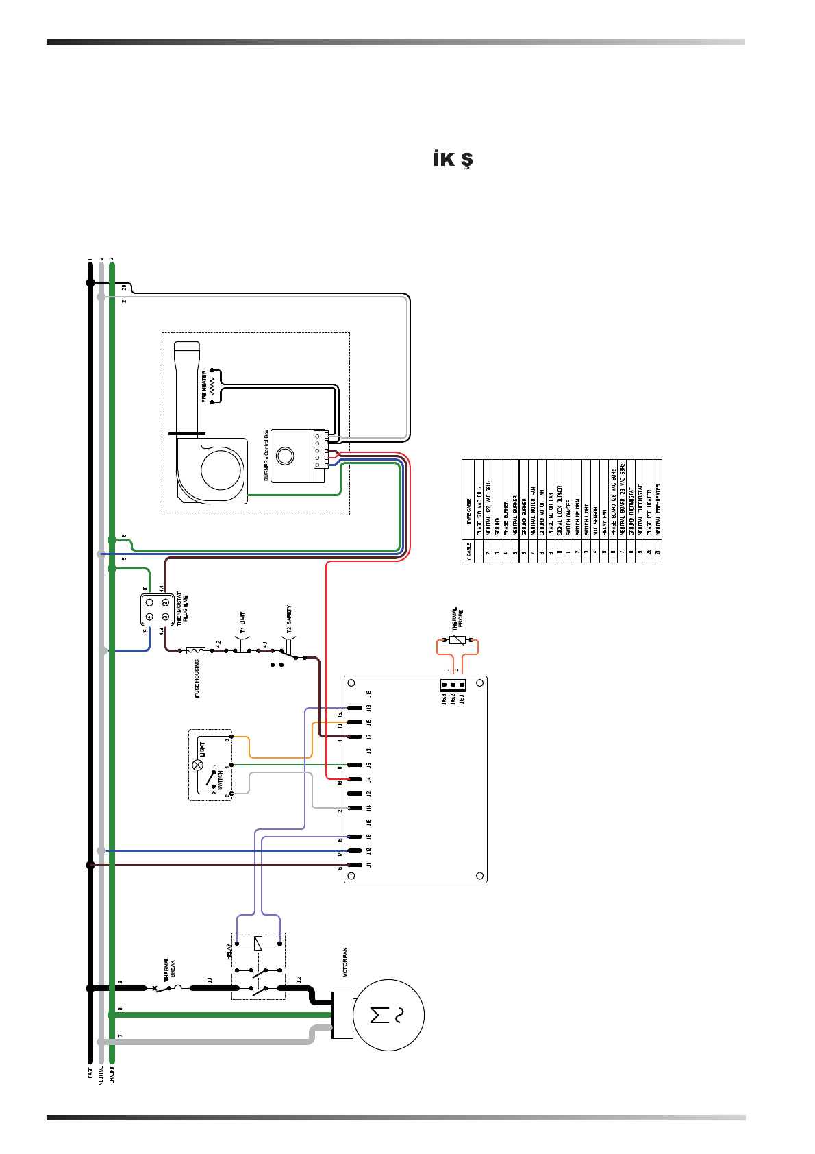
WIRING DIAGRAMS - SCHEMI ELETTRICI - SCHALTPLÄNE - ESQUEMAS
ELÉCTRICOS - SCHEMAS ELECTRIQUES - ELEKTRISCHE SCHEMA’S - ESQUE-
MAS ELÉCTRICOS - ELEKTRISKE SKEMAER - SÄHKÖKAAVIOT - KOPLINGS-
SKJEMA - ELEKTRISKA KOPPLINGSSCHEMAN - SCHEMATY ELEKTRYCZNE
ȋǹdzǸȀǾǶȅdzǿǸǶdzǿȃdzǺȉ(/(.75,&.É6&+e0$7$9,//$1<%(.g7e6,
5$-=2.(/(.75,ÿ1(6+(0((/(.75
(0$/$5,(/(.75,ÿ1(6+
-
(0((/(.75266&+(026(/(.75,6.Œ66+Ř0$6(/(.75,6.((0,'
6&+(0((/(&75,&((/(.75,&.e6&+e0<dzǹdzǸȀǾǶȅdzǿǸǶǿȃdzǺǶ
dzǹdzǸȀǾǶȅǻǥǿȃdzǺǶ(/(.75,ÿ1(ä(0(ƩƭƧƬƵƳƫƬƣƴƸƧƦƫƣ
兎恾⦍
-
ȋǹdzǸȀǾǹǥǿ
Ԛ
ǹǯdzǹdzǾ














Как уменьшить шум вентилятора?Невозможно рядом находится шумит как Боинг на взлете.bv 500