Измерительные приборы Bosch GLM 80 шина R60 - инструкция пользователя по применению, эксплуатации и установке на русском языке. Мы надеемся, она поможет вам решить возникшие у вас вопросы при эксплуатации техники.
Если остались вопросы, задайте их в комментариях после инструкции.
"Загружаем инструкцию", означает, что нужно подождать пока файл загрузится и можно будет его читать онлайн. Некоторые инструкции очень большие и время их появления зависит от вашей скорости интернета.

42
| Français
2 609 140 807 | (21.1.11)
Bosch Power Tools
A l’exception de la configuration « faisceau laser
permanent », toutes les configurations de base
sont préservées lorsque l’appareil est éteint.
Faisceau laser permanent
f
Ne dirigez pas le faisceau laser vers des
personnes ou des animaux et ne regardez
jamais dans le faisceau laser, même si vous
êtes à grande distance de ce dernier.
Dans ce réglage, le faisceau laser reste allumé
même entre les mesures. Pour mesurer, il ne
faut appuyer qu’une seule fois brièvement sur la
touche Mesurer
2
.
Fonctions de mesure
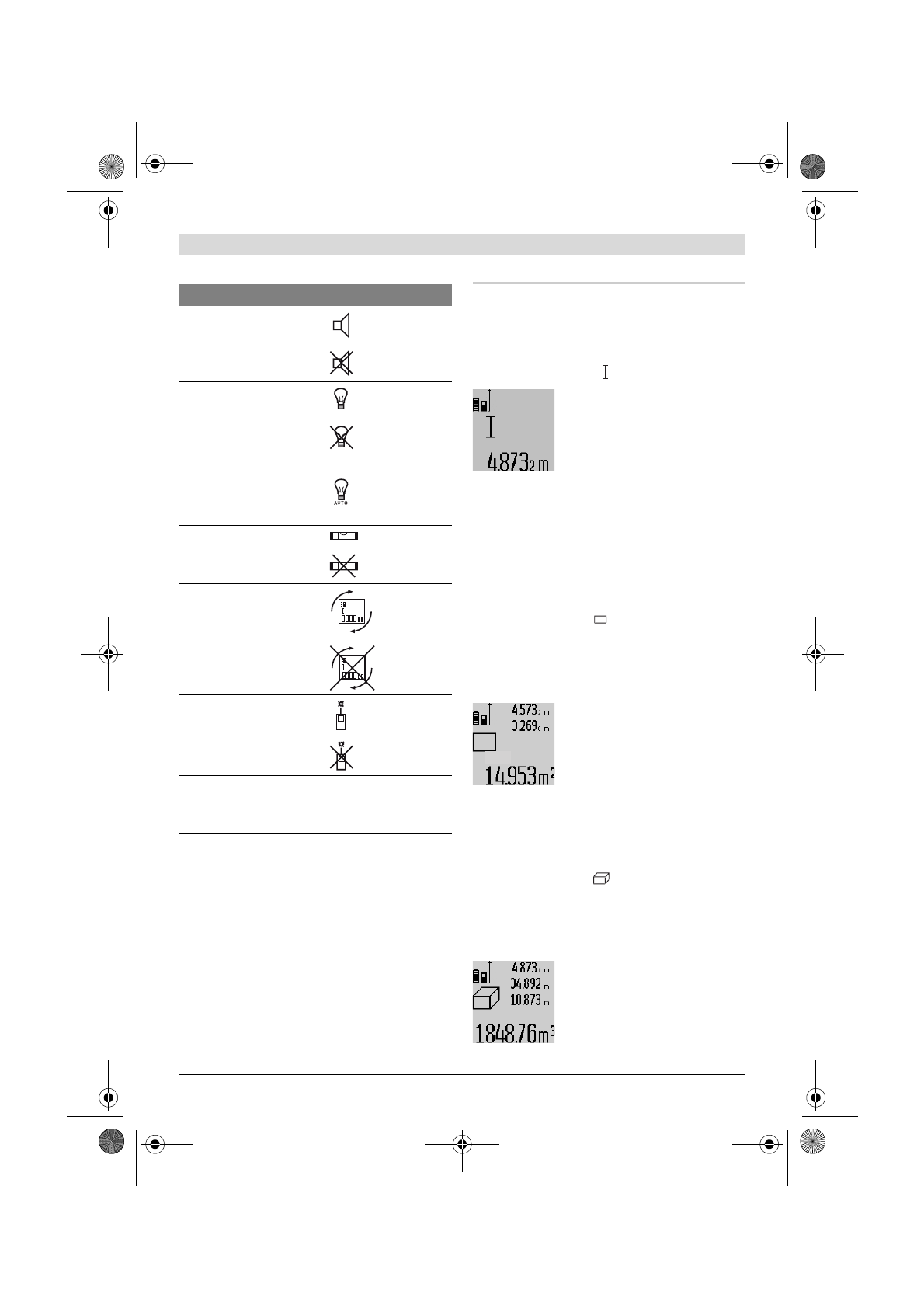
Mesure simple des longueurs
Pour les mesures de longueurs, appuyez sur la
touche
12
jusqu’à ce que l’affichage pour les
mesures de longueurs apparaisse sur l’écran.
Pour activer le laser et pour la
prise de mesure, appuyez une
fois brièvement sur la touche
Mesurer
2
.
La valeur de la mesure est indi-
quée sur la ligne de résultat
c
.
Si plusieurs mesures de longueurs sont effec-
tuées successivement, les résultats des derniè-
res mesures sont affichés sur les lignes de va-
leurs de mesure
a
.
Mesure des surfaces
Pour les mesures de surfaces, appuyez sur la
touche
12
jusqu’à ce que l’affichage pour les
mesures de surfaces apparaisse sur l’écran.
Puis mesurez successivement la longueur et la
largeur tout comme pour une mesure des lon-
gueurs. Le faisceau laser reste allumé entre les
deux mesures.
Une fois la deuxième mesure ter-
minée, la surface est automati-
quement calculée et affichée sur
la ligne de résultat
c
. Les valeurs
de mesure individuelles sont sur
les lignes de valeurs de mesure
a
.
Mesure des volumes
Pour les mesures de volumes, appuyez sur la
touche
12
jusqu’à ce que l’affichage pour les
mesures de volumes
apparaisse sur l’écran.
Puis mesurez successivement la longueur, la lar-
geur et la hauteur tout comme pour une mesure
des longueurs. Le faisceau laser reste allumé en-
tre les trois mesures.
Une fois la troisième mesure ter-
minée, le volume est automati-
quement calculé et affiché sur la
ligne de résultat
c
. Les valeurs de
mesure individuelles sont sur les
lignes de valeurs de mesure
a
.
Configurations de base
Signaux sonores
Activés
Désactivés
Eclairage de l’écran
Activés
Désactivés
Activation/
désactiva-
tion auto-
matique
Bulle d’air numérique
Activés
Désactivés
Rotation de l’écran
Activés
Désactivés
Faisceau laser perma-
nent
Activés
Désactivés
Unité distance (suivant
la version du pays)
m, ft,
pouce, ...
Unité de l’angle
° , %, mm/m
OBJ_BUCH-1347-001.book Page 42 Friday, January 21, 2011 10:30 AM
Содержание
- 244 Описание продукта и услуг; Применение по назначению; Цифровой лазерный дальномер
- 245 Измерение угла наклона
- 246 Изображенные составные части; Зарядное устройство
- 247 Элементы индикации; Сборка; Зарядка аккумулятора; Примите во внимание напряжение в сети!
- 248 Работа с инструментом; Эксплуатация; включения; Измерение
- 249 Меню «Основные настройки»
- 250 Непрерывный лазерный луч; Режимы измерений; Простое измерение длины
- 251 «max»
- 253 Список последних измеренных значений
- 254 Указания по применению; Общие указания
- 255 Проверка точности измерения расстояния; Неисправность; Причина
- 256 » на дисплее
- 257 Техобслуживание и сервис; Техобслуживание и очистка
- 258 Россия; Утилизация












