Котел Dedietrich EVODENS PRO AMC 90 7699477 RG008UNIUM24S9 - инструкция пользователя по применению, эксплуатации и установке на русском языке. Мы надеемся, она поможет вам решить возникшие у вас вопросы при эксплуатации техники.
Если остались вопросы, задайте их в комментариях после инструкции.
"Загружаем инструкцию", означает, что нужно подождать пока файл загрузится и можно будет его читать онлайн. Некоторые инструкции очень большие и время их появления зависит от вашей скорости интернета.

4.11.3 Пример подключения 6
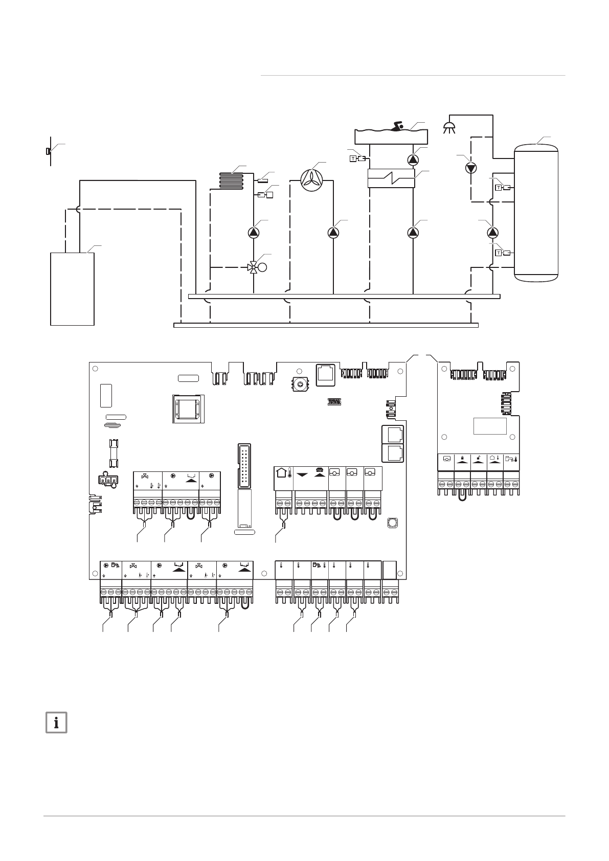
Рис.12 1 котёл + 1 смесительная зона + 1 прямая зона + зона бассейна + зона горячей санитарно-технической воды
(ГВС)
AD-4100039-01
1
A
9
8
E
7
D
6
C
M
5
T
3
4
B
2
10
12
F
13
11
AD-4100141-01
R-Bus
Tout
BL
RL
Tdhw
CB-03
X131
X136
X4
X03
6
.3
A
T
X12
X13
X15
S-BUS
X1
X9
X11
X2
X3
X4
X5
X10
RS
SP
L-BUS
SCB-10
X14
N L
B
C
N
N L
A
N
TS
N L TS
R-Bus
T out
Status
R-Bus
R-Bus
1
C
2
3
4
+
0-10V
-
B
A
+TA-
TA
1
2
C
B
A
Tsyst Tsyst Tdhw Tflow Tflow Tflow
X8
N L
X14
N L TS
N
3
6
2
4
12
5
13
7
11
1
10
9
8
A
A Котёл
B Смесительная зона – Контур B1 (напольное
отопление)
C Прямая зона – Контур А1 (фэн-койл)
D Прямая зона – Контур C1 (бассейн)
E Пластинчатый теплообменник
F Зона ГВС – ГВС A (послойный водонагреватель –
2 датчика)
Важная информация
В этой конфигурации дополнительная электронная плата (дополнительное оборудование AD249)
установлена на разъем X8 электронной платы SCB-10.
4 Подготовка установки
30
AMC Pro
7725143 - v.01 - 12062019
Содержание
- 6 Общие указания по технике безопасности; Для специалиста
- 7 Для конечного пользователя
- 9 Рекомендации
- 11 Ответственность; Ответственность производителя
- 12 Ответственность пользователя
- 13 Дополнительная документация
- 14 Общее описание
- 17 Нормы и правила установки
- 19 Требования к системе отвода дымовых газов; Классификация
- 22 Материал
- 23 ød
- 25 Качество воды и водоподготовка
- 33 A–B
- 36 Размещение котла; Нерекомендуемые места для установки
- 37 Подключение датчика наружной температуры; Промывка системы
- 39 Подсоединение трубопроводов отвода продуктов; Электрические подключения; Панель управления
- 41 Подключение модулирующего комнатного термостата; Tout; RL; Tdhw
- 42 Tk Tv
- 45 Подключение смесительного клапана
- 47 TA
- 48 Подключение стандартного насоса
- 49 Подключение насоса ШИМ
- 50 Контрольная ведомость перед вводом в эксплуатацию; Заполнение сифона
- 51 Описание панели управления; Компоненты панели управления
- 53 Процедура ввода в эксплуатацию; Заводская настройка
- 55 Проверка и настройка соотношения газ-воздух
- 57 Выполнение проверки на минимальной мощности
- 59 Окончательные инструкции
- 60 Общая информация о кодах параметров; Доступ к уровню Специалиста; CP
- 63 Настройка отопительного графика
- 64 Список параметров; Настройки блока управления
- 71 Настройки электронной платы расширения SCB-10
- 72 Доступ к меню уровня Пользователя
- 74 Изменение комнатной температуры зоны; Определение зоны
- 77 Регулировка температуры горячей санитарно-технической воды
- 80 Защита от замерзания
- 81 0 Технические характеристики
- 82 Заключительный заводской контроль; Технические данные
- 85 Циркуляционный насос
- 87 1 Приложение; Информация по планированию противоаварийных мероприятий
- 88 комплекта
- 89 Декларация соответствия ЕС
- 91 © Авторские права